电脑桌面
添加小米粒文库到电脑桌面
安装后可以在桌面快捷访问

小型冷库设计说明书VIP免费

小型冷库设计说明书_第1页
1/10
小型冷库设计说明书_第2页
2/10
小型冷库设计说明书_第3页
3/10
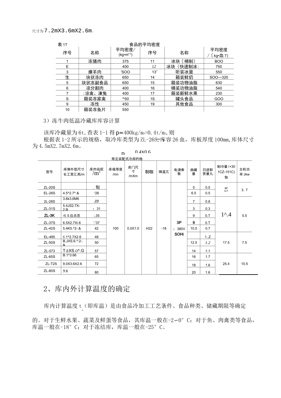
小型冷库设计说明书一、课程设计题目设广州地区某批发市场需建造一个小型冷库,共有三库:其中一库为高温冷藏库,冷藏食品为蔬菜和水果类,库温5°C,库存量6吨;另一个也为高温冷藏库,冷藏食品为蛋和乳制品,库温5C,库存量10吨;还有一个为低温冷藏库,冷藏食品为冻牛肉,库温-18C,库存量6吨。试为该批发市场设计满足上述要求的小型冷库。二、课程设计程序和内容1、计算库体尺寸1)蔬菜和水果冷藏库库容计算冷藏库容积按公式计算:G=pqV式中,p冷藏食品的密度,单位为kg/m3;n容积利用系数,土建冷库取0.4,装配式冷库取0.6;G冷藏库的储藏量,单位为kg;V冷藏库容积,单位为kg/m3;冷藏食品为蔬菜和水果,冷藏量为6t,查表1-1得p=230kg/m3=0.23t/m3,贝廿V二——二二43.48m3pn0.23X0.6根据表1-2所示的规格,取冷库类型为ZL-48S,库容48nt,库板厚度100mm,库体尺寸为8.1mX2.7mX2.6m。2)蛋类和乳制品冷藏库库容计算该库冷藏量为101,查表1-1得p=300kg/m=0.3t/m,则V二—二―10二55.56m3pn0.3X0.6根据表1-2所示的规格,取冷库类型为ZL-57S,库容57nt,库板厚度100mm,库体p0.4x0.6二2尺寸为7.2mX3.6mX2.6m。表1T食品的平均密度序号名称平均密度/(kg•m'-3)序兮名称平均密度/〔kg•血7)1冻猪肉37511冰块〔桶制)BOOE40012冰块(快速制冰:7503療羊肉'SOO13?听装冰蛋550生块状冻肉65014箱装鲜奶SOO—3205块状冻副食品65015箱装功物油脂6306凉分割肉40016桶装功物油脂5407:凉禽、凍兔40017箱装新鲜水果230S箱装冻家禽'^501S罐头食品GOO9冻性45019其他食品30010箱装冻鱼片5503)冻牛肉低温冷藏库库容计算该库冷藏量为6t,查表1-1得p=400kg/m3=0.4t/m3,则根据表1-2所示的规格,取冷库类型为ZL-26S,库容26血,库板厚度100mm,库体尺寸为4.5mX2.7mX2.6m。常见装配式冷库旳格型号库俸外型尺寸长工宽汇高/m库肉容祝/m1库複厚度/mn库门尺寸/mXm制咖陣温兀电漣奏数曲藏量日进鲜赏量九制冷量(+301CZ-151C)伽主机功率JkwZL-20S.旬50.5Q73;7EL-26S4.5^2.7^.&v266.50.5IJ.12L-28S3.6k3.6M6Z870.8ZL-31S5.4JS2.7X-2.B:3130.3ZL-3K斗.5应点忽;.3590.T1^.45.5ZL-37S6.5X2.7Xi.6'.'373P90.TZL-42S5.4K5.^2-.&421000.0X1.0H22-18;380V10.50.7EL-4856.1^2.7X2.648SOHi1..ZZL-50SB.JXS.6.^:2-.&5012.51.217.57.5ZL-573T.EXS.O^.G57141.1ZL-65SB.1^3.6665161.7ZL-T2S9.0X3.6X2.672181.625.410.5ZL-80S9.680201.62、库内外计算温度的确定库内计算温度t(即库温)是由食品冷加工工艺条件、食品种类、储藏期限等确定n的。对于生鲜水果、蔬菜及鲜蛋等食品,其库温一般在-2〜0°C;对于鱼、肉禽类等食品,库温一般在-18°C;对于冻结库,库温一般在-25°C。库外计算温度t应考虑当地最恶劣气候条件时的温度,但也要考虑选用制冷设备的w经济性,在计算时,应以国家有关冷库规范中查取的数据作为库外计算温度。该冷库所在地是广州,库外温度取34°C。3、隔热板校核计算我国生产的隔热板的厚度有50mm、75mm、80mm、100mm、125(或120)mm、150mm、200mm等多种规格。对于小冷库一般采用100〜150mm范围内的规格,在前面的库体选择中我们已经选择了100mm这种类型的库板,现在进行隔热和防潮的校核计算。1)防潮校核如前所述,隔热板两边都是防潮性能极好的钢板或喷塑铝板等,因此不需要进行防潮校核。2)凝露计算冷库库板凝露温度计算同电冰箱。首先确定冷库所在地广州的环境温度取34C,并取库板外壁的对流换热系数a为w8W/(m?・K)。库内因准备采用冷风机作蒸发器,取对流换热系数a为23W/(m?・K),n板厚5=100mm,传热系数入=0.028W/(m・K),则库板综合传热系数K为1K二玄=0.27W/(m?・K)181++—a九awn则低温库外表面温度t二t-上(t-1)二34-—x(34+18)二32.25Cw1a128w若广州地区空气的相对湿度最高取为85%,则可查得露点温度为31C,则外表面温度确定高于露点温度。同样计算高温库外表面温度为t二t-—(t-1)二34-027x(34-5)二33Cw1a128同样高于露点温度。4、库体热负荷计算1)渗入热计算因为冷库准备顶上设凉棚,四周设遮阳,所以计算时可以不考虑太阳辐射热引起的渗入热量。渗入热量仅为库内外温差渗入的热量。冷藏库渗入热计算式:Q二KA...

1、当您付费下载文档后,您只拥有了使用权限,并不意味着购买了版权,文档只能用于自身使用,不得用于其他商业用途(如 [转卖]进行直接盈利或[编辑后售卖]进行间接盈利)。
2、本站所有内容均由合作方或网友上传,本站不对文档的完整性、权威性及其观点立场正确性做任何保证或承诺!文档内容仅供研究参考,付费前请自行鉴别。
3、如文档内容存在违规,或者侵犯商业秘密、侵犯著作权等,请点击“违规举报”。

碎片内容

小型冷库设计说明书

您可能关注的文档

确认删除?
VIP
微信客服
  • 扫码咨询
会员Q群
  • 会员专属群点击这里加入QQ群
客服邮箱
回到顶部