电脑桌面
添加小米粒文库到电脑桌面
安装后可以在桌面快捷访问

管道支架技术交底VIP免费

管道支架技术交底_第1页
1/10
管道支架技术交底_第2页
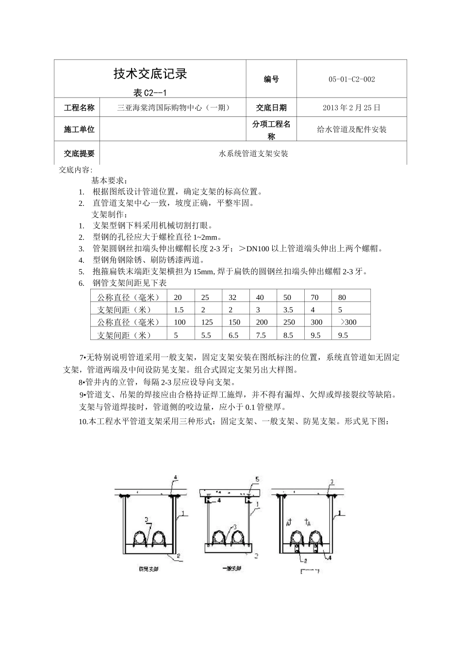
2/10
管道支架技术交底_第3页
3/10
技术交底记录表C2--1编号05-01-C2-002工程名称三亚海棠湾国际购物中心(一期)交底日期2013年2月25日施工单位分项工程名称给水管道及配件安装交底提要水系统管道支架安装交底内容:基本要求:1.根据图纸设计管道位置,确定支架的标高位置。2.直管道支架中心一致,坡度正确,平整牢固。支架制作:1.支架型钢下料采用机械切割打眼。2.型钢的孔径应大于螺栓直径1~2mm。3.管架圆钢丝扣端头伸出螺帽长度2-3牙;>DN100以上管道端头伸出上两个螺帽。4.型钢角钢除锈、刷防锈漆两道。5.抱箍扁铁末端距支架横担为15mm,焊于扁铁的圆钢丝扣端头伸出螺帽2-3牙。6.钢管支架间距见下表公称直径(毫米)20253240507080支架间距(米)1.52233.545公称直径(毫米)100125150200250300>300支架间距(米)55.56.57.58.59.59.57•无特别说明管道采用一般支架,固定支架安装在图纸标注的位置,系统直管道如无固定支架,管道两端及中间设防晃支架。组合式固定支架另出大样图。8•管井内的立管,每隔2-3层应设导向支架。9•管道支、吊架的焊接应由合格持证焊工施焊,并不得有漏焊、欠焊或焊接裂纹等缺陷。支架与管道焊接时,管道侧的咬边量,应小于0.1管壁厚。10.本工程水平管道支架采用三种形式:固定支架、一般支架、防晃支架。形式见下图:技术交底记录表C2--1编号05-01-C2-002工程名称三亚海棠湾国际购物中心(一期)交底日期2013年2月25日施工单位分项工程名称给水管道及配件安装交底提要水系统管道支架安装防晃支架:管径1234DN20Z30Z30©8©8DN25Z30Z30©8©8DN32Z40Z40©8©8DN40Z40Z40©8©8DN50Z50Z50©8©8DN70Z50〖6.3©10©8DN80Z50〖6.3©10©8DN100Z50〖8©10©10DN125Z50〖8©12©10DN150Z50〖8©12©10DN200〖8〖10©12©10DN250〖8〖10©12©12DN300〖10〖12©14©12DN350〖10〖12©14©12一般支架:管径12345DN20©10Z30©8〖6.3©8DN25©10Z30©8〖6.3©8DN32©10Z40©8〖6.3©8DN40©10Z40©8〖6.3©8DN50©10Z50©8〖6.3©8DN70©12〖6.3©10〖8©10DN80©12〖6.3©10〖8©10DN100©12〖8©10〖8©10固定支架:管径1234DN50〖6.3〖6.3©10〖6.3DN70〖6.3〖8©10〖8DN80〖6.3〖8©10〖8DN100〖6.3〖8©12〖8DN125〖6.3〖8©12〖8工程名施工单技术交底记录三亚海棠湾国际购物中心(一交底日分项工程名2013年2月25给水管道及配件安交底提要水系统管道支架安装DN150〖8〖10©12〖10DN200〖10〖10©12〖12DN250〖10〖10©12〖12DN300〖12〖12©12〖14DN350〖12〖12©12〖1411、立管固定支架按通用大样图制作(有图纸)。三、支架安装:1、清理干净预埋件上的水泥。2、按设计测量出管线离墙距离放线,确认标高、间距、坡度正确后,将预制好的支架用膨胀螺栓固定。支架安装后补刷防锈漆。3、位置正确,埋设应平整牢固。4、固定支架与管道接触应紧密,固定应牢靠。5、固定在建筑结构上的管道支、吊架不得影响结构的安全。6、采暖、给水及热水供应系统的塑料管及复合管垂直或水平安装的支架间距应符合下表的规定。塑料管及复合管管道支架的最大间距管径(毫米)1214161820253240506375最大间距(米)立管0.50.60.70.80.911.11.31.61.82水平管冷水管0.40.40.50.60.60.70.80.911.11.2热水管0.20.20.30.30.30.350.40.50.60.70.87、采暖、给水及热水供应系统的金属管道立管管卡安装应符合下列规定:7.1楼层高度小于或等于5m,每层必须安装1个。7.2楼层高度大于5m,每层不得小于2个。7.3管卡安装高度,距地面应为1.5-1.8m,2个以上管卡应匀称安装,同一房间管卡安装在同一高度上。8、管道及管道支墩(座)严禁铺设在冻土和未经处理的松土上。9、金属排水管道上的吊钩或卡箍应固定在承重结构上。固定件间距:横管不大于2m,立管不大于3m。楼层高度小于或等于4m,立管可安装1个固定件。立管底部的弯管处应设支墩或采取固定措施。四、自喷系统编05-01-C2-1、管道支架、吊架、防晃支架的安装应符合下列要求:技术交底记录表C2--1编号05-01-C2-002工程名称三亚海棠湾国际购物中心(一期)交底日期2013年2月25日施工单位分项工程名称给水管道及配件安装交底提要水系统管道支架安装1.1管道应固定牢固;管道支架或吊...

1、当您付费下载文档后,您只拥有了使用权限,并不意味着购买了版权,文档只能用于自身使用,不得用于其他商业用途(如 [转卖]进行直接盈利或[编辑后售卖]进行间接盈利)。
2、本站所有内容均由合作方或网友上传,本站不对文档的完整性、权威性及其观点立场正确性做任何保证或承诺!文档内容仅供研究参考,付费前请自行鉴别。
3、如文档内容存在违规,或者侵犯商业秘密、侵犯著作权等,请点击“违规举报”。

碎片内容

管道支架技术交底

wxg+ 关注
实名认证
内容提供者

该用户很懒,什么也没介绍

确认删除?
VIP
微信客服
  • 扫码咨询
会员Q群
  • 会员专属群点击这里加入QQ群
客服邮箱
回到顶部