电脑桌面
添加小米粒文库到电脑桌面
安装后可以在桌面快捷访问

明洞土方回填处理方案VIP免费

明洞土方回填处理方案_第1页
1/13
明洞土方回填处理方案_第2页
2/13
明洞土方回填处理方案_第3页
3/13
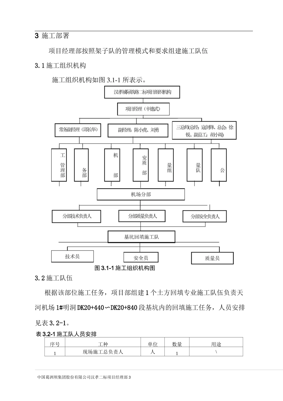
中国葛洲坝集团股份有限公司汉孝二标项目经理部1天河机场明洞()段基坑土方回填处理方案1编制依据(1)新建武汉至孝感城际铁路施工合同文件;(2)中铁第四勘察设计院设计图纸、设计文件、设计资料;(3)技术规范及国家、铁路总公司颁布的现行规范、规程、验标等各项技术标准和有关的法律、法规;(4)机场三期前线指挥部相关要求;(5)2016年3月7日城际公司、铁四院、铁四院汉孝监理站、武汉交投集团、中铁十四局、葛洲坝集团对施工现场踏勘、实地调查所制定的处理方案;2回填处理方案天河机场1#明洞(DK20+440〜DK20+840)段周边地势较低,机场场内排水为散排至明挖基坑地段;后期基坑开挖形成后,机场三期建设陆续展开、且机场三期建设范围内无排水系统,在城际铁路明挖基坑右幅形成大的堰塞湖;且天河机场地下交通中心等施工单位的生活、施工废水漫排至该部位基坑周边。多种因素造成该部位地下水系较发育、地下水丰富。该部位明挖基坑回填后上部为机场三期进场主路基,在我部按照设计要求基坑土方回填完成后,由于边坡顶机场排水系统下渗,该部位基坑回填后,2015年前期机场排水汇集浸泡,导致承载力不足。2016年3月7日城际公司组织铁四院、铁四院汉孝监理站、武汉交投集团、中铁十四局、葛洲坝集团等相关单位踏勘现场后,综合设计、监理、中国葛洲坝集团股份有限公司汉孝二标项目经理部2后续移交部位单位等处理意见及要求,最终形成处理方案如下:(1)该部位必须进行重新换填处理,换填前首先进行地下水抽排。(2)地下水抽排采用沿进场主进场路范围内,每隔20~30m开挖一口汇水池,水泵抽排至周边排水系统。汇水池开挖深度低于换填深度1~1.5m。(3)换填深度4m、宽度为原1#明洞基坑开挖边线至进场主进场路基边线。换填材料及压实度标准:下部50cm采用毛渣回填;中部2.5m采用优质黏土回填、压实度0.9;上部1m采用6%的改良土回填,压实度0.92。(4)原回填面重新开挖,采用两侧1:1放坡;为确保安全,两侧堆土适当减载处理。回填方案如图2-1所示。局部详图如图2-2所示。中国葛洲坝集团股份有限公司汉孝二标项目经理部33施工部署项目经理部按照架子队的管理模式和要求组建施工队伍3.1施工组织机构图3.1-1施工组织机构图3.2施工队伍根据该部位施工任务,项目部组建1个土方回填专业施工队伍负责天河机场1#明洞DK20+440〜DK20+840段基坑内的回填施工任务,人员安排见表3.2-1。表3.2-1施工队人员安排序号工种单位数量用途1现场施工总负责人人1\中国葛洲坝集团股份有限公司汉孝二标项目经理部42分部负责人人1\3技术负责人人23施工员人2\4质检员人1\5试验员人1\6安全员人2\7自卸汽车司机人10\8反铲司机人5\9压路机司机人3\10装载机司机人2\11推土机司机人3\12辅助工人人15\3.3施工便道设置利用S110省道作为材料运输通道,采用基坑内便道作为施工便道,可满足施工要求。3.4资源配置3.4.1主要机械设备投入天河机场1#明洞DK20+440~DK20+840段基坑土方回填施工主要机械设备投入见表3.4-1所示。表3.4-1主要机械设备投入序号工种单位数量备注1自卸汽车台10\2反铲台5\318t振动碾台34装载机台2\5推土机台33.4.2主要物资材料投入天河机场1#明洞DK20+440~DK20+840段基坑土方回填施工主要物资材料投入投入见表3.4-2所示。表3.4-2主要物资材料投入中国葛洲坝集团股份有限公司汉孝二标项目经理部5序号工种单位数量备注1水泵台10排量15(m3/h)2软管m500\3彩条布2000\4、工期计划安排计划立即进行天河机场1#明洞DK20+440~DK20+840段基坑土方回填施工,必须满足中铁十四局要求的工期节点。5、主要施工方法及施工工艺流程5.1施工工艺流程施工工艺流程如图5.1-1所示。图5.1-1施工工艺流程5.2地下水抽排施工施工前需先抽排地下水,按照要求,在十四局路基中心线上每隔30mm设置一处汇水坑,水坑深度为换填层以下1m,汇水坑底尺寸为2*2m,汇水坑按照1:1进行放坡开挖。由测量队对施工作业面进行复测,并对汇水坑进行准确放样,采用反铲开挖汇水坑,有地下水溢出时进行,采用水泵进行抽排,抽排至就近T3排水系统内,汇水坑平面布置如图5.2-1所示。中国葛洲坝集团股份有限公司汉孝二标项目经理部65.3基坑开挖...

1、当您付费下载文档后,您只拥有了使用权限,并不意味着购买了版权,文档只能用于自身使用,不得用于其他商业用途(如 [转卖]进行直接盈利或[编辑后售卖]进行间接盈利)。
2、本站所有内容均由合作方或网友上传,本站不对文档的完整性、权威性及其观点立场正确性做任何保证或承诺!文档内容仅供研究参考,付费前请自行鉴别。
3、如文档内容存在违规,或者侵犯商业秘密、侵犯著作权等,请点击“违规举报”。

碎片内容

明洞土方回填处理方案

确认删除?
VIP
微信客服
  • 扫码咨询
会员Q群
  • 会员专属群点击这里加入QQ群
客服邮箱
回到顶部