电脑桌面
添加小米粒文库到电脑桌面
安装后可以在桌面快捷访问

埋弧自动焊施工方案VIP免费

埋弧自动焊施工方案_第1页
1/11
埋弧自动焊施工方案_第2页
2/11
埋弧自动焊施工方案_第3页
3/11
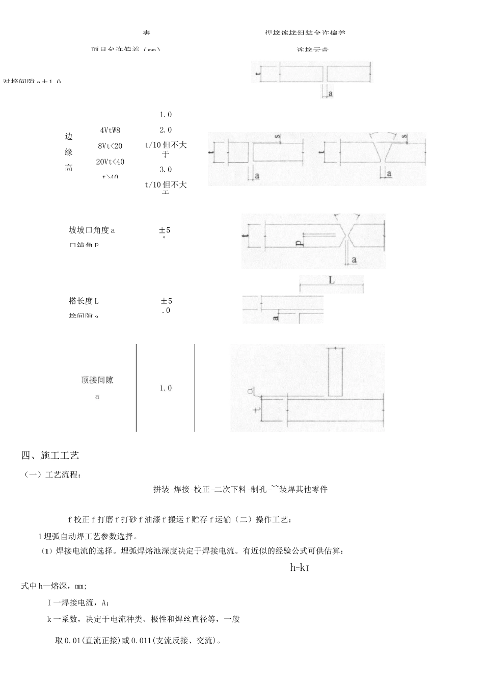
埋弧自动焊施工方案适用范围:本工艺适用钢结构制作与安装埋弧自动焊焊接工艺。工艺规定了一般低碳钢、普通低合金钢的埋弧自动焊的基本要求。凡各工程的工艺中无特殊要求的结构件的埋弧自动焊均应按本工艺规定执行。一、材料要求(一)材料要求:1钢材及焊接材料应按施工图的要求选用,其性能和质量必须符合国家标准和行业标准的规定,并应具有质量证明书或检验报告。如果用其他钢材和焊材代换时,须经设计单位同意,并按相应工艺文件施焊。2碳当量不大于0.45的钢材可以按本工艺各项规定施焊。3焊剂的选择视母材的成分、性能与焊丝相匹配使用。(1)对于碳素钢和普通低合金钢,应保证焊缝机械性能。(2)对于不同强度级别的异种钢接头,一般可按强度级较低的钢材选用抗裂性较好的焊接材料。(3)焊丝焊剂常用组合为高锰高硅焊剂(HJ431)与低锰(H08A)或含锰(H08MnA)焊丝相配合;低锰或无锰高硅焊剂与高锰焊丝(H10Mn2)相配合。4焊剂在使用前必须烘干,烘干温度一般为酸性焊剂(如HJ431、HJ430)250°C〜300°C,烘烤时间为2小时。碱性焊剂(如HJ250,HJ260)一般为300C〜400°C,2小时烘烤后使用。使用中回收的焊剂应经过筛除,去杂物后烘干,再与新焊剂配比使用,车间要定期回收焊剂以免浪费。5不同板厚的钢板对接接头的两板厚度差不超过表1规定时,则焊缝坡口的基本形式与尺寸按较厚板的尺寸数据来选择;否则应在厚板上作出如表中图示的单面a)或双面削薄b),其削薄长度L^3(6—S1)o表1较薄板厚度S1(mm)22〜5>5〜9>9〜12>12允许厚度差(S—S1)(mm)12341—////.Z//JF7-T-j./ZgY////////XV//////z/jg応///#勿Jy/y/A4////彳—*■1€£/NG”筈yJit頁jTXjr////Aa)b)y二、主要机具1焊接用机具主要有埋弧焊机、焊剂烘干箱、柴油发电机、焊接滚轮架、翼缘矫正机2工厂加工检验设备、仪器工具主要有超声波探伤仪、数字温度仪、数字钳形电流表、温湿度仪、焊缝检验尺、磁粉探伤仪、游标卡尺、钢卷尺。三、作业条件1焊接区应保持干燥,不得有油、锈和其他污物。2用于埋弧焊的焊剂应按照工艺确定的型号和牌号相匹配。焊剂在使用前应按产品说明书规定的烘焙时间和烘焙温度进行烘焙,不得含灰尘、铁屑和其他杂物。3焊前应对焊丝仔细清理,去除铁锈和油污等杂质。4施焊前,焊工应复核焊接件的接头质量和焊接区域的坡口、间隙、钝边等的处理情况。当发现有不符合要求时,应修整合格后方可施焊。焊接连接组装允许偏差值见表4的规定。表焊接连接组装允许偏差项目允许偏差(mm)连接示意对接间隙a±1.0边缘高4VtW88Vt<2020Vt<40t>401.02.0t/10但不大于3.0t/10但不大于坡坡口角度a口钝角P±5°搭长度L接间隙a±5.0四、施工工艺(一)工艺流程:拼装-焊接-校正-二次下料-制孔-~~装焊其他零件f校正f打磨f打砂f油漆f搬运f贮存f运输(二)操作工艺:1埋弧自动焊工艺参数选择。(1)焊接电流的选择。埋弧焊熔池深度决定于焊接电流。有近似的经验公式可供估算:h=kI式中h—熔深,mm;I一焊接电流,A;k一系数,决定于电流种类、极性和焊丝直径等,一般取0.01(直流正接)或0.011(支流反接、交流)。(2)焊丝直径。可根据焊接电流选择合适的焊丝直径,见表1(1)电弧电压。电弧电压要与焊接电流匹配,可参考表2.2埋弧自动焊工艺参数示例。(1)不开坡口留间隙双面焊工艺参数,见表3.(2)对接接头埋弧自动焊宜按表4选定焊接参数。(3)厚板深坡口焊接工艺参数,见表5.(2)搭接接头的埋弧自动焊宜按表6选定焊接参数。(3)T型接头的单道埋弧自动焊焊接参数宜按表7选定。(6)船形T型接头的单道埋弧自动焊焊接参数宜按表8选定。表1不同直径焊丝适用的焊接电流范围焊丝直径(mm)23456电流密度(A/mm健)63〜12550〜8540〜6335〜5028〜42焊接电流(A)200〜400350〜600500〜800700〜1000820〜1200表2电弧电压与焊接电流的配合焊接电流(A)600〜700700〜850850〜10001000〜12000电弧电压(V)36〜3838〜4040〜4242〜44注:焊丝直径5mm,交流。表3不开坡口留间隙双面埋弧自动焊工艺参数焊件厚度(mm)装配间隙(mm)焊接电流(A)焊接电压(V)焊接速度(m/h)交流直流反接10〜1214〜1618〜2022〜2426〜2830〜322〜33〜44〜54〜55〜66〜7750〜800...

1、当您付费下载文档后,您只拥有了使用权限,并不意味着购买了版权,文档只能用于自身使用,不得用于其他商业用途(如 [转卖]进行直接盈利或[编辑后售卖]进行间接盈利)。
2、本站所有内容均由合作方或网友上传,本站不对文档的完整性、权威性及其观点立场正确性做任何保证或承诺!文档内容仅供研究参考,付费前请自行鉴别。
3、如文档内容存在违规,或者侵犯商业秘密、侵犯著作权等,请点击“违规举报”。

碎片内容

埋弧自动焊施工方案

确认删除?
VIP
微信客服
  • 扫码咨询
会员Q群
  • 会员专属群点击这里加入QQ群
客服邮箱
回到顶部