电脑桌面
添加小米粒文库到电脑桌面
安装后可以在桌面快捷访问

钢筋混凝土施工方案 (2)VIP免费

钢筋混凝土施工方案 (2)_第1页
1/12
钢筋混凝土施工方案 (2)_第2页
2/12
钢筋混凝土施工方案 (2)_第3页
3/12
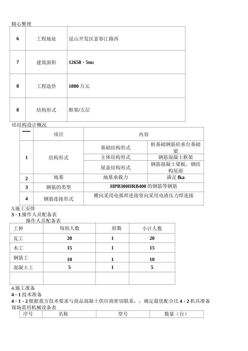
精心整理有关规范、规程、图集1.编制依据序号名称编号1《建筑抗震设计规范》GB50011-20012《建筑工程施工质量验收统标准》GB50300-20013《混凝土结构工程施工质量验收规范》GB50204-20024《建筑工程施工质量检验评定统一标准》GB50300-20016《混凝土结构施工图平面整体表示方法制图规则和构造详图》03G101-17《钢筋混凝土用热轧光圆钢筋》GB13013-918《混凝土强度检验评定标准》GBJ107-879《混凝土泵送施工技术规程》JGJ/T10-9510《回弹法检测混凝土抗压强度技术规程》JGJ/T23-200111《钢筋混凝土用热轧带肋钢筋》GB1499-199812《钢筋焊接及验收规程》JGJ18-200314《建筑工程冬期施工规程》JGJ104-9715《钢筋焊接及验收规程》JGJ18-200316本工程施工组织设计/171#~5#厂房、水池泵房工程工程施工图纸/工程概况序项目内容1工程名称1#~5#厂房、水池泵房2建设单位昆山瑞锦嘉电子科技有限公司3设计单位中铁时代建筑设计有限公司4监理单位昆山开发区富春江路西侧,澄湖路北侧5施工单位江苏五环建设有限公司精心整理6工程地址昆山开发区富春江路西7建筑面积12658・5m28工程造价1800万元8结构形式框架/五层结结构设计概况一项目内容1结构形式基础结构形式桩基础钢筋砼承台基础梁主体结构形式钢筋混凝土框架屋盖结构形式钢筋混凝土梁板,钢结构屋面2地基地基承载力满足fka3钢筋的类型HPB300HRB400的钢筋等钢筋4钢筋连接形式横向采用电弧焊连接竖向采用电渣压力焊连接3.施工安排3・1操作人员配备表操作人员配备表工种每组人数组数小计人数瓦工20120木工15115钢筋工10110混凝土工5154.施工准备4・1技术准备4・1・2根据我方技术要求与商品混凝土供应商密切联系,,确定最优配合比4・2机具准备现场需用机械设备表序号名称型号数量(台)精心整理1电焊机BX3-500-212砂轮切割机13钢筋切断机GQ5024钢筋弯曲机25混凝土罐车8m316振动棒ZX-5037平板振动器HB-1128电锯19电刨14.3材料准备钢筋原材由项目物资部分期分批采购,直接在现场钢筋加工棚加工。成型钢筋利用塔吊配合手推车进行水平及垂直运输。现场钢筋材料堆场及钢筋加工场地位置见平面布置图。5.主要施工方法及措施5・1钢筋工程本工程全部钢筋均采用HRB400HPB300等的钢筋。施工过程中强调过程控制,对钢筋分项施工的全过程进行全面检查,检查的重点在于:进场检验、钢筋加工、钢筋绑扎、锚固、接头、抗震规定、钢筋到位、保护层、审图把关等方面。5・1・1进场检验钢筋进入加工厂时,要按批进行验收,每一混合批验收重量不超过60吨。检查分两步进行:1)外观检查:每批钢筋抽取5%进行检查,钢筋表面不得有裂纹,结疤和折叠,表面凸块不得超过横肋高度,每1m的弯曲度不大于4mm。交货时随机抽取10根(长6m)称重,其重量偏差不得超过允许偏差。2)试验检查:每批钢筋中任选两根,每根上截取两个试件进行拉伸试验和冷弯试验。如有一项试验结果不符合要求,则从同一批中另取双倍数量试件重新作各项试验,如仍有一个试件不合格,则该批钢筋判定为不合格,退回厂家,以确保用于工程的钢筋均为优质钢筋。)钢筋除锈先制定防锈措施,钢筋堆放场地应硬化找坡(或铺碎石)做好防雨、排水措施,钢筋下垫木方(不能及时使用的钢筋应进行覆盖)。钢筋一旦生锈处理方法如下:表面生有老锈的钢筋禁止使用,钢筋表面生有水锈的在下料前先除锈,将钢筋表面的油渍、漆渍及浮皮、铁锈等清除干净,以免影响其与混凝土的粘结效果。)钢筋调直采用卷扬机调直钢筋,其调直冷拉率:钢筋不宜大于,冷拉过程应通过计算严格控制冷拉力值,严禁超拉。经过调直工艺后,钢筋应平直,无局部曲折。(级)钢筋不得进行冷拉。)钢筋切断钢筋切断时根据其直径、钢筋级别及钢筋端头加工形式等因素确定分别使用砂精心整理轮切割机和钢筋切断机下料,切断时要将同规格钢筋根据不同长度长短搭配,统筹排料,先下长料,后下短料,减少短头,减少损耗。断料时长料不得使用短尺丈量,防止产生累积误差,工作台上应标出尺寸刻度线并设置控制断料尺寸用的挡板,切断过程中,如发现钢筋有劈裂、缩头或严重弯头等必须切除,硬度与钢种不符时,必须及时通知技术人员。钢筋断口有马蹄形或起弯现象...

1、当您付费下载文档后,您只拥有了使用权限,并不意味着购买了版权,文档只能用于自身使用,不得用于其他商业用途(如 [转卖]进行直接盈利或[编辑后售卖]进行间接盈利)。
2、本站所有内容均由合作方或网友上传,本站不对文档的完整性、权威性及其观点立场正确性做任何保证或承诺!文档内容仅供研究参考,付费前请自行鉴别。
3、如文档内容存在违规,或者侵犯商业秘密、侵犯著作权等,请点击“违规举报”。

碎片内容

钢筋混凝土施工方案 (2)

您可能关注的文档

确认删除?
VIP
微信客服
  • 扫码咨询
会员Q群
  • 会员专属群点击这里加入QQ群
客服邮箱
回到顶部