电脑桌面
添加小米粒文库到电脑桌面
安装后可以在桌面快捷访问

培训记录表(同名18740)VIP免费

培训记录表(同名18740)_第1页
1/8
培训记录表(同名18740)_第2页
2/8
培训记录表(同名18740)_第3页
3/8
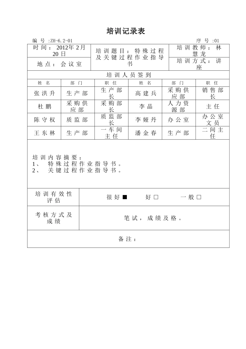
培训记录表编号:ZH-6.2-01序号:01时间:2012年2月20日培训题目:特殊过程及关键过程作业指导书培训教师:林慧龙地点:会议室培训方式:讲座培训人员签到姓名部门职任姓名部门职任张洪升生产部生产部长高建兵采购供应部销售部长杜鹏采购供应部采购部长李晶人力资源部主任陈守权质监部质监部长李娅丹办公室办公室文员王东林生产部一车间主任潘金春生产部二间主任培训内容摘要:1、特殊过程作业指导书。2、关键过程作业指导书。培训有效性评估很好■好□一般□考核方式及成绩笔试,成绩及格。备注:培训记录表编号:ZH-6.2-01序号:02时间:2012年2月25日培训题目:文件的应用和产品检验规程培训教师:武华德地点:会议室培训方式:讲座培训人员签到姓名部门职任姓名部门职任冯海滨总经办总经理李祖来技术开发部总工程师高炳臣生产部生产副总陈守权质监部质监部长张洪升生产部生产部长高建兵采购供应部销售部长杜鹏采购供应部采购部长李晶人力资源部主任陈守权质监部质监部长李娅丹办公室办公室文员王东林生产部一车间主任潘金春生产部二间主任培训内容摘要:1、文件的应用。2、检验规程。培训有效性评估很好■好□一般□考核方式及成绩口头提问。备注:培训记录表编号:ZH-6.2-01序号:03时间:2012年3月1日培训题目:内审的应用和管理评审培训教师:曾伟地点:会议室培训方式:讲座培训人员签到姓名部门职任姓名部门职任李晶人力资源部主任张文技术开发部技术员张洪升生产部生产部长高建兵采购供应部销售部长培训内容摘要:1:内部质量体系审核的基本概念;2:内部质量体系审核的一般过程;3:内部质量体系审核的策划;4:内部质量体系审核的实施;5:内部质量体系审核报告及不合格跟踪验证;6:内部质量体系审核案例分析;7:管理评审。培训有效性评估很好■好□一般□考核方式及成绩口头提问。备注:培训记录表编号:ZH-6.2-01序号:04时间:2012年3月6日培训题目:各种生产设备的安全操作规程及安全知识培训教师:林慧龙地点:会议室培训方式:讲座培训人员签到姓名部门职任姓名部门职任张洪升生产部生产部长高建兵采购供应部销售部长杜鹏采购供应部采购部长李晶人力资源部主任陈守权质监部质监部长李娅丹办公室办公室文员王东林生产部一车间主任潘金春生产部二间主任培训内容摘要:1、各种设备的操作规程。2、安全知识。培训有效性评估很好■好□一般□考核方式及成绩口头提问。备注:培训记录表编号:ZH-6.2-01序号:05时间:2012年3月12日培训题目:ISO9001标准的基本知识培训教师:曾伟地点:会议室培训方式:讲座培训人员签到姓名部门职任姓名部门职任冯海滨总经办总经理李祖来技术开发部总工程师高炳臣生产部生产副总陈守权质监部质监部长张洪升生产部生产部长高建兵采购供应部销售部长杜鹏采购供应部采购部长李晶人力资源部主任陈守权质监部质监部长李娅丹办公室办公室文员王东林生产部一车间主任潘金春生产部二间主任培训内容摘要:1:ISO9001标准的来历、发展及基本要求;2:ISO9001标准重要术语;3:公司推行ISO9001标准的意义、计划及要求;4:质量体系认证的程序、正常实施及不断改进的过程;5:八项质量管理原则;6:ISO9001标准各条款祥解;7:公司质量管理体系文件(质量手册、程序文件、其余相关第三层次文件)要求。培训有效性评估很好■好□一般□考核方式及成绩口头提问。备注:培训记录表编号:ZH-6.2-01序号:06时间:2012年3月17日培训题目:岗位职责、作业文件培训教师:王科海地点:会议室培训方式:讲座培训人员签到姓名部门职任姓名部门职任张洪升生产部生产部长高建兵采购供应部销售部长杜鹏采购供应部采购部长李晶人力资源部主任陈守权质监部质监部长李娅丹办公室办公室文员王东林生产部一车间主任潘金春生产部二间主任培训内容摘要:1、岗位职责。2、作业文件。培训有效性评估很好■好□一般□考核方式及成绩口头提问。备注:培训记录表编号:ZH-6.2-01序号:07时间:2012年3月22日培训题目:主要法律法规学习培训教师:王科海地点:会议室培训方式:讲座培训人员签到姓名部门职任姓名部门职任冯海滨总经办总经理李祖来技术开发部总工程师高炳臣生产部生产副总陈...

1、当您付费下载文档后,您只拥有了使用权限,并不意味着购买了版权,文档只能用于自身使用,不得用于其他商业用途(如 [转卖]进行直接盈利或[编辑后售卖]进行间接盈利)。
2、本站所有内容均由合作方或网友上传,本站不对文档的完整性、权威性及其观点立场正确性做任何保证或承诺!文档内容仅供研究参考,付费前请自行鉴别。
3、如文档内容存在违规,或者侵犯商业秘密、侵犯著作权等,请点击“违规举报”。

碎片内容

培训记录表(同名18740)

您可能关注的文档

确认删除?
VIP
微信客服
  • 扫码咨询
会员Q群
  • 会员专属群点击这里加入QQ群
客服邮箱
回到顶部