电脑桌面
添加小米粒文库到电脑桌面
安装后可以在桌面快捷访问

基于MC14433的3位半数字万用表-原创VIP免费

基于MC14433的3位半数字万用表-原创_第1页
1/11
基于MC14433的3位半数字万用表-原创_第2页
2/11
基于MC14433的3位半数字万用表-原创_第3页
3/11
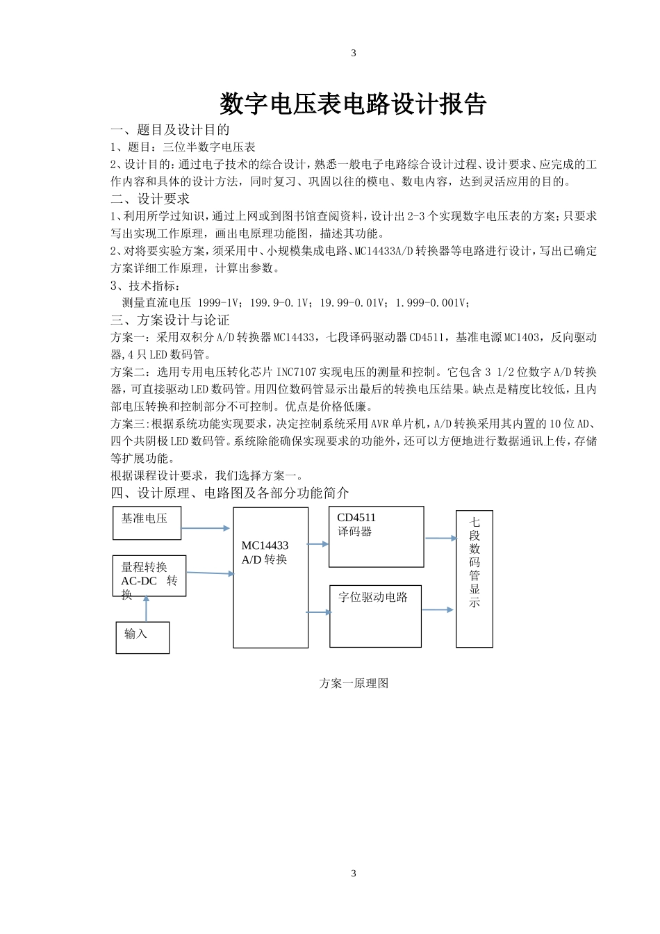
11河北建筑工程学院课程设计报告书课程名称:《电子技术》综合课程设计学院:电气工程学院专业:建筑电气与智能化班级:电智121学号:2012318113学生姓名:沈指导教师:杜职称:讲师2014年7月3日目录22一、题目及设计目的…………………………………………………………3二、设计要求…………………………………………………………3三、方案设计与论证………………………………………………………3四、设计原理、电路图及各部分功能简介4.1、原理图………………………………………………………44.2、功能简介………………………………………………………44.3、单元电路设计……………………………………………………44.3.1、MC14433………………………………………………54.3.2、MC1403………………………………………………64.3.3、MC1413……………………………………………64.3.4、MC4013………………………………………………64.3.5、CD4511……………………………………………74.3.6、显示及小数点控制电路……………………………………………84.3.7、读数保持电路…………………………………………84.3.8、量程转换开关的设计………………………………………84.3.9、电压跟随器和AC-DC转换电路……………………………………8五、电路的安装与调试……………………………………………………8六、设计心得与体会……………………………………………………………9附图1(元件清单)33数字电压表电路设计报告一、题目及设计目的1、题目:三位半数字电压表2、设计目的:通过电子技术的综合设计,熟悉一般电子电路综合设计过程、设计要求、应完成的工作内容和具体的设计方法,同时复习、巩固以往的模电、数电内容,达到灵活应用的目的。二、设计要求1、利用所学过知识,通过上网或到图书馆查阅资料,设计出2-3个实现数字电压表的方案;只要求写出实现工作原理,画出电原理功能图,描述其功能。2、对将要实验方案,须采用中、小规模集成电路、MC14433A/D转换器等电路进行设计,写出已确定方案详细工作原理,计算出参数。3、技术指标:测量直流电压1999-1V;199.9-0.1V;19.99-0.01V;1.999-0.001V;三、方案设计与论证方案一:采用双积分A/D转换器MC14433,七段译码驱动器CD4511,基准电源MC1403,反向驱动器,4只LED数码管。方案二:选用专用电压转化芯片INC7107实现电压的测量和控制。它包含31/2位数字A/D转换器,可直接驱动LED数码管。用四位数码管显示出最后的转换电压结果。缺点是精度比较低,且内部电压转换和控制部分不可控制。优点是价格低廉。方案三:根据系统功能实现要求,决定控制系统采用AVR单片机,A/D转换采用其内置的10位AD、四个共阴极LED数码管。系统除能确保实现要求的功能外,还可以方便地进行数据通讯上传,存储等扩展功能。根据课程设计要求,我们选择方案一。四、设计原理、电路图及各部分功能简介方案一原理图基准电压量程转换AC-DC转换输入MC14433A/D转换CD4511译码器字位驱动电路七段数码管显示44方案二原理图方案三原理图鉴于选用方案一,数字显示电压表将被测模拟量转换为数字量,并进行实时数字显示。该系统(如图1所示)可采用MC14433—三位半A/D转换器、MC1413七路达林顿驱动器阵列、CD4511BCD到七段锁存-译码-驱动器、能隙基准电源MC1403和共阴极LED发光数码管组成。(2)各部分的功能如下:三位半A/D转换器(MC14433):将输入的模拟信号转换成数字信号。基准电源(MC1403):提供精密电压,供A/D转换器作参考电压。译码器(MC4511):将二—十进制(BCD)码转换成七段信号。驱动器(MC1413):驱动显示器的a,b,c,d,e,f,g七个发光段,驱动发光数码管(LED)进行显示。显示器:将译码器输出的七段信号进行数字显示,读出A/D转换结果。(3)各部分简介:1)MC144331.MC14433是美国Motorola公司推出的单片31/2位A/D转换器,其中集成了双积分式A/D转换器所有的CMOS模拟电路和数字电路。具有外接元件少,输入阻抗高,功耗低,电源电压范围宽,精直流稳压电压转化芯片INC7107显示电路AVR单片机最小系统基准电压量程转换AC-DC转换七段数码管显示输入55度高等特点,并...

1、当您付费下载文档后,您只拥有了使用权限,并不意味着购买了版权,文档只能用于自身使用,不得用于其他商业用途(如 [转卖]进行直接盈利或[编辑后售卖]进行间接盈利)。
2、本站所有内容均由合作方或网友上传,本站不对文档的完整性、权威性及其观点立场正确性做任何保证或承诺!文档内容仅供研究参考,付费前请自行鉴别。
3、如文档内容存在违规,或者侵犯商业秘密、侵犯著作权等,请点击“违规举报”。

碎片内容

基于MC14433的3位半数字万用表-原创

您可能关注的文档

文章天下+ 关注
实名认证
内容提供者

各种文档应有尽有

确认删除?
VIP
微信客服
  • 扫码咨询
会员Q群
  • 会员专属群点击这里加入QQ群
客服邮箱
回到顶部