电脑桌面
添加小米粒文库到电脑桌面
安装后可以在桌面快捷访问

光学镜片超声波清洗机 技术规格详解VIP免费

光学镜片超声波清洗机 技术规格详解_第1页
1/9
光学镜片超声波清洗机 技术规格详解_第2页
2/9
光学镜片超声波清洗机 技术规格详解_第3页
3/9
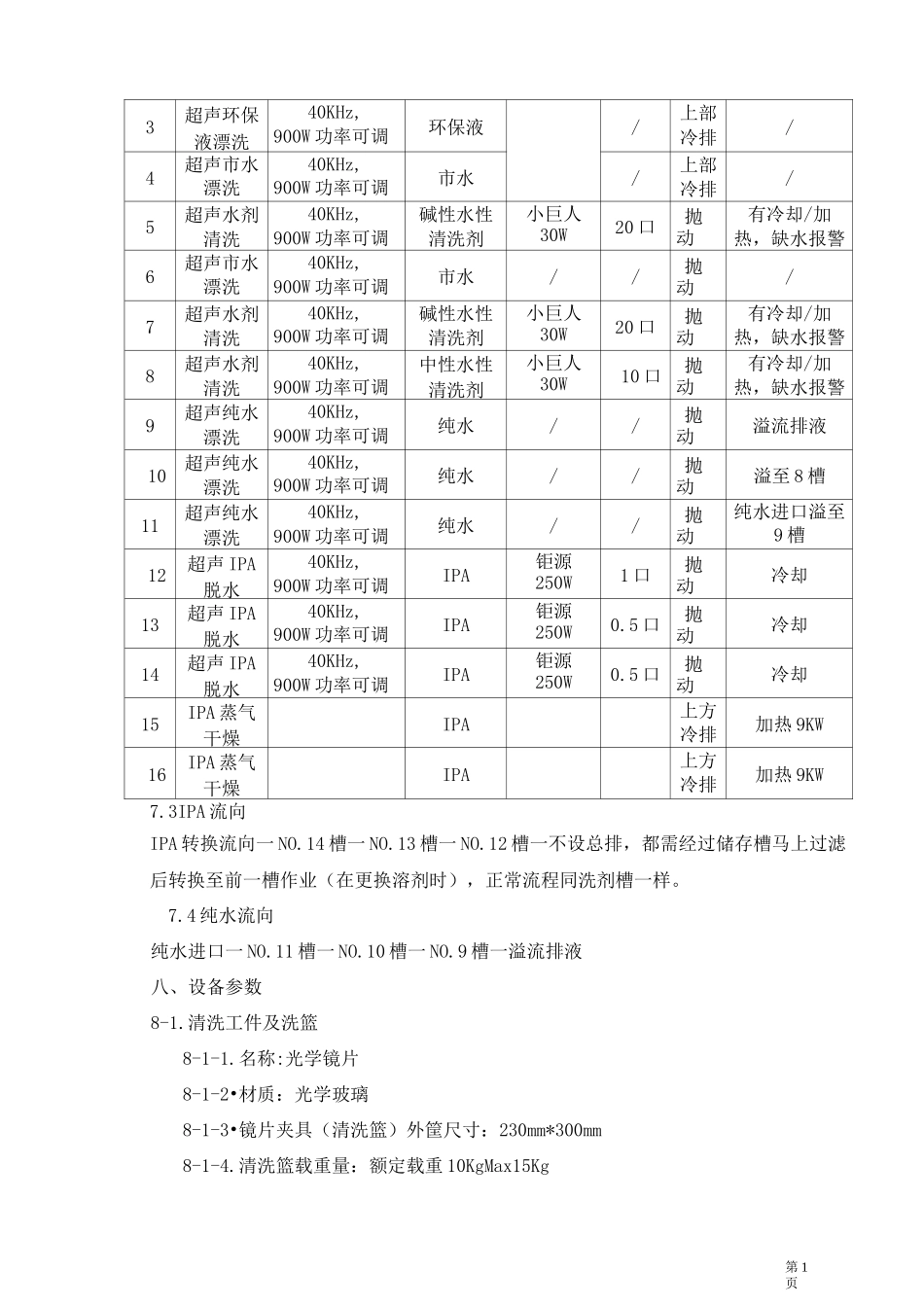
第1页HKD-17252ST半自动光学镜片超声波清洗机技术规格书一、设备名称:半自动光学镜片超声波清洗机四、设备用途:清洗光学玻璃表面污垢、并干燥。五、设备能力:节拍1〜5分钟(手工控制)清洗一篮。六、设备描述:为半自动光学镜片超声波清洗机,设备共有17个功能槽、配置有循环过滤系统、自动恒温系统、CO2自动灭火装置、抛动系统、抽风装置等组成。其中清洗部分与IPA干燥部分分别独立电器控制柜,设备采用环保型溶剂及水基溶剂洗涤、纯水漂洗、IPA脱水干燥,为环保型清洗机。此设备工艺配置为用户指定,为成熟工艺,具有外形美观,结构合理,使用寿命长,使用方便等特点。为光学镜片洗涤必不可少的设备。七、工艺流程7.1清洗流程|17蒸馏回收槽-I1超声环保液漂洗-2超声环保液漂洗I-3超声环保液漂(抛动)——13超声IPA脱水(抛动)——14超声IPA脱水(抛动)——15IPA蒸气干燥|f|16IPA蒸气干燥7.2工序配置工位工位名称超声波清洗液循环泵过滤器附加储液箱1超声环保液漂洗40KHz,900W功率可调环保液为连体槽,上部设冷排管,配蒸馏回收机/上部冷排/2超声环保液漂洗40KHz,900W功率可调环保液/上部冷排/第1页3超声环保液漂洗40KHz,900W功率可调环保液/上部冷排/4超声市水漂洗40KHz,900W功率可调市水/上部冷排/5超声水剂清洗40KHz,900W功率可调碱性水性清洗剂小巨人30W20口抛动有冷却/加热,缺水报警6超声市水漂洗40KHz,900W功率可调市水//抛动/7超声水剂清洗40KHz,900W功率可调碱性水性清洗剂小巨人30W20口抛动有冷却/加热,缺水报警8超声水剂清洗40KHz,900W功率可调中性水性清洗剂小巨人30W10口抛动有冷却/加热,缺水报警9超声纯水漂洗40KHz,900W功率可调纯水//抛动溢流排液10超声纯水漂洗40KHz,900W功率可调纯水//抛动溢至8槽11超声纯水漂洗40KHz,900W功率可调纯水//抛动纯水进口溢至9槽12超声IPA脱水40KHz,900W功率可调IPA钜源250W1口抛动冷却13超声IPA脱水40KHz,900W功率可调IPA钜源250W0.5口抛动冷却14超声IPA脱水40KHz,900W功率可调IPA钜源250W0.5口抛动冷却15IPA蒸气干燥IPA上方冷排加热9KW16IPA蒸气干燥IPA上方冷排加热9KW7.3IPA流向IPA转换流向一NO.14槽一NO.13槽一NO.12槽一不设总排,都需经过储存槽马上过滤后转换至前一槽作业(在更换溶剂时),正常流程同洗剂槽一样。7.4纯水流向纯水进口一NO.11槽一NO.10槽一NO.9槽一溢流排液八、设备参数8-1.清洗工件及洗篮8-1-1.名称:光学镜片8-1-2•材质:光学玻璃8-1-3•镜片夹具(清洗篮)外筐尺寸:230mm*300mm8-1-4.清洗篮载重量:额定载重10KgMax15Kg第1页8-2.设备要求8-2-1.设备附近2米范围内电源:380V±10%/50Hz三相四线最大清洗功率为25KW8-2-2.设备附近2米范围内自备市水:3/4〃接口:流量300--500L/h8-2-3.设备附近2米范围内自备纯水设备1/2〃接口:流量500---1000L/h8-2-4.设备附近有排水道2〃以上:8-3.占地要求设备整机尺寸:约L7500XW1400XH2100(mm)整机共分5段,蒸馏槽为一段,第1至4槽为一段,第5至8槽为一段,第9至14槽为一段,第15、16IPA干燥槽为一段;配电柜放在第一槽左侧。主机占地尺寸:约L8000XW2000XH2200(mm)厂房高约:2.5米8-4.环境要求空气温度:5〜40°C相对湿度:W90%九、设备各部分配置9-1超声环保溶剂槽(第1、2、3槽)数量3个槽体结构有效内尺寸一槽:L300XW400XH220(mm),二槽:L300XW400XH250(mm),三槽:L300XW400XH280(mm),材质进口SUS304板,62.0mm;结构◊此三槽与第四槽为连体槽,第三槽液满后向前溢流,最后由第一槽溢流口流至蒸馏加收槽。蒸馏回收后的溶剂补至第三槽。◊各槽底部皆设排液阀;第一槽与第二槽底部有球阀连通,◊第二、三槽液面有水封,第三槽设水进口,水满溢至第二槽,由二槽上部溢水口溢出。超声波系统位置震子粘于槽体底板,不用震板形式,底板镀铬后用不锈钢厚板通过螺钉锁在槽底,中间用铁氟龙板密封。再用0.8厚不锈钢盒围好锁住。超声震子震子数18只,功率900W(连续可调),米用美国TIE”晶片震子及进口粘接技术。超声频率40KHz。第1页冷冻系统结构一至四槽上部设冷排管,冷却管为SUS316L不锈钢无缝管,配冷水进出管。冷却源全部采用冷水冷却,冷水源由15HP水冷式冷水...

1、当您付费下载文档后,您只拥有了使用权限,并不意味着购买了版权,文档只能用于自身使用,不得用于其他商业用途(如 [转卖]进行直接盈利或[编辑后售卖]进行间接盈利)。
2、本站所有内容均由合作方或网友上传,本站不对文档的完整性、权威性及其观点立场正确性做任何保证或承诺!文档内容仅供研究参考,付费前请自行鉴别。
3、如文档内容存在违规,或者侵犯商业秘密、侵犯著作权等,请点击“违规举报”。

碎片内容

光学镜片超声波清洗机 技术规格详解

您可能关注的文档

确认删除?
VIP
微信客服
  • 扫码咨询
会员Q群
  • 会员专属群点击这里加入QQ群
客服邮箱
回到顶部