电脑桌面
添加小米粒文库到电脑桌面
安装后可以在桌面快捷访问

水上抛石护坡施工方案VIP免费

水上抛石护坡施工方案_第1页
1/7
水上抛石护坡施工方案_第2页
2/7
水上抛石护坡施工方案_第3页
3/7
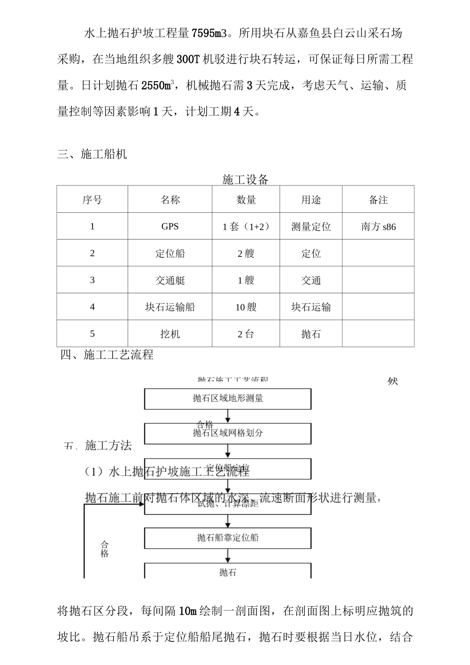
2011年度长江航道整治建筑物维修工程(燕子窝水道YR1护滩带右尾段、YR2护滩带右缘)水上抛石护坡施工方案编制:审核:上海长通疏浚工程有限公司年度长江中游燕子窝水道整治建筑物维修工程项目经理部二O—年十二月十六日水上抛石护坡施工方案一、水上抛石护坡概况本方案为年度长江航道整治建筑物维修工程(燕子窝水道护滩带右尾段、护滩带右缘)。本工程水上抛石护坡包含YR1护滩带右尾段和YR2护滩带右缘,抛石方量为7595m3。施工范围较小,可在规定工期内完成工程。平抛块石工程量如下表:水下抛石护脚各区工程量统计表序号分项工程名称单位护滩带右尾段护滩带右缘合计水上抛石护坡合计二、平抛块石施工工期安排水上抛石护坡施工计划:2012年12月19日至12月22日进行施工,计划工期4天。抛石施工工艺流程五、然水上抛石护坡工程量7595m3。所用块石从嘉鱼县白云山采石场采购,在当地组织多艘300T机驳进行块石转运,可保证每日所需工程量。日计划抛石2550m3,机械抛石需3天完成,考虑天气、运输、质量控制等因素影响1天,计划工期4天。三、施工船机施工设备序号名称数量用途备注1GPS1套(1+2)测量定位南方s862定位船2艘定位3交通艇1艘交通4块石运输船10艘块石运输5挖机2台抛石四、施工工艺流程将抛石区分段,每间隔10m绘制一剖面图,在剖面图上标明应抛筑的坡比。抛石船吊系于定位船船尾抛石,抛石时要根据当日水位,结合剖面图上标示的坡比,计算出抛石区的水深,抛石后的水深达到要求即可移动定位船,进行下一断面的抛石,抛石顺序为先上游后下游,先深水后浅水。(2)抛石船定位定位船设有5个电动绞关,通过控制5根钢缆而控制定位船的定位和移动。其中位于船头中部的主缆,承受整个定位船下漂的拉力,船头船尾各设两个开锚,控制船舶左右移动。定位船在指定抛石区定位,运石船从一侧靠泊定位船,采用机械抛投。施工时在岸上分段设立边线导标,运石民船到抛石区系靠于定位船,用GPS精确定好位后,再抛到指定的抛石区。抛石时加强检测,确保水下抛石均匀,达到设计要求后再用GPS指挥绞移定位船,每次定位船绞移距离均根据施工前测图的范围和实际检测的结果进行。抛石按先上游后下游、先深后浅的顺序进行。完成一个断面后,绞动定位船到下一个断面,再按上一断面施工程序进行施工。水上抛石施工示意图:(3)技术要求块石的质量、品种、规格、级配等必须符合设计要求,应质地坚硬,无风化剥落和裂纹,抗风化能力强,在水中或受冰冻后不崩解;不得使用薄片、条状、尖角等形状的石料,风化石、泥岩等不得作抛填石料;块石应具有合理的级配,以增大密实度,减少隙孔率,块石粒径0.20〜0.60m,平均粒径0.40m,粒径大于0.40m的比例应大于85%。施工时平抛二层即可达到设计要求。抛投护坡石时,按设计要求控制断面,应采用分层抛筑施工,还要充分考虑施工船舶的吃水和施工时的水位变化情况。(4)施工控制要点1、抛石的位置、范围及坡比应符合设计要求;抛石应分断面、分区间,按先上游后下游的顺序进行施工;抛压排石时要根据事先划分的施工网格计算抛石量;按设计要求分层进行抛石,先抛小块石,后抛大块石;2、抛石施工前后要测量施工区域水深、流速及漂距,根据漂距,由定位船控制抛石船舶的抛投位置;3、块石的级配要合理;抛石结束后,应对抛石区域的地形进行1:200测量,发现未抛到位处要及时补抛;4、抛石施工时要密切注意施工机械及施工人员的安全,防止机械和人员落水。5、抛护坡石时,应加强坡比的形成过程断面监测,严格控制坡比。抛筑前宜按根据水深长划分为若干个施工区段,并按设计断面尺寸计算每个施工区的工程量,绘制施工工艺图,作为工程量的控制依据。6、抛石施工需设置定位船舶定位施工,并对施工区进行流速、流向测量,以及块石抛投的水下飘移距离测定,以便控制施工作业定位精度。7、抛石施工应采用高精度测量仪器控导定位船抛筑。定位船上安装GPS全球定位系统,控导定位船舶施工。六、平抛块石施工安全控制措施()施工前先检查船机设备和挖掘机设备,确保其处于良好的工作状态。()挖掘机司机操作时必须穿救生衣,且挖掘机操控室门必须处于开启状态。()定位船的定位必须满足船舶在施工...

1、当您付费下载文档后,您只拥有了使用权限,并不意味着购买了版权,文档只能用于自身使用,不得用于其他商业用途(如 [转卖]进行直接盈利或[编辑后售卖]进行间接盈利)。
2、本站所有内容均由合作方或网友上传,本站不对文档的完整性、权威性及其观点立场正确性做任何保证或承诺!文档内容仅供研究参考,付费前请自行鉴别。
3、如文档内容存在违规,或者侵犯商业秘密、侵犯著作权等,请点击“违规举报”。

碎片内容

水上抛石护坡施工方案

确认删除?
VIP
微信客服
  • 扫码咨询
会员Q群
  • 会员专属群点击这里加入QQ群
客服邮箱
回到顶部