电脑桌面
添加小米粒文库到电脑桌面
安装后可以在桌面快捷访问

烟气管道施工方案要点VIP免费

烟气管道施工方案要点_第1页
1/16
烟气管道施工方案要点_第2页
2/16
烟气管道施工方案要点_第3页
3/16
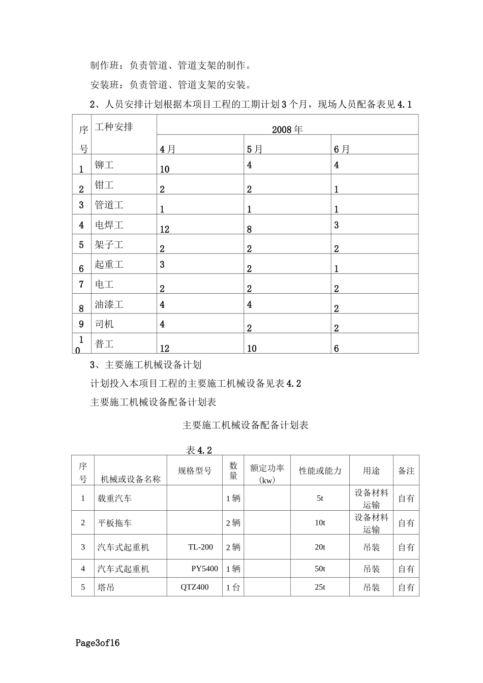
Page1of16一、工程概况………………………………………………………2二、工程特点………………………………………………………2三、编制依据………………………………………………………2四、施工部署………………………………………………………2五、施工工期和施工总进度计划…………………………………4六、通风管道制作安装工序流程及主要方案……………………4七、风管安装注意事项……………………………………………10八、质量保证体系及保证措施……………………………………10九、安全保证体系及保证措施……………………………………11十、文明施工、卫生、消防、环保措施16十一、安装进度计划表…………………………………………16Page2of16一、工程概述熔炼厂房中含有艾萨炉、转炉、粗铜浇注三套通风系统,分别位于艾萨炉主厂房、转炉主厂房、粗铜浇注主厂房。艾萨炉通风系统主要工艺是烟气从艾萨炉体及贫化电炉各个排烟罩吸出,通过©680和©1100、©1250等管路汇集到©1400通风管道,由艾萨炉排风烟机排送到75m高的烟囱外。转炉通风系统主要工艺是烟气从三台转炉环保烟罩排入到©1250烟管,再汇集到©1900烟管,并最终由艾萨炉主厂房西侧的转炉排送风机排送到75m高的烟囱外。粗铜浇注通风系统主要工艺是烟气从粗铜保温炉的两个排烟罩排入到©680和©1100两根烟管中,由两台离心风机排出烟囱外。二、工程特点1、根据现场制作条件,©400以上的管道均在现场制作。2、通风烟管管径较大,大部分管径在©1000mm以上。3、烟管管线的位置相对比较集中,安装时,应注意先后顺序。4、烟气排放管顶部标高位置在▽75m。5、由于管线都穿插于狭窄场地中,高度较高,且高空对接较多,施工难度大。所以在施工组织安排中必须应充分考虑到人员、材料、机械等各类资源的合理配备和组织协调6、施工安装高空作业多,且各个专业交叉作业,危险性大,安全管理难度大,需采取有效的安全防护措施。三、编制依据1、《通风与空调工程施工质量验收规范》GB50243-20022、《通风与空调工程通用图集》91SB6-13、设计院蓝图28907008-2、3、44、建设监理咨询有限公司管道与通风工程监理实施细则四、施工部署1、工程任务划分根据本工程的工程量情况,施工现场计划设置一个制作班,一个安装班。Page3of16制作班:负责管道、管道支架的制作。安装班:负责管道、管道支架的安装。2、人员安排计划根据本项目工程的工期计划3个月,现场人员配备表见4.1序号工种安排2008年4月5月6月1铆工10442钳工2213管道工1114电焊工12835架子工2226起重工3217电工2228油漆工4429司机42210普工121063、主要施工机械设备计划计划投入本项目工程的主要施工机械设备见表4.2主要施工机械设备配备计划表主要施工机械设备配备计划表表4.2序号机械或设备名称规格型号数量额定功率(kw)性能或能力用途备注1载重汽车1辆5t设备材料运输自有2平板拖车2辆10t设备材料运输自有3汽车式起重机TL-2002辆20t吊装自有4汽车式起重机PY54001辆50t吊装自有5塔吊QTZ4001台25t吊装自有Page4of16序号机械或设备名称规格型号数量额定功率(kw)性能或能力用途备注6卷扬机JJ.M31台3t吊装自有7卷扬机JJ.M11台1t吊装自有8经纬仪J22台测量自有9水准仪S31台±3mm/1km测量自有10交流电焊机BX3-5OO-120台焊接自有11自动红外线焊条烘烤炉ZYH-1001台烘烤焊条自有12半自动切割机CG1-304台切割自有13磁力钻T3C-01-324台钻孔自有14涂层测厚仪GTG-101台质量检测自有15角磨机①150、①100各8自有五、施工工期和施工总进度计划根据总体工期计划,其整个项目工期为3个月,其具体进度计划见附表六、通风管道制作安装工序流程及主要方案1、风管制作安装工序流程图6.1管道制作安装主要施工程序图2、烟风管道制作A、材料、阀门检验按合格证的记录、设计要求和施工验收规范要求检查运到现场的钢板、管子、管件、阀门、支架型材、焊接材料及防腐保温材料,质量达不到要求的一律不能投入工程使用。B、下料:根据施工图纸绘制排版图,按排版图或技术交底选用适当的工具下料。C、切割下料后,应清除边缘的金属毛刺,渣滓、溅斑、熔瘤等Page5of16D、坡口加工:坡口形式应根据施工图...

1、当您付费下载文档后,您只拥有了使用权限,并不意味着购买了版权,文档只能用于自身使用,不得用于其他商业用途(如 [转卖]进行直接盈利或[编辑后售卖]进行间接盈利)。
2、本站所有内容均由合作方或网友上传,本站不对文档的完整性、权威性及其观点立场正确性做任何保证或承诺!文档内容仅供研究参考,付费前请自行鉴别。
3、如文档内容存在违规,或者侵犯商业秘密、侵犯著作权等,请点击“违规举报”。

碎片内容

烟气管道施工方案要点

确认删除?
VIP
微信客服
  • 扫码咨询
会员Q群
  • 会员专属群点击这里加入QQ群
客服邮箱
回到顶部