电脑桌面
添加小米粒文库到电脑桌面
安装后可以在桌面快捷访问

塔式起重机市场分析报告201311VIP免费

塔式起重机市场分析报告201311_第1页
1/12
塔式起重机市场分析报告201311_第2页
2/12
塔式起重机市场分析报告201311_第3页
3/12
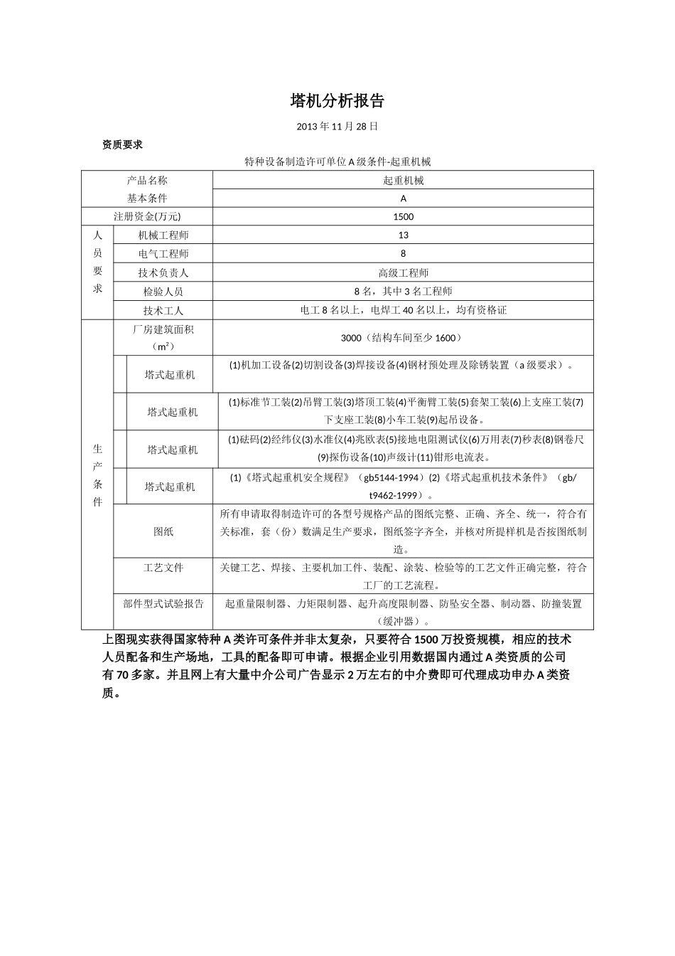
塔机分析报告2013年11月28日资质要求特种设备制造许可单位A级条件-起重机械产品名称基本条件起重机械A注册资金(万元)1500人员要求机械工程师13电气工程师8技术负责人高级工程师检验人员8名,其中3名工程师技术工人电工8名以上,电焊工40名以上,均有资格证生产条件厂房建筑面积(m2)3000(结构车间至少1600)塔式起重机(1)机加工设备(2)切割设备(3)焊接设备(4)钢材预处理及除锈装置(a级要求)。塔式起重机(1)标准节工装(2)吊臂工装(3)塔顶工装(4)平衡臂工装(5)套架工装(6)上支座工装(7)下支座工装(8)小车工装(9)起吊设备。塔式起重机(1)砝码(2)经纬仪(3)水准仪(4)兆欧表(5)接地电阻测试仪(6)万用表(7)秒表(8)钢卷尺(9)探伤设备(10)声级计(11)钳形电流表。塔式起重机(1)《塔式起重机安全规程》(gb5144-1994)(2)《塔式起重机技术条件》(gb/t9462-1999)。图纸所有申请取得制造许可的各型号规格产品的图纸完整、正确、齐全、统一,符合有关标准,套(份)数满足生产要求,图纸签字齐全,并核对所提样机是否按图纸制造。工艺文件关键工艺、焊接、主要机加工件、装配、涂装、检验等的工艺文件正确完整,符合工厂的工艺流程。部件型式试验报告起重量限制器、力矩限制器、起升高度限制器、防坠安全器、制动器、防撞装置(缓冲器)。上图现实获得国家特种A类许可条件并非太复杂,只要符合1500万投资规模,相应的技术人员配备和生产场地,工具的配备即可申请。根据企业引用数据国内通过A类资质的公司有70多家。并且网上有大量中介公司广告显示2万左右的中介费即可代理成功申办A类资质。中国塔式起重机行业分析及市场前景报告据考证,塔式起重机发明于20世纪之初的欧洲。1900年有了第一个塔机专利,1905年出现了塔身固定的臂架式起重机,第一次、二次世界大战后塔机得到快速发展。中国塔机始于20世纪50年代。综观50年发展史,我国塔机行业从无到有,从小到大,逐步形成了较为完整的体系和比较完整的系列型谱,塔机成为建筑施工中的关键设备,塔机行业也成为我国发展最快的建筑机械行业之一。我们只用了50年时间走完了国外发达国家上百年塔机发展的路程,如今中国塔机已经批量走进国际市场。目前我国已成为世界塔机生产大国,也是世界塔机主要需求市场之一。一、国内塔机50年回顾50年代初,我国塔机由仿制开始起步,1954年仿制东德建筑师Ⅰ型塔机,60年代自行设计制造了25tm、40tm、60tm几种机型,多以动臂式为主;70年代,随着高层建筑的增多对施工机械提出了新的要求,于是,160tm附着式、45tm内爬式、120tm自升式等塔机相继问世;80年代,国家建设突飞猛进,建筑用最大的250tm塔机QTZ250应运而生。特别是1984年,通过引进法国POTAIN(波坦)公司技术大大缩短了与国外的差距,使我国塔机发展步入快行道。近20年来,我国塔机行业发展呈现了以下一些特点:1、市场需求强劲产销持续旺盛自上世纪80年代以来,我国塔机行业得到快速发展,尤其近几年,塔机销量持续攀高,2001年行业统计销量9738台,2002年成为世界上首个塔机年产量突破10000台的国家。2004年,由于宏观调控作用以及起重机行业的结构调整,塔机的产销量有所回落,2005、2006年,在经济高速增长的强力拉动下,我国塔机的产销恢复高速增长,2006年销量已超过2万台。由于行业管理及统计的局限性,塔机产销量历来是一个大家都想知道而谁也说不清的数字,因为行业统计只统计了二三十家生产企业的销量,全行业销量肯定远远超过统计数字,本刊根据采访的部分业内专家给出了估计数字,见表1,供读者参考。勿庸置疑,我国已成为世界民用塔机的生产大国,也是世界塔机主要需求市场之一。据初步统计,目前我国取得生产许可证的塔机生产厂达400余家,而80年代还不足100家。2、引进技术迅速提升行业水平1984年,国家批准四川建筑机械厂、沈阳建筑机械厂、北京建筑工程机械厂联合从法国波坦公司引进塔机专有技术及生产许可证,引进F0/23B等3种型号塔机技术,并于次年成功试制了FO/23B塔机,这是我国塔机发展史上的里程碑,大大缩短了与国外的差距,使我国塔机发展步入了快行道。通过消化、吸收国外先进技术,我国80年代自行研制的QT80、QTZ12...

1、当您付费下载文档后,您只拥有了使用权限,并不意味着购买了版权,文档只能用于自身使用,不得用于其他商业用途(如 [转卖]进行直接盈利或[编辑后售卖]进行间接盈利)。
2、本站所有内容均由合作方或网友上传,本站不对文档的完整性、权威性及其观点立场正确性做任何保证或承诺!文档内容仅供研究参考,付费前请自行鉴别。
3、如文档内容存在违规,或者侵犯商业秘密、侵犯著作权等,请点击“违规举报”。

碎片内容

塔式起重机市场分析报告201311

您可能关注的文档

确认删除?
VIP
微信客服
  • 扫码咨询
会员Q群
  • 会员专属群点击这里加入QQ群
客服邮箱
回到顶部