电脑桌面
添加小米粒文库到电脑桌面
安装后可以在桌面快捷访问

基础筏板报验--6VIP免费

基础筏板报验--6_第1页
1/6
基础筏板报验--6_第2页
2/6
基础筏板报验--6_第3页
3/6
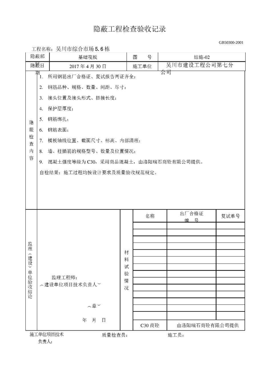
基础筏板报验申请表工程名称:吴川市综合市场5.6栋编号:致:堪江市鹏程工程监理公司(监理单位)我单位已完成了5#楼基础筏板钢筋绑扎及模板支设工作,现报上该工程报验申请表,请予以审查和验收。附件:1.隐蔽工程验收记录:2.模板制安工程检验质量验收记录:3..钢筋加工、钢筋连接、钢筋安装工程检验质量验收记录承包单位(章)吴川市建设工程公司第七分公司项目经理日期审查意见:建设单位(章)项目监理机构总/专业监理工程师日期隐蔽工程检查验收记录GB50300-2001工程名称:吴川市综合市场5.6栋钢筋加工工程检验批质量验收记录表(I)单立(子单立)工程名称吴川市综合市场5#楼分部(子分部)工程名称混凝土基础子分部验收部位筏板基础施工单位吴川市建设工程公司第七分公司项目经理分包单位/分包项目经理/施工执行标隹名称及编号《混凝土结构工程施工丄::艺标准钢筋加工QB-H003-2002》[|监理(建设)施工质量验收规范的规定施工单位检查评定记录单位验攵记录1力学性能检验第5.2.1条V主2抗震用钢筋强度实测值第522条V控打3化学成分等专项检验第5.2.3条项/目4受力钢筋的弯钩和弯折第5.3.1条V5箍筋弯钩形式第5.3.2条V1外观质量第5.2.4条V2钢筋调直第5.3.3条V毗受力钢筋顺长度方般飯|筛..±10mm-8105-655-657-8项向全长的净尺寸八加丄目3的形弯起钢筋的弯折位置±20mm121015⑥13181520109状、尺寸箍筋内净尺寸±5mm-52-432524-5专业工长(施工员)施工班组长施工单位检查评定结果项目专业质量检查员:年月日单理(建设)单位验收结论专业单理丄程师:(建设单位项目专业技术负责人)年月日钢筋连接检验批质量验收记录工程名称吴川市综合市场5#楼分项工程名称混凝土基础子分部验收部位筏板基础施工单位吴川市建设工程公司第七分公司专业工长赵金水项目经理施工执行标准名称及编号《钢筋混凝土结构工程施工工艺标准钢筋连接QB-H0011-2002》分包单位/分包项目经理/施工班组长/质量验收规范的规定施工单位检杳评定记录监理(建设)单位验收记录主控项目1纵向受力钢筋的连接方式应符合设计(5.4.1)V2应按现行国家标准的规定抽取钢筋机械连接接头、焊接接头试件作力学性能检验,其质量应符合有关规程的规定(5.4.2)V般项目1钢筋的接头宜设置在受力较小处。同一纵向受力钢筋不宜设置两个或两个以上接头。接头末端至钢筋弯起点的距离不应小于钢筋直径的V2机械连接接头、焊接接头的外观质量应符合规定(544)V3采用机械连接接头'焊接接头时,设置在同一构件内的接头宜相互错开。同一连接区段内接头面积百分率应符合规定(5.4.5)V4绑扎搭接接头宜相互错开。绑扎搭接接头中钢筋的横向净距不应小于钢筋直径,且不应小于25mm。同一连接区段内接头面积百分率应符合V5在梁、柱类构件的纵向受力钢筋搭接长度范围内,应按设计要求配置箍筋。当设计无具体要求时,应符合下列规定:(1)箍筋直径不应小于搭接钢筋较大直径的0.25倍;(2)受拉搭接区段的箍筋间距不应大于搭接钢筋较小直径的5倍,且不应大于100mm;(3)受压搭接区段的箍筋间距不应大于搭接钢筋较小直径的10倍,且不应大于200mm;(4)当柱中纵向受力钢筋直径大于25mm时,应在搭接接头两个端面外100mm范围内各设置两个/施工单位检杳评定结果项目专业质量检杳员:年月日监理(建设)单位验收结论监理工程师:(建设单位项目专业技术负责人)年月日钢筋安装工程检验批质量验收记录表(II)单位(子单位)工程名称吴川市综合市场5#楼分部(子分部)工程名称混凝土基础子分部验收部位筏板基础施工单位吴川市建设工程公司第七分公司项目经理分包单位/分包项目经理/施工执行标准名称及编号《混凝土结构工程施工工艺标准钢筋安装QB-H004-2002》施工质量验收规范的规定施工单位检查评定记录监1(建设)单位验收5录主控项目1纵向受力钢筋的连接方式第5.4.1条V2机械连接和焊接接头的力学性能第5.4.2条有钢筋连接试验报告,试验为合格3受力钢筋的品种、级别、规格-和数量.1条满足设计要求般项目1接头位置和数量第5.4.3条接头位置正确2机械连接、焊接的外观质量第5.4.4条V3机械连接、焊接的接头面积百1■分率.4.5条接头面积均小于50度4绑扎搭接接头...

1、当您付费下载文档后,您只拥有了使用权限,并不意味着购买了版权,文档只能用于自身使用,不得用于其他商业用途(如 [转卖]进行直接盈利或[编辑后售卖]进行间接盈利)。
2、本站所有内容均由合作方或网友上传,本站不对文档的完整性、权威性及其观点立场正确性做任何保证或承诺!文档内容仅供研究参考,付费前请自行鉴别。
3、如文档内容存在违规,或者侵犯商业秘密、侵犯著作权等,请点击“违规举报”。

碎片内容

基础筏板报验--6

wxg+ 关注
实名认证
内容提供者

该用户很懒,什么也没介绍

确认删除?
VIP
微信客服
  • 扫码咨询
会员Q群
  • 会员专属群点击这里加入QQ群
客服邮箱
回到顶部