电脑桌面
添加小米粒文库到电脑桌面
安装后可以在桌面快捷访问

灌溉检验批质量验收记录VIP免费

灌溉检验批质量验收记录_第1页
1/43
灌溉检验批质量验收记录_第2页
2/43
灌溉检验批质量验收记录_第3页
3/43
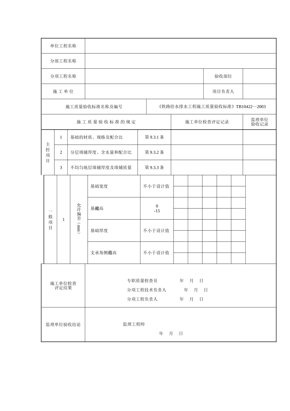
开挖检验批质量验收记录表05030101□□□单位工程名称分部工程名称分项工程名称验收部位施工单位项目负责人施工质量验收标准名称及编号《铁路给水排水工程施工质量验收标准》TB10422—2003施工质量验收标准的规定施工单位检查评定记录监理单位验收记录主控项目1沟管中心线第9.2.1条2局部超挖第9.2.2条3沟管开挖深度第9.2.3条一般项目1高程允许偏差(mm)土质无压力管道管沟基底±20有压力管到管沟基底±102石质管沟基底+20-200施工单位检查评定结果专职质量检查员年月日分项工程技术负责人年月日分项工程负责人年月日监理单位验收结论监理工程师年月日砂和砂砾管道基础检验批质量验收记录表05030102□□□单位工程名称分部工程名称分项工程名称验收部位施工单位项目负责人施工质量验收标准名称及编号《铁路给水排水工程施工质量验收标准》TB10422—2003施工质量验收标准的规定施工单位检查评定记录监理单位验收记录主控项目1基础的材质、规格及配合比第9.3.1条2分层填铺厚度、含水量和配合比第9.3.2条3不均匀地层填铺厚度及填铺质量第9.3.3条一般项目1允许偏差(mm)基础宽度不小于设计值基础高度0-15基础厚度不小于设计值支承角侧边高程不小于设计值施工单位检查评定结果专职质量检查员年月日分项工程技术负责人年月日分项工程负责人年月日监理单位验收结论监理工程师年月日说明主控项目1.砂和砂砾管道基础的材质、规格及配合比应符合设计要求。砂石应搅拌均匀。当设计无要求时,砂和砂砾的有机物含量及含泥量不得大于5%。检验数量:施工单位、监理单位每批检查1次。检验方法:观察、试验室检验。2.砂和砂砾基础的分层填铺厚度、含水量、压实度应符合设计要。当设计无要求时,砂和砂砾基础铺筑应符合下表的规定。砂和砂砾地基每层铺筑厚度及最佳含水量捣实方法每层铺筑厚度(mm)最佳含水量(%)平振法200~25015~20夯实法150~2008~10检验数量:施工单位每50m检查1处、监理单位旁站监理。检验方法:尺量检查、根据土质类别,应符合《铁路工程土工试验规程》(TB10102)的有关规定。3.施工基底为岩石、半岩石或卵石等不均匀地基,当设计无要求时,均应铺设厚度不小于0.2m的砂或砂砾垫层。砂或砂砾垫层铺设均匀、连续、平整。检验数量:施工单位、监理单位每50m检查1处。检验方法:观察、尺量检查。一般项目1.砂和砂砾基础允许偏差及检验方法应符合下表的规定。砂和砂砾基础允许偏差及检查方法项目允许偏差(mm)检验方法宽度不应小于设计规定尺量、观察、水准仪检查高程0,-15厚度不应小于设计规定支承角侧边高程不应小于设计规定检验数量:施工单位每50m检查1处。回填检验批质量验收记录表05030106□□□单位工程名称分部工程名称分项工程名称验收部位施工单位项目负责人施工质量验收标准名称及编号《铁路给水排水工程施工质量验收标准》TB10422—2003施工质量验收标准的规定施工单位检查评定记录监理单位验收记录主控项目1回填基本要求及铸铁、钢管回填第9.6.1条2聚乙烯、聚氯乙烯管回填第9.6.2条3路面范围内井室回填第9.6.3条4沟槽回填第9.6.4条5管顶0.5m以上回填第9.6.5条一般项目1绿地和农田范围内回填第9.6.6条施工单位检查评定结果专职质量检查员年月日分项工程技术负责人年月日分项工程负责人年月日监理单位验收结论监理工程师年月日说明主控项目1.管道铺设完毕,应及时回填管道两侧及管顶上0.5m范围内的土方,管道接口部分不填。回填时应从管道两侧对称分层夯实,分层摊铺的厚度不宜大于0.2m。当管道压力试验合格,再回填接口部分和管顶0.5m以上的全部土方。回填土压实度:铸铁管道、钢筋混凝土管道应达到90%以上,钢管道应达到95%以上。铁路路基、站场、公路内的沟槽回填土压实度应符合设计要求。沟槽回填土时,必须排除槽内全部积水。检验数量:施工单位每100m检查1处、监理单位旁站监理。检验方法:观察、尺量检查、根据土质类别,应符合《铁路工程土工试验规程》(TB10102)的有关规定。2.聚乙烯管和硬聚氯乙烯管,应先回填管道两侧面腋下的三角区部分(管中心120°范围内),然后对管道两侧进行对称分层夯填至管顶平,夯填密度达到95%。管顶以上0.5m夯...

1、当您付费下载文档后,您只拥有了使用权限,并不意味着购买了版权,文档只能用于自身使用,不得用于其他商业用途(如 [转卖]进行直接盈利或[编辑后售卖]进行间接盈利)。
2、本站所有内容均由合作方或网友上传,本站不对文档的完整性、权威性及其观点立场正确性做任何保证或承诺!文档内容仅供研究参考,付费前请自行鉴别。
3、如文档内容存在违规,或者侵犯商业秘密、侵犯著作权等,请点击“违规举报”。

碎片内容

灌溉检验批质量验收记录

金钥匙书屋+ 关注
实名认证
内容提供者

热爱教育事业,爱好互联网行业

确认删除?
VIP
微信客服
  • 扫码咨询
会员Q群
  • 会员专属群点击这里加入QQ群
客服邮箱
回到顶部