电脑桌面
添加小米粒文库到电脑桌面
安装后可以在桌面快捷访问

信号限界测量VIP免费

信号限界测量_第1页
1/19
信号限界测量_第2页
2/19
信号限界测量_第3页
3/19
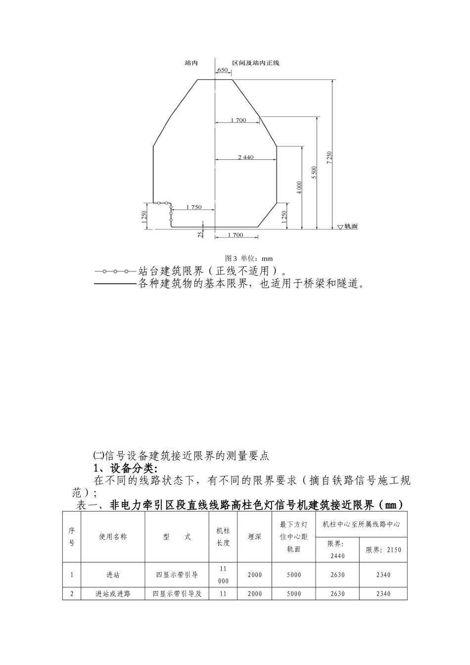
信号设备限界测量说明一、限界测量简介㈠不同的线路速度,对应的信号设备建筑接近限界有着不同的要求,具体如下(摘自技规附图):1、客货共线铁路建筑限界(υ≤160km/h)的基本建筑限界图图1单位:mm信号机建筑限界(正线不适用)。站台建筑限界(正线不适用)。各种建筑物的基本限界。适用于电力牵引区段的跨线桥、天桥及雨棚等建筑物。电力牵引区段的跨线桥在困难条件下的最小高度。2、客货共线铁路建筑限界(160km/h<υ≤200km/h)基本建筑限界图图2单位:mm信号机建筑限界(正线不适用)。站台建筑限界(正线不适用)。各种建筑物的基本限界。适用于电力牵引区段的跨线桥、天桥及雨棚等建筑物。电力牵引区段的跨线桥在困难条件下的最小高度。3、客运专线铁路建筑限界(200km/h≤υ≤350km/h)基本建筑限界图5200图3单位:mm站台建筑限界(正线不适用)。各种建筑物的基本限界,也适用于桥梁和隧道。㈡信号设备建筑接近限界的测量要点1、设备分类:在不同的线路状态下,有不同的限界要求(摘自铁路信号施工规范);表一、非电力牵引区段直线线路高柱色灯信号机建筑接近限界(mm)序号使用名称型式机柱长度埋深最下方灯位中心距轨面机柱中心至所属线路中心限界:2440限界:21501进站四显示带引导1100020005000263023402进站或进路四显示带引导及112000500026302340进站表示器0003进站或进路五显示带引导1100020005000263023404出站或发车进路四显示带进路表示器1100020005400263023405出站或发车进路四显示带二排进路表示器1100020005400263023406出站或发车进路五显示1100020005300263023407出站或发车进路四显示1000020005300263023408出站或发车进路三显示带进路表示器1000020005400263023409出站或发车进路三显示8500170053002630234010出站、调车、预告二显示8500170053002630234011复示方板8500170055002630234012通过三显示850017004500263013通过三显示带容许850017003500263014遮断方板一显示850017005500263015驼峰及驼峰辅助四显示10000200053002630234016驼峰复示四显示(带方板)100002000530026302340表二、矮型色灯信号机建筑接近限界序号使用名称型式机构间距基础埋深基础顶面到轨面基础中心距所属线路中心机构中心距所属线路中心1出站或进路五显示340400200-300219920292出站或进路四显示340400200-300219920293出站或进路四显示带进路表示器340400200-300219920294出站或进路三显示500200-30020295出站或进路三显示带进路表示器50080-12021636出站或调车二显示500200-30020297复示方板一显示500200-3002095表三、交流电力牵引区段直线线路高柱信号机安装限界序号使用名称型式机柱最下方灯位中心至轨面所属线路中心至说明长度埋深机柱中心机构中心1进站四显示带引导85001700350029002670第一、二位机构中心间距为1200;第二位机构最下方灯位中心至引导机构中心为720。2预告二显示85001700450029002600机构改装在所属线路侧3通过三显示85001700450029002600机构改装在所属线路侧4通过三显示带容许85001700450029002700机构改装在所属线路侧表四、交流电力牵引区段高柱出站信号机安装限界序号使用名称型式机柱最下方灯位中心距轨面所属线路中心至邻近线路说明长度埋深机柱中心机构中心限界:2440限界:21501出站二显示850017005300290027002440线间距53002出站三显示850017005200290027002440线间距53003出站四显示100020004700290027002440线间距53004出站二显示850017005300290027002630线间距55305出站三显示850017005200290027002630线间距55306出站四显示100020004700290027002630线间距5530其他信号设备:⑴发车表示器采用混凝土机柱安装时,可采用8.5m型,机构中心距所属线路轨面的高度不得小于5800mm。如安装在站台风雨棚下采用吊装方式时,机构中心距所属线路轨面高度不得小于3500mm,机构中心距所属线路轨面高度不得小于3500mm,距所属线路中心不得小于2576mm。⑵发车线路表示器,基础顶面距所属线路轨面为200-300mm,基础埋深不得小于500mm,机构中心距所属线路中心不得小于2029mm。⑶道岔转辙握柄,握柄底座面距轨底为142mm,握柄中心距邻近线路中...

1、当您付费下载文档后,您只拥有了使用权限,并不意味着购买了版权,文档只能用于自身使用,不得用于其他商业用途(如 [转卖]进行直接盈利或[编辑后售卖]进行间接盈利)。
2、本站所有内容均由合作方或网友上传,本站不对文档的完整性、权威性及其观点立场正确性做任何保证或承诺!文档内容仅供研究参考,付费前请自行鉴别。
3、如文档内容存在违规,或者侵犯商业秘密、侵犯著作权等,请点击“违规举报”。

碎片内容

信号限界测量

金钥匙书屋+ 关注
实名认证
内容提供者

热爱教育事业,爱好互联网行业

确认删除?
VIP
微信客服
  • 扫码咨询
会员Q群
  • 会员专属群点击这里加入QQ群
客服邮箱
回到顶部