电脑桌面
添加小米粒文库到电脑桌面
安装后可以在桌面快捷访问

乔木材料报审、检验批、VIP免费

乔木材料报审、检验批、_第1页
1/45
乔木材料报审、检验批、_第2页
2/45
乔木材料报审、检验批、_第3页
3/45
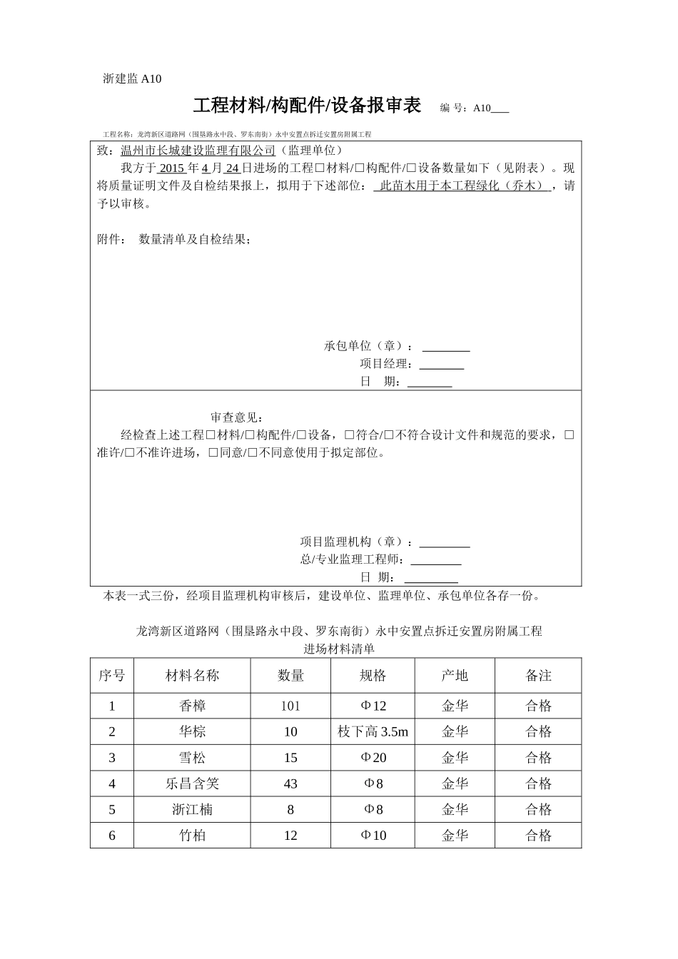
浙建监A10工程材料/构配件/设备报审表编号:A10工程名称:龙湾新区道路网(围垦路永中段、罗东南街)永中安置点拆迁安置房附属工程致:温州市长城建设监理有限公司(监理单位)我方于2015年4月24日进场的工程□材料/□构配件/□设备数量如下(见附表)。现将质量证明文件及自检结果报上,拟用于下述部位:此苗木用于本工程绿化(乔木),请予以审核。附件:数量清单及自检结果;承包单位(章):项目经理:日期:审查意见:经检查上述工程□材料/□构配件/□设备,□符合/□不符合设计文件和规范的要求,□准许/□不准许进场,□同意/□不同意使用于拟定部位。项目监理机构(章):总/专业监理工程师:日期:本表一式三份,经项目监理机构审核后,建设单位、监理单位、承包单位各存一份。龙湾新区道路网(围垦路永中段、罗东南街)永中安置点拆迁安置房附属工程进场材料清单序号材料名称数量规格产地备注1香樟101Φ12金华合格2华棕10枝下高3.5m金华合格3雪松15Φ20金华合格4乐昌含笑43Φ8金华合格5浙江楠8Φ8金华合格6竹柏12Φ10金华合格7丹桂60d8金华合格8金桂6Φ20金华合格9枇杷树26Φ8金华合格10无柄小叶榕30Φ12金华合格11银杏26Φ12金华合格12合欢24Φ8金华合格13无患子9Φ15金华合格14二乔玉兰16Φ10金华合格15重瓣木槿90d6金华合格16紫叶李32d8金华合格17垂丝海棠82d6金华合格18山茶49d6金华合格监理单位意见:签字:日期:浙建监A5—3树木栽植(乔木)工程报验申请表编号:A5—3工程名称:龙湾新区道路网(围垦路永中段、罗东南街)永中安置点拆迁安置房附属工程致:温州市长城建设监理有限公司(监理单位)我单位已完成了绿化苗木栽种(乔木)工程,按设计文件及有关规范进行了自检,质量合格,请予以检查和验收。附件:1、隐蔽工程验收记录□2、树木工程检验批质量验收记录□3、乔木支撑及卷干报验单承包单位(章):项目经理:日期:审查意见:□所报隐蔽工程的技术资料□齐全/□不齐全,且□符合/□不符合要求,经现场检测、核查□合格/□不合格,□同意/不同意隐蔽。□所报检验批的技术资料□齐全/□不齐全,且□符合/□不符合要求,经现场检测、核查□合格/□不合格,□同意/不同意进行下道工序。□检验批的技术资料基本齐全,且基本符合要求,因□砂浆/□砼试块强度试验报告未出具,暂同意进行下道工序,待□砂浆/□砼试块试验报告补报后予以质量认定。□所报分项工程的各检验批的验收资料□完整/□不完整,且□全部/□未全部达到合格要求,经现场检测、核查□合格/□不合格。□所报分部(子分部)工程的技术资料□齐全/□不齐全,且□符合/□不符合要求,经现场检测、核查□合格/□不合格。□纠正差错后再报。项目监理机构(章):总/专业监理工程师:日期:本表一式三份,经项目监理机构审核后,建设单位、监理单位、承包单位各存一份。植物材料(乔木)工程检验批质量验收记录编号:0201工程名称龙湾新区道路网(围垦路永中段、罗东南街)永中安置点拆迁安置房附属工程分项工程名称乔木栽种项目负责人李峰施工单位富阳富春江绿化有限公司验收内容香樟101株(胸径12)施工执行标准名称及编号《城市绿化工程施工及验收规范》(CJJ/T82-99)《城市园林绿化工程施工及验收规范》(DB11/T212-2003)专业工长(施工员)刘圆分包单位/分包项目负责人/施工班组沈克生长质量验收标准的规定施工单位自检记录监理(建设)单位验收记录主控项目1植物材料必须符合设计要求(5.2.2)符合要求2乔木带土球或根盘规格(表5.2.3-1)符合要求3乔木树形要求(5.2.4)符合要求一般项目1乔木树干、树冠(表5.2.4)符合要求根系(表5.2.4)符合要求2允许偏差cm胸(地)径(5.2.5)≤5cm-0.1/5cm~10cm-0.310cm~20cm-0.5符合要求>20cm-1/高度(5.2.5)针叶类≤300cm+50-20/>300cm-30/阔叶类150cm~250cm+50-20250cm~450cm+50-30符合要求/>450cm+50-50冠幅(5.2.5)≤200cm-10200cm~300cm-20符合要求/>300cm-30施工操作依据完整质量检查记录完整施工单位检查结果评定项目专业质量检查员:2015年4月25日监理(建设)单位验收结论专业监理工程师:(建设单位项目专业技术负责人)年月日乔木支撑及卷干报验...

1、当您付费下载文档后,您只拥有了使用权限,并不意味着购买了版权,文档只能用于自身使用,不得用于其他商业用途(如 [转卖]进行直接盈利或[编辑后售卖]进行间接盈利)。
2、本站所有内容均由合作方或网友上传,本站不对文档的完整性、权威性及其观点立场正确性做任何保证或承诺!文档内容仅供研究参考,付费前请自行鉴别。
3、如文档内容存在违规,或者侵犯商业秘密、侵犯著作权等,请点击“违规举报”。

碎片内容

乔木材料报审、检验批、

您可能关注的文档

确认删除?
VIP
微信客服
  • 扫码咨询
会员Q群
  • 会员专属群点击这里加入QQ群
客服邮箱
回到顶部