电脑桌面
添加小米粒文库到电脑桌面
安装后可以在桌面快捷访问

玻璃幕墙隐蔽VIP免费

玻璃幕墙隐蔽_第1页
1/9
玻璃幕墙隐蔽_第2页
2/9
玻璃幕墙隐蔽_第3页
3/9
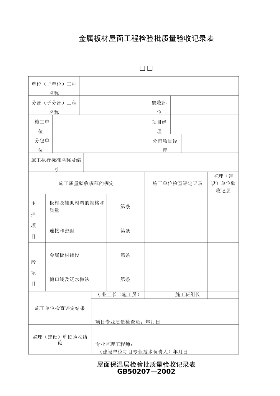
玻璃幕墙隐蔽一、隐蔽依据:施工图纸、建筑装饰装修工程质量验收规范要求GB50203-2001二、隐蔽内容:1、本工程为玻璃幕墙,采用材料为,其生产厂家为:出厂合格证编号为:2、根据幕墙分格大样图,结合土建的施工,在对框体安装时将立柱先与连接支座固定,然后再与先行已焊接到主体预埋件的角钢支座连接,并进行调整和固定,幕墙竖框与铁件之间应加绝缘垫片,防止电位腐蚀;横框安装与竖框之间应垫泡沫垫,然后注入密封胶进行密封,各种固定件及连接件均安装牢固,焊接点连接均符合设计及焊接规范要求。3、框体施工完毕后,进行幕墙的防雷避雷施工,其幕墙铝框与避雷均亚环引出线用螺栓连接,保证其导通电阻小于10欧姆,框体安装时与与埋件焊接处均涂防锈漆两遍,防止焊接处被锈蚀,其施工符合规范要求。4、玻璃安装时,每块玻璃下端应设置两个不锈钢托条,其长度为100mm,厚度为2mm,托条外端应低于玻璃外表面2mm,玻璃四周与构件凹槽底部保持一定空隙,每块玻璃下应放置两块宽度与沟槽相同、长度为100mm的泡沫垫,玻璃四周的橡胶条的材质、型号符合设计要求,镶嵌平整,橡胶条在转角处应斜面断开,玻璃与玻璃肋之间的缝隙采用硅酮密封胶填嵌严密,玻璃幕墙结构胶与密封胶均饱满、密实、连续,均匀、无气泡,宽度和厚度、玻璃两边嵌入量及空隙均符合设计及技术标准的要求。5、玻璃幕墙与主体结构连接的这种预埋件、连接件、紧固件安装牢固,其数量、规格、位置、连接方法和防腐、防雷处理均符合设计规范要求。陶土板幕墙隐蔽、隐蔽依据:施工图纸、建筑装饰装修工程质量验收规范要求GB50203-2001、隐蔽内容:1、陶土板幕墙采用18mm厚300*900mm陶土板,其生产厂家为:出厂合格证编号为:2、陶土板角码采用8mm厚镀锌钢件,采用焊接将其固定与立柱的中间,将角码与预埋件进行满焊,立柱安装用两颗不锈钢螺栓将立柱固定与角码上,将垫片、螺帽与螺栓点焊,两立柱接头处为6mm厚插芯螺栓连接,固定件的连接、焊接点连接、立柱的间距、垂直度均符合设计规范要求。3、立柱安装固定后通过D12热镀锌圆管同避雷主筋通长连接,均压环与主体结构下引线的接头处可靠连接,圆钢搭接长度为10mm,焊接高度为5mm,切外露表面刷两道防锈漆,均压环每12m设置一圈,均压环和埋件焊接牢固,防锈漆涂刷均匀!4、陶土板安装时应预留6mm的竖缝,并用泡沫填充棒填嵌,外表用硅酮密封胶填满,密封胶均饱满、密实、连续,均匀、无气泡,陶土板安装后表面平整度、竖缝宽度。垂直度均符合设计规范要求。5、幕墙与主体结构连接的这种预埋件、连接件、紧固件安装牢固,其数量、规格、位置、连接方法和防腐、防雷处理均符合设计规范要求。金属板材屋面工程检验批质量验收记录表单位(子单位)工程名称分部(子分部)工程名称验收部位施工单位项目经理分包单位分包项目经理施工执行标准名称及编号施工质量验收规范的规定施工单位检查评定记录监理(建设)单位验收记录主控项目板材及辅助材料的规格和质量第条连接和密封第条般项目金属板材铺设第条檐口线及泛水做法第条施工单位检查评定结果专业工长(施工员)施工班组长项目专业质量检查员:年月日监理(建设)单位验收结论专业监理工程师:(建设单位项目专业技术负责人)年月日屋面保温层检验批质量验收记录表GB50207—2002单位(子单位)工程名称分部(子分部)工程名称验收部位施工单位项目经理分包单位分包项目经理施工执行标准名称及编号施工质量验收规范的规定施工单位检查评定记录监理建设单位验收记录主控项目材料质量设计要求保温层含水率设计要求般项目保温层铺设第条倒置式屋面保护层第条保温层厚度允许偏差松散、整体板块土,W施工单位检验评定结果施工员班组长项目专业质量检查员:年月日监理(建设)单位验收结论监理工程师(建设单位项目技术人员):年月日细部构造检验批质量验收记录表GB502072002单位(子单位)工程名称分部(子分部)工程名称验收部位施工单位项目经理分包单位分包项目经理施工执行标准名称及编号施工质量验收规范的规定施工单位检查评定记录监理建设单位验收记录主控项目天沟、檐沟排水坡度设计要求防水构造天沟、檐沟第条檐口第条水...

1、当您付费下载文档后,您只拥有了使用权限,并不意味着购买了版权,文档只能用于自身使用,不得用于其他商业用途(如 [转卖]进行直接盈利或[编辑后售卖]进行间接盈利)。
2、本站所有内容均由合作方或网友上传,本站不对文档的完整性、权威性及其观点立场正确性做任何保证或承诺!文档内容仅供研究参考,付费前请自行鉴别。
3、如文档内容存在违规,或者侵犯商业秘密、侵犯著作权等,请点击“违规举报”。

碎片内容

玻璃幕墙隐蔽

您可能关注的文档

确认删除?
VIP
微信客服
  • 扫码咨询
会员Q群
  • 会员专属群点击这里加入QQ群
客服邮箱
回到顶部