电脑桌面
添加小米粒文库到电脑桌面
安装后可以在桌面快捷访问

标准层施工工序VIP免费

标准层施工工序_第1页
1/6
标准层施工工序_第2页
2/6
标准层施工工序_第3页
3/6
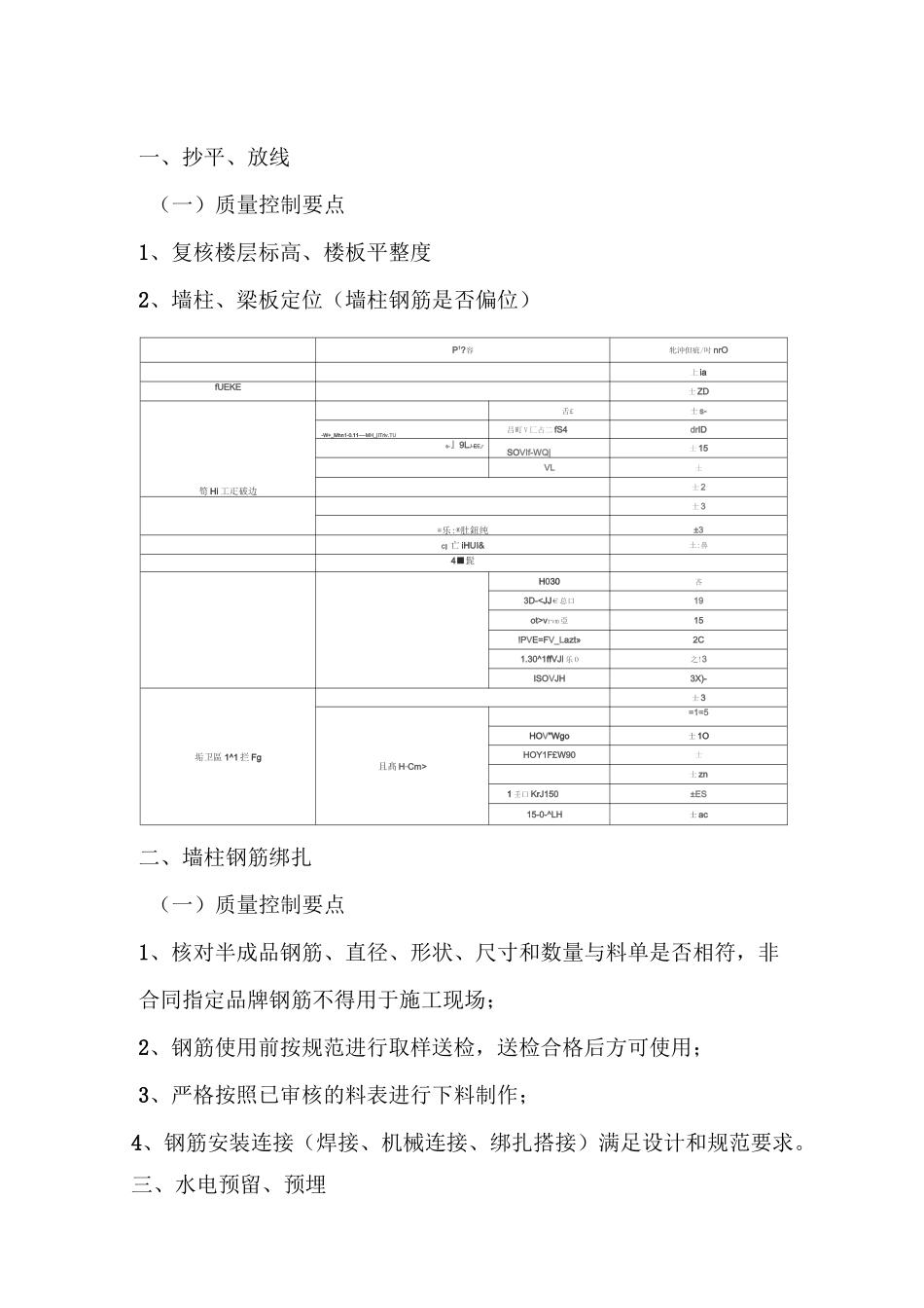
一、抄平、放线(一)质量控制要点1、复核楼层标高、楼板平整度2、墙柱、梁板定位(墙柱钢筋是否偏位)P1?容牝沖但疵/吋nrO上iafUEKE士ZD筍Hi工疋破边舌£士s--W+_Mhn1-0.11—-MH_|ITriv.TU吕町V匚占二fS4drIDs-』9LJ-EE,rSOVIf-WQ|士15VL士士2士3*乐:®肚鈕纯±3C]亡iHUI&土:鼻4■髭H030吝3D-vrvm亞15!PVE=FV_Lazt»2C1.30^1ffVJl乐O之!3ISOVJH3X)-垢卫區1^1拦Fg士3且髙H_Cm>=1=5HOV"Wgo士1OHOY1F£W90士士zn1壬口KrJ150±ES15-0-^LH士ac二、墙柱钢筋绑扎(一)质量控制要点1、核对半成品钢筋、直径、形状、尺寸和数量与料单是否相符,非合同指定品牌钢筋不得用于施工现场;2、钢筋使用前按规范进行取样送检,送检合格后方可使用;3、严格按照已审核的料表进行下料制作;4、钢筋安装连接(焊接、机械连接、绑扎搭接)满足设计和规范要求。三、水电预留、预埋(一)质量控制要点1、开关、插座等定位要求准确,遇到主筋无法避让时,水平方向往(变大的尺寸偏),竖向不允许偏位;2、开关、插座预留泡沫块(后期安装底盒),泡沫块尺寸为底盒大小的1.5倍,并用钢筋点焊固定牢固,不允许预留的泡沫块贯穿剪力墙;3、预留在剪力墙、柱子内线管不允许中间接管,一根管通到底;4、空调洞口套管预埋,安装坡度要求大于1%;5、防雷引下线要求标识清晰,防雷引下线利用柱子内的主筋小于e16,要求用两根钢筋代替一根。四、隐蔽验收五、支撑搭设(一)质量控制要点1、支撑立杆步距、横杆步距满足方案和规范要求;2、超过5m高支模搭设须进行专家论证;3、对跨度不小于4m的现浇钢筋混凝土梁、板,其模板应按设计要求起拱;当设计无具体要求时,起拱高度宜为跨度的1/1000~3/1000;六、梁板、墙柱模板制作安装(一)质量控制要点模板质量验收规范检控项目序号模板质量验收规范的规定施工单位检查评定主控项目1模板、支架、立柱及垫板4.2.1安装现浇结构上层模板及支架时,下层楼板应具有承受上层荷载的承载能力,或加设支架;上、下层支架的立柱应对准,并铺垫板2涂刷隔离剂4.2.2涂刷模板隔离剂不得沾污钢筋和砼接槎处一般项目1模板安装4.2.3模板安装应满足下列要求:1、模板接缝不影漏浆;在浇筑砼前,木模板应浇水湿润,但模板内不应有积水2、模板与砼的接触面应清理干净并涂刷隔离剂(但不得采用影响结构性能或妨碍装饰工程施工的)3、浇筑砼前,模板内杂物要清理干净4、对清水砼工程及装饰混凝土工2用做模板的地坪与胎膜4.2.4用作模板地坪、胎模等应平整光洁,不得产生影响构件质量的下沉、裂缝、起砂或起鼓3模板起拱4.2.5对跨度不小于4m的现浇钢筋混凝土梁、板,其模板应按设计要求起拱;当设计无具体要求时,起拱高项目允许偏差(mm)检查方法4预埋钢板中心线位置3钢尺检查5预埋管、预留孔中心线位置3钢尺检查6插筋中心线位置5钢尺检查外露长度+10,0钢尺检查7预埋螺栓中心线位置2钢尺检查外露长度+10,0钢尺检查8预留洞中心线位置10钢尺检查尺寸+10,0钢尺检查9模板轴线位置5钢尺检查10底模上表面标咼±5水准仪或拉线、钢尺检查11界面内部尺寸基础±10钢尺检查柱、墙、梁+4,-5钢尺检查12层高垂直度W5m6,-5经纬仪或吊线、钢尺检查>5m8经纬仪或吊线、钢尺检查13相邻两板表面高低差2钢尺检查14表面平整度52m靠尺及塞尺量检查拼装式大模板组拼允许偏差与检验方法项次项目允许偏差(mm)检验方法1模板高度±3钢尺量检查2模板长度-2钢尺量检查3模板板面对角线差W3钢尺量检查4板面平整度22m靠尺及塞尺量检查5相邻模板高低差W1平尺及塞尺量检查6相邻模板拼缝间隙W1塞尺量检杳大模板安装允许偏差与检验方法项次项目允许偏差(mm)检验方法1轴线位置4钢尺量检查2截面内部尺寸±2钢尺量检查3层咼垂直度全高W5m3线坠及钢尺量检查全高>5m5线坠及钢尺量检查4相邻模板板面咼低差2平尺及塞尺量检查5表面平整度<420m内上口拉直线钢尺量检杳下口按模板定位线为基准检查模板拆除的规范要求项次构件类型构件跨度(m)达到设计砼立方体抗压强度标准值百分率(%)1板W2三50〉2,W8275>8三1002梁、拱、壳W8275>68三1003悬臂构件—2100七、梁板钢筋绑扎(一)质量控制要点1、核对半成品钢筋、直径、形状...

1、当您付费下载文档后,您只拥有了使用权限,并不意味着购买了版权,文档只能用于自身使用,不得用于其他商业用途(如 [转卖]进行直接盈利或[编辑后售卖]进行间接盈利)。
2、本站所有内容均由合作方或网友上传,本站不对文档的完整性、权威性及其观点立场正确性做任何保证或承诺!文档内容仅供研究参考,付费前请自行鉴别。
3、如文档内容存在违规,或者侵犯商业秘密、侵犯著作权等,请点击“违规举报”。

碎片内容

标准层施工工序

确认删除?
VIP
微信客服
  • 扫码咨询
会员Q群
  • 会员专属群点击这里加入QQ群
客服邮箱
回到顶部