电脑桌面
添加小米粒文库到电脑桌面
安装后可以在桌面快捷访问

G螺纹和R螺纹VIP免费

G螺纹和R螺纹_第1页
1/4
G螺纹和R螺纹_第2页
2/4
G螺纹和R螺纹_第3页
3/4
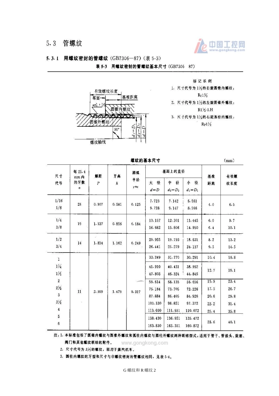
G是指非螺纹密封的管螺纹:牙型角55度,内外螺纹均为圆柱形的管螺纹,配合后不具密封性,在管路中仅起联结作用,借助密封圈可用于静载下的低压管路。牙顶牙底均为圆弧形。R是指用螺纹密封的管螺纹:牙型角55度,旋紧后具有密封性。牙顶牙底均为圆弧形。锥螺纹的锥度为1:16。有两种配合:1)圆柱内螺纹/圆锥外螺纹,用于低压静载,如水、煤气管;2)圆锥内螺纹/圆锥外螺纹,用于高压和承受冲击的场合。G是指非螺纹密封的管螺纹;R是指用螺纹密封的管螺纹:G螺纹和R螺纹1G螺纹和R螺纹2G螺纹和R螺纹3G螺纹和R螺纹4

1、当您付费下载文档后,您只拥有了使用权限,并不意味着购买了版权,文档只能用于自身使用,不得用于其他商业用途(如 [转卖]进行直接盈利或[编辑后售卖]进行间接盈利)。
2、本站所有内容均由合作方或网友上传,本站不对文档的完整性、权威性及其观点立场正确性做任何保证或承诺!文档内容仅供研究参考,付费前请自行鉴别。
3、如文档内容存在违规,或者侵犯商业秘密、侵犯著作权等,请点击“违规举报”。

碎片内容

G螺纹和R螺纹

您可能关注的文档

确认删除?
VIP
微信客服
  • 扫码咨询
会员Q群
  • 会员专属群点击这里加入QQ群
客服邮箱
回到顶部