电脑桌面
添加小米粒文库到电脑桌面
安装后可以在桌面快捷访问

百叶窗产品说明书VIP免费

百叶窗产品说明书_第1页
1/7
百叶窗产品说明书_第2页
2/7
百叶窗产品说明书_第3页
3/7
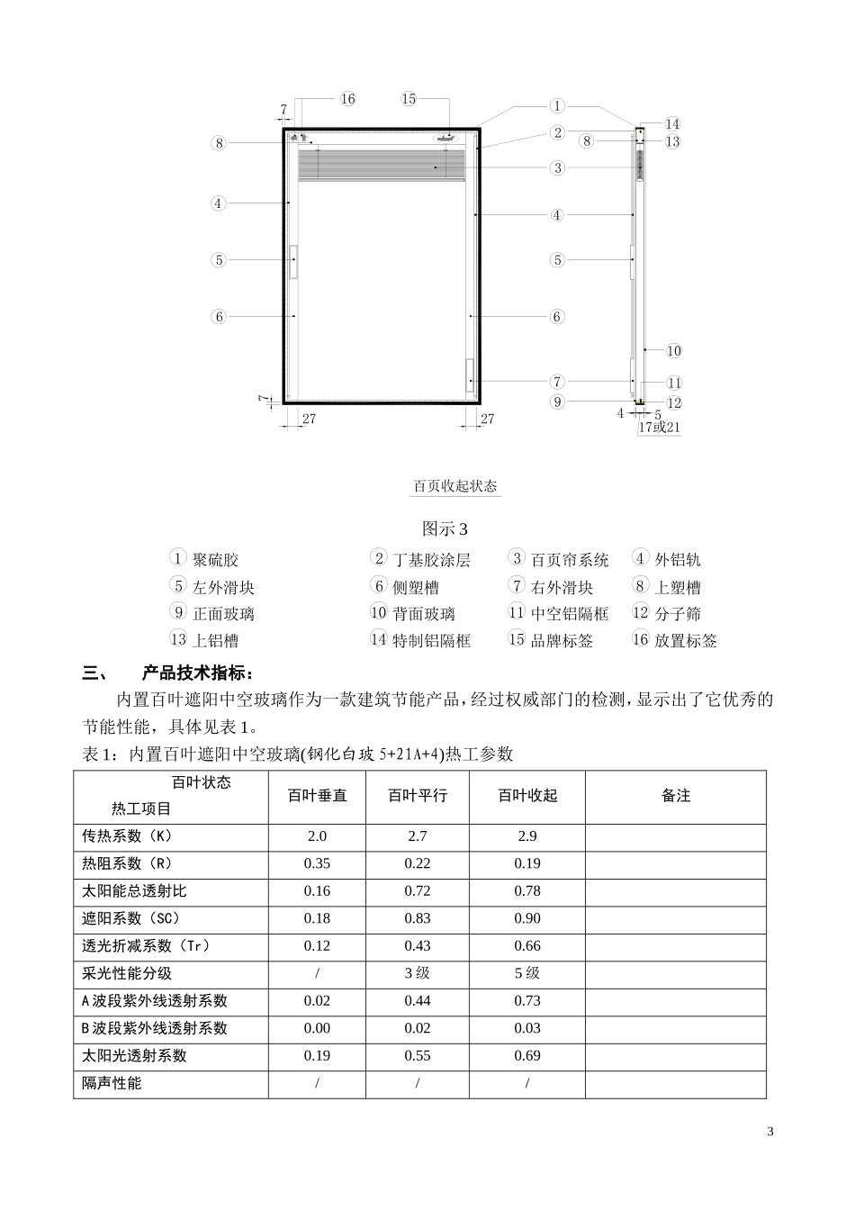
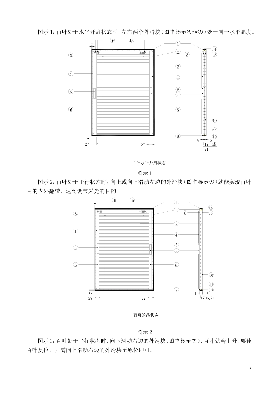
内置百叶遮阳中空玻璃产品说明书一、产品特点:内置百叶遮阳中空玻璃是将铝百叶帘整体安装于中空玻璃内,采用磁力感应控制百叶的升降与翻转,同时保证中空玻璃的各项性能技术要求的一种建筑玻璃制品(见产品外观效果图1)。内置百叶遮阳中空玻璃将百叶帘的遮阳性、可调节性与中空玻璃的保温性、隔声性很好地融为了一体,因此内置百叶遮阳中空玻璃是一款具有保温、隔热、隔声、安全、美观的集成创新性节能产品。产品外观效果图1注:产品外观效果仅供参考,具体以实物为准。本公司保留技术改进(含外观)的权利。二、产品的组成与操作方法每套内置百叶遮阳中空玻璃都由主件和副件两部分组成,主件部分是指装有百叶帘的中空玻璃;副件部分包括两支装有外滑块的外铝轨(图中标示④⑤和⑦)和吸附在主件内提拉块处的一片或两片定位强磁块。外铝轨的两端有堵头,中间有两根限位插条,在外滑块上下方各有一个;外滑块内镶有强磁块。内置百叶遮阳中空玻璃具有正背两面,贴有品牌标签和放置标签(图中标示⒂和⒃)的为正面(如产品外观效果图1所示的面为正面),没有贴任何标签的为背面,左右两个外滑块(图中标示⑤和⑦)只有在正面才对内部百叶帘系统起作用力。内置百叶遮阳中空玻璃还具有上下方向性,与百叶帘的升降方向一致,即有上塑槽(图中标示⑧)的一端为上方,反之则为下方。内置百叶遮阳中空玻璃操作简单,使用安全。只要轻轻地上下滑动产品正面右边的外滑块就能让中空玻璃内的百叶帘升降自如,即可将百叶帘收起或放下到您需要的位置,向下滑动时百叶帘被收起,向上滑动时百叶帘将被放下。如果您想翻转百叶,控制采光,只需轻轻地向上或向下滑动正面左边的外滑块就好了。具体的操作方式与产品结构如图示1~3所示。1图示1:百叶处于水平开启状态时,左右两个外滑块(图中标示⑤和⑦)处于同一水平高度。图示1图示2:百叶处于平行状态时,向上或向下滑动左边的外滑块(图中标示⑤)就能实现百叶片的内外翻转,达到调节采光的目的。图示2图示3:百叶处于平行状态时,向下滑动右边的外滑块(图中标示⑦),百叶就会上升,要使百叶复位,只需向上滑动右边的外滑块至原位即可。72771615151691112101413867543216548277277417或215百页遮蔽状态2417或215百叶水平开启状态27654889675432114131112101615百页收起状态517或21472772712345784566910121181314图示3三、产品技术指标:内置百叶遮阳中空玻璃作为一款建筑节能产品,经过权威部门的检测,显示出了它优秀的节能性能,具体见表1。表1:内置百叶遮阳中空玻璃(钢化白玻5+21A+4)热工参数百叶状态热工项目百叶垂直百叶平行百叶收起备注传热系数(K)2.02.72.9热阻系数(R)0.350.220.19太阳能总透射比0.160.720.78遮阳系数(SC)0.180.830.90透光折减系数(Tr)0.120.430.66采光性能分级/3级5级A波段紫外线透射系数0.020.440.73B波段紫外线透射系数0.000.020.03太阳光透射系数0.190.550.69隔声性能///1聚硫胶丁基胶涂层23百页帘系统外铝轨48上塑槽右外滑块76侧塑槽左外滑块59正面玻璃背面玻璃1011中空铝隔框分子筛1214特制铝隔框上铝槽1316放置标签品牌标签153内置百叶遮阳中空玻璃是经久耐用的好产品,它的节能性和实用性是一般的玻璃产品无法比拟的。具体见表2。表2:内置百叶遮阳中空玻璃性能检测结果检验项目样品数量(块)检验结果检验结论标准要求反复启闭1反复启闭两万次,启闭无异常,使用无障碍。合格反复启闭不少于两万次,启闭无异常,使用无障碍。露点2020块试样露点均<-40℃合格20块试样露点均≤-40℃为合格耐紫外线照射22块试样内表面上均无结雾或污染的痕迹,玻璃无明显错位。合格2块试样紫外线照射168小时,试样内表面上不得有结雾或污染的痕迹,玻璃原片无明显错位或胶条蠕变为合格。气候循环耐久性44块试样露点均<-40℃合格试样经1440小时320次的气候循环试验后,进行露点测试,4块试样露点均≤-40℃为合格高温高湿耐久性88块试样露点均<-40℃合格试样经672小时224次的高温高湿循环试验后,进行露点测试,8块试样露点均≤-40℃为合格四、适用范围:内置百叶遮阳中空玻璃作为一种新的多功能建筑产品,具有广泛的适应性。传统...

1、当您付费下载文档后,您只拥有了使用权限,并不意味着购买了版权,文档只能用于自身使用,不得用于其他商业用途(如 [转卖]进行直接盈利或[编辑后售卖]进行间接盈利)。
2、本站所有内容均由合作方或网友上传,本站不对文档的完整性、权威性及其观点立场正确性做任何保证或承诺!文档内容仅供研究参考,付费前请自行鉴别。
3、如文档内容存在违规,或者侵犯商业秘密、侵犯著作权等,请点击“违规举报”。

碎片内容

百叶窗产品说明书

确认删除?
VIP
微信客服
  • 扫码咨询
会员Q群
  • 会员专属群点击这里加入QQ群
客服邮箱
回到顶部