电脑桌面
添加小米粒文库到电脑桌面
安装后可以在桌面快捷访问

单片机实验、设计源程序---仅供参考VIP免费

单片机实验、设计源程序---仅供参考_第1页
1/16
单片机实验、设计源程序---仅供参考_第2页
2/16
单片机实验、设计源程序---仅供参考_第3页
3/16
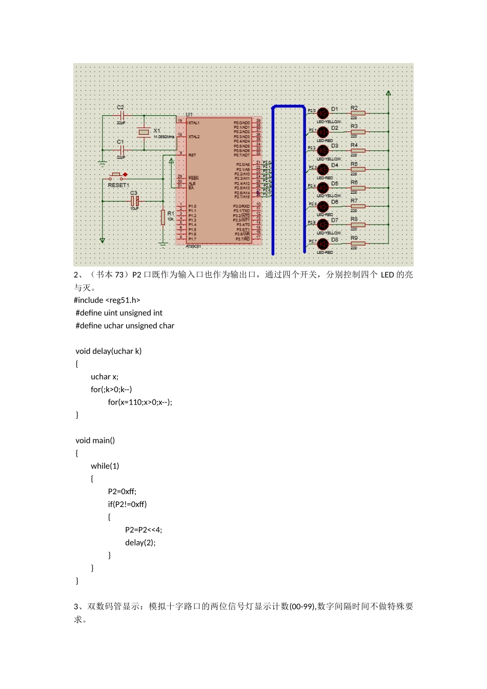
单片机实验、设计(按PPT上的顺序,有的程序不是很简略,有的也不是我自己写的,仅供参考)1、并行口控制八个LED灯的轮流亮灭(书本148有类似)#include#include#defineucharunsignedchar#defineuintunsignedint#defineoutP2voiddelay(uint);voidmain(){uchari,temp;while(1){temp=0xfe;for(i=0;i<8;i++){out=temp;delay(200);temp=_crol_(temp,1);//正向}temp=0x7f;for(i=0;i<8;i++){out=temp;delay(200);temp=_cror_(temp,1);//逆向}}}voiddelay(uintk){uchari,j;for(;k>0;k--)for(i=142;i>0;i--)for(j=2;j>0;j--);}2、(书本73)P2口既作为输入口也作为输出口,通过四个开关,分别控制四个LED的亮与灭。#include#defineuintunsignedint#defineucharunsignedcharvoiddelay(uchark){ucharx;for(;k>0;k--)for(x=110;x>0;x--);}voidmain(){while(1){P2=0xff;if(P2!=0xff){P2=P2<<4;delay(2);}}}3、双数码管显示:模拟十字路口的两位信号灯显示计数(00-99),数字间隔时间不做特殊要求。#include#defineucharunsignedchar#defineuintunsignedintucharcodetable[]={0xc0,0xf9,0xA4,0xb0,0x99,0x92,0x82,0xf8,0x80,0x90};ucharnum,tt,ge,shi;voiddisplay(ucharsh,ucharg);voiddelay(uinti){uintj;for(;i>0;i--)for(j=110;j>0;j--);}voidinit(){P3=0xff;num=0;tt=0;TMOD=0x01;TH0=(65536-50000)/256;TL0=(65536-50000)%256;EA=1;ET0=1;TR0=1;}voidmain(){init();while(1){display(shi,ge);}}voidtimer0()interrupt1{TH0=(65536-50000)/256;TL0=(65536-50000)%256;tt++;if(tt==20)//1s{tt=0;num++;if(num==100)num=0;ge=num%10;shi=num/10;}}voiddisplay(ucharsh,ucharg){P3=0x02;P2=table[g];delay(1);P3=0x01;P2=table[sh];delay(1);}4、设计一个4*4矩阵键盘,双数码管显示,其键值为“00~16”。按下按键后,数码管显示相应的键值。(书本140)#include#defineucharunsignedchar#defineuintunsignedintsbitshiwei=P3^0;sbitgewei=P3^1;ucharcodetable[]={0xc0,0xf9,0xa4,0xb0,0x99,0x92,0x82,0xf8,0x80,0x90,};ucharcodekey_table[]={0xee,0xde,0xbe,0x7e,0xed,0xdd,0xbd,0x7d,0xeb,0xdb,0xbb,0x7b,0xe7,0xd7,0xb7,0x77};voiddelay(uchark){uchari;for(;k>0;k--)for(i=110;i>0;i--);}voiddelay0(){uintn=1000;while(n--);}voidmain(){uchartemp,key,num,i;P3=0xff;while(1){P1=0xf0;if(P1!=0xf0){delay0();if(P1!=0xf0){temp=P1;P1=0x0f;key=temp|P1;for(i=0;i<16;i++)if(key==key_table[i]){num=i;break;}P3=0x01;P2=table[num/10];delay(1);P3=0x02;P2=table[num%10];delay(1);P2=0xff;}}}}5、外部中断每发生一次,led由亮转灭。#include#defineucharunsignedcharsbitled=P2^0;voiddelay(uchark){ucharj;for(;k>0;k--)for(j=110;j>0;j--);}voidmain(){EA=1;EX0=1;IT0=0;led=0;while(1){led=0;}}voidINT_0()interrupt0{EX0=0;led=1;delay(20);EX0=1;}6、外部中断每发生一次,在共阴数码管上显示一个数字,且每中断一次显示的数值增加1或减少1#include#defineucharunsignedchar#defineuintunsignedintucharcodetable[]={0x3f,0x06,0x5b,0x4f,0x66,0x6d,0x7d,0x07,0x7f,0x6f};intcount=0;voiddelay(uchark){uchari;for(;k>0;k--)for(i=110;i>0;i--);}voidinit(){P1=0;EA=1;EX0=1;IT0=1;EX1=1;IT1=1;}voidmain(){init();while(1){}}voidINT_0()interrupt0{EX0=0;delay(5);count++;if(count==10)count=0;P1=table[count];delay(2);EX0=1;}voidINT_1()interrupt2{EX1=0;delay(5);count--;if(count<0)count=0;P1=table[count];delay(2);EX1=1;}7、将外部中断0端口P3.2,扩展成三个中断入口,并且当中断发生时,能识别是哪个中断源发生的中断事件(书本94)8、中断嵌套:设置两个外部中断(INT0和INT1)按键,优先级IP=0x04。合上INT0的开关,则led依次循环点亮;按下INT1按键,则led全体闪烁三次,然后继续依次循环点亮。(书本90)9、8051内部定时计数器T0,按计数器模式和方式1工作,对P3.4(T0)引脚进行计数。将其数值P1...

1、当您付费下载文档后,您只拥有了使用权限,并不意味着购买了版权,文档只能用于自身使用,不得用于其他商业用途(如 [转卖]进行直接盈利或[编辑后售卖]进行间接盈利)。
2、本站所有内容均由合作方或网友上传,本站不对文档的完整性、权威性及其观点立场正确性做任何保证或承诺!文档内容仅供研究参考,付费前请自行鉴别。
3、如文档内容存在违规,或者侵犯商业秘密、侵犯著作权等,请点击“违规举报”。

碎片内容

单片机实验、设计源程序---仅供参考

您可能关注的文档

确认删除?
VIP
微信客服
  • 扫码咨询
会员Q群
  • 会员专属群点击这里加入QQ群
客服邮箱
回到顶部