电脑桌面
添加小米粒文库到电脑桌面
安装后可以在桌面快捷访问

挡墙施工技术方案VIP免费

挡墙施工技术方案_第1页
1/25
挡墙施工技术方案_第2页
2/25
挡墙施工技术方案_第3页
3/25
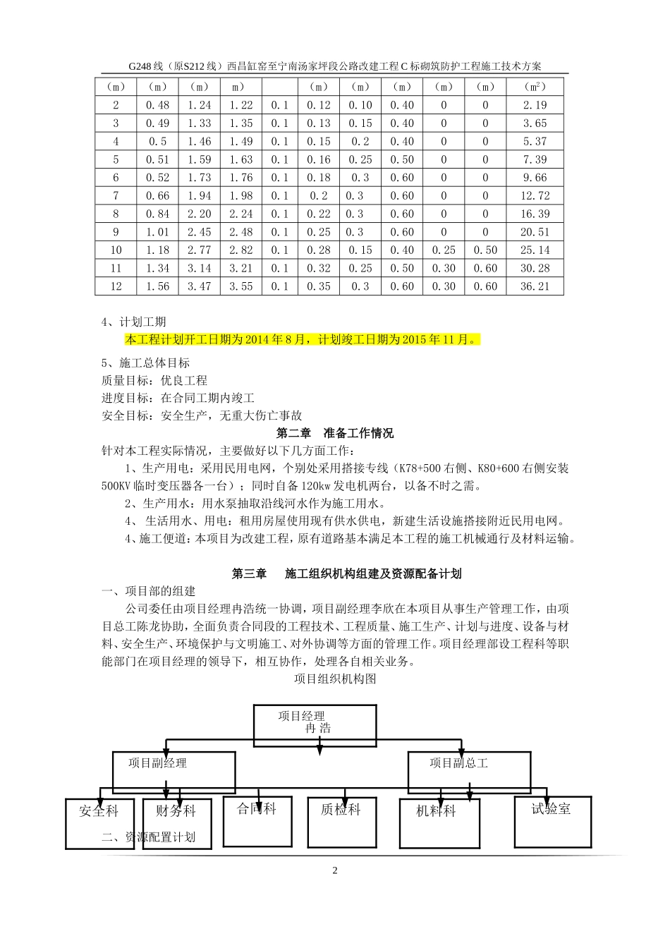
G248线(原S212线)西昌缸窑至宁南汤家坪段公路改建工程C标砌筑防护工程施工技术方案目录第一章、工程概况------------------------------------------------2第二章、准备工作情况--------------------------------------------2第三章、施工组织机构组建及资源配备计划--------------------------3第四章、施工方案与技术措施--------------------------------------4第五章、冬季和雨季的施工安排------------------------------------9第六章、质量管理体系与措施--------------------------------------10第七章、安全管理体系与措施--------------------------------------13第八章、工期保证体系与措施--------------------------------------17第九章、施工期间的交通疏解措施----------------------------------21第十章、文明施工措施--------------------------------------------24第十一章、环境保护管理体系及措施---------------------------------27砌筑防护工程施工技术方案第一章工程概况1、路线位置及简况S212线西昌缸窑至宁南汤家坪段公路改建工程路线起于西昌市缸窑村省道S212线与国道G108线的交叉处,路线向东南至五道箐后沿则木河、黑水河进行沿河展线,经螺髻山镇、普格县、松新镇、天久田坝、小田坝、宁南县,止于宁南县汤家坪,接白鹤滩电站库区淹没还建S212线公路。本标段主要经过普格县、大河坝、宁南县上游村、松新镇。根据本标段相关合同文件,C标段含B3、C1合同段,其中B3合同段范围为K65+300——K79+240;C1合同段范围为K79+240——K92+840,路线全长27.657Km。2、此挡土墙工程桩号为K90+930-K91+264.875右侧衡重式路肩挡土墙(1-3型),总长度为334.875m。主要工程量:C15片石砼4372m3,M7.5浆砌片石324m3,砂砾反滤层739m3,夯填粘土51m3,泄水孔PVC管408m,伸缩缝沥青麻絮110m2,挖基1191m3,回填土507m3,填心32m3。3、主要尺寸如下表:1-3型衡重式路肩挡土墙φ=35°γ=20KN/m3f=0.4[Ó]=400KpaN1=0.45墙高H墙身尺寸面积LBBˊ(Xh1Δb1Δh1Δb2Δh2A1G248线(原S212线)西昌缸窑至宁南汤家坪段公路改建工程C标砌筑防护工程施工技术方案(m)(m)(m)m)(m)(m)(m)(m)(m)(m2)20.481.241.220.10.120.100.40002.1930.491.331.350.10.130.150.40003.6540.51.461.490.10.150.20.40005.3750.511.591.630.10.160.250.50007.3960.521.731.760.10.180.30.60009.6670.661.941.980.10.20.30.600012.7280.842.202.240.10.220.30.600016.3991.012.452.480.10.250.30.600020.51101.182.772.820.10.280.150.400.250.5025.14111.343.143.210.10.320.250.500.300.6030.28121.563.473.550.10.350.30.600.300.6036.214、计划工期本工程计划开工日期为2014年8月,计划竣工日期为2015年11月。5、施工总体目标质量目标:优良工程进度目标:在合同工期内竣工安全目标:安全生产,无重大伤亡事故第二章准备工作情况针对本工程实际情况,主要做好以下几方面工作:1、生产用电:采用民用电网,个别处采用搭接专线(K78+500右侧、K80+600右侧安装500KV临时变压器各一台);同时自备120kw发电机两台,以备不时之需。2、生产用水:用水泵抽取沿线河水作为施工用水。4、生活用水、用电:租用房屋使用现有供水供电,新建生活设施搭接附近民用电网。4、施工便道:本项目为改建工程,原有道路基本满足本工程的施工机械通行及材料运输。第三章施工组织机构组建及资源配备计划一、项目部的组建公司委任由项目经理冉浩统一协调,项目副经理李欣在本项目从事生产管理工作,由项目总工陈龙协助,全面负责合同段的工程技术、工程质量、施工生产、计划与进度、设备与材料、安全生产、环境保护与文明施工、对外协调等方面的管理工作。项目经理部设工程科等职能部门在项目经理的领导下,相互协作,处理各自相关业务。项目组织机构图二、资源配置计划2项目副总工项目副经理项目经理冉浩安全科质检科财务科合同科机料科试验室G248线(原S212线)西昌缸窑至宁南汤家坪段公路改建工程C标砌筑防护工程施工技术方案(一)、机械配备施工总体部署,利用自有和租赁来的施工机具、设备...

1、当您付费下载文档后,您只拥有了使用权限,并不意味着购买了版权,文档只能用于自身使用,不得用于其他商业用途(如 [转卖]进行直接盈利或[编辑后售卖]进行间接盈利)。
2、本站所有内容均由合作方或网友上传,本站不对文档的完整性、权威性及其观点立场正确性做任何保证或承诺!文档内容仅供研究参考,付费前请自行鉴别。
3、如文档内容存在违规,或者侵犯商业秘密、侵犯著作权等,请点击“违规举报”。

碎片内容

挡墙施工技术方案

您可能关注的文档

确认删除?
VIP
微信客服
  • 扫码咨询
会员Q群
  • 会员专属群点击这里加入QQ群
客服邮箱
回到顶部