电脑桌面
添加小米粒文库到电脑桌面
安装后可以在桌面快捷访问

AB门双门联动互锁系统VIP免费

AB门双门联动互锁系统_第1页
1/4
AB门双门联动互锁系统_第2页
2/4
AB门双门联动互锁系统_第3页
3/4
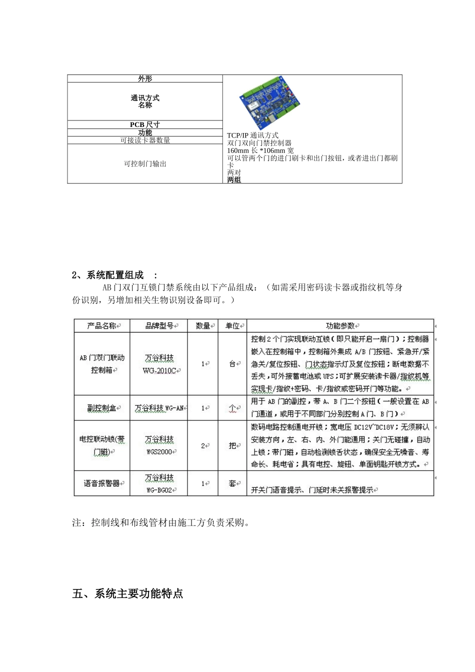
AB门双门联动互锁系统一、前言由于监狱、看守所本身的特殊性,其安防系统在安全可靠性方面的要求明显比其他行业高很多,这使得监狱安防涉及的领域非常广泛,除了视频监控,还涵盖围墙周界、AB门、高压电网、报警、巡更、门禁、对讲、宣教广播等方面,可以说无所不包。由监所公共场所和公共通道门禁,闭路监控、电子巡更等子系统构成监所的第二级安全防范体系往往得不到重视,监所门禁建设管理现代化是保障看守所、监狱、戒毒所安全的必要基础。当前公安部提出了如下要求:在加强技防措施的前提下,监管系统的各级领导和单位,要根据新形势的要求,切实加强队伍建设,不断提高干警素质和执法水平;坚持严格依法治监,继续开展好执法执纪专项治理整顿,更好地完成“收得下、管得住、跑不了、改造好”的任务。二、AB门系统现状及需求在此大环境下,全国各地的看守所、监狱等监管场所投入资金加强监门哨建设,部分地区驻所武警战士白天(或全勤)进驻监门哨执勤。但综观各地监门哨AB门门禁系统,建设标准各不相同,大部分采用传统的普通双门门禁控制器方式通过手工按钮(或其它身份识别设备)开门,而对A、B门的控制权也不尽相同,从某个程度上暴露出了AB门的隐患:A、B门实现不了互锁、夜间AB门的开关门隐患、断电后AB门的安全问题...。A、B门双门(也有三门、四门)联动互锁很好地解决了上述问题,不管白天、夜晚决对的每次只能开一扇门(紧急开门为特殊功能),断电后仍然正常使用。AB门双门联动互锁系统是我公司在长期应用过程中结累专为监狱、看守所、银行等特定用户联动互锁安全门设计制作的专用系统,安全区别于普通的双门控制器控制模式,它集电控联动互锁装置于一身,布线简单,采用独特的电机锁死和四芯总线制的先进技术,以双门双锁组合的形式,组成一个通道型内外门控制系统,真正做到联动互锁(进出都必须关好已打开的门才能开启另一扇门,在开和关一扇门的同时会自动检测另一扇门的门状况),布线、安装简单,扩展灵活,维护方便。同样,A、B门双门联动互锁系统在安装时也特别要求A门、B门的开门方向,确保在掌握钥匙的情况下进或出监都只能开一扇门,另一扇门必须通过A、B门双门联动互锁系统来控制,从而在根本上防止了尾随出门、抢夺钥匙出监等越狱企图。对于部分用户要求人行AB门通道和车行AB门通道也要求共同实现联动互锁的情况,我们可根据要求实现三门联动互锁和四门联动互锁,布线方法和实现功能同上。三、AB门双门联动互锁示例1、如对一个看守所监门哨安装AB门双门联动互锁系统,即对监门哨AB门实现严格控制人员进出的通道上安装双门互锁门禁系统,控制权可根据需求可由监门哨武警单独控制或由武警和看守所外值班人员双重控制。当人员通行时,经过第一道门之后必须关好该门并经过身份校验后才能开启第二道门,这样有效的隔离通道内外两侧的空间,防止了在押人员或可疑人员尾随进入安全区域等情况的发生。该双门互锁系统采用国际安全认可的通讯格式和协议,可配合闭路监控设备实现中心对进出人员的监控,还可以可以预留结合密码,指纹等生物识别技术。加装生物识别设备(如密码刷卡器、指纹密码机、人脸识别仪、虹膜识别仪等)实现更高级的AB门双门联动互锁门禁,为不同安全级别的客户提供相应的安全性产品。如图:主要设计依据规范1.《国际综合布线标准》ISO/IEC118012.《民用建筑电气设计规范》JGJ/T16-923.《中华人民共和国安全防范行业标准》GA/T74-944.《中华人民共和国公共安全行业标准》GA/T70-942、系统配置组成:AB门双门互锁门禁系统由以下产品组成:(如需采用密码读卡器或指纹机等身份识别,另增加相关生物识别设备即可。)注:控制线和布线管材由施工方负责采购。五、系统主要功能特点外形TCP/IP通讯方式双门双向门禁控制器160mm长*106mm宽可以管两个门的进门刷卡和出门按钮,或者进出门都刷卡两对两组通讯方式名称PCB尺寸功能可接读卡器数量可控制门输出1、施工布线维修简单:整个系统通过一根4芯总线接到AB门的联动锁、读卡器、指纹机等设备上,完全区别于传统门禁繁杂接线,便于安装、便于维护。2、联动互锁功能:整个系统分为A、B两道门,...

1、当您付费下载文档后,您只拥有了使用权限,并不意味着购买了版权,文档只能用于自身使用,不得用于其他商业用途(如 [转卖]进行直接盈利或[编辑后售卖]进行间接盈利)。
2、本站所有内容均由合作方或网友上传,本站不对文档的完整性、权威性及其观点立场正确性做任何保证或承诺!文档内容仅供研究参考,付费前请自行鉴别。
3、如文档内容存在违规,或者侵犯商业秘密、侵犯著作权等,请点击“违规举报”。

碎片内容

AB门双门联动互锁系统

确认删除?
VIP
微信客服
  • 扫码咨询
会员Q群
  • 会员专属群点击这里加入QQ群
客服邮箱
回到顶部