电脑桌面
添加小米粒文库到电脑桌面
安装后可以在桌面快捷访问

安全继电器的使用VIP免费

安全继电器的使用_第1页
1/4
安全继电器的使用_第2页
2/4
安全继电器的使用_第3页
3/4
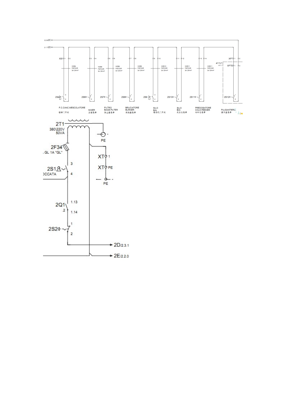
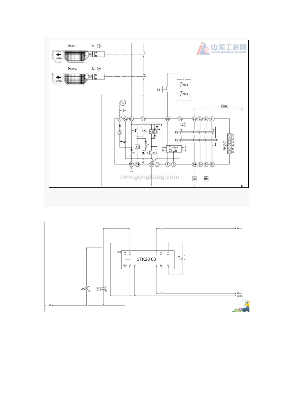
安全继电器的用法安全继电器一般接线有三类。1.工作电源。就是把电源串接在外部的急停开关,安全门等信号上。2.复位信号。3.控制输出。电源接通后,必须复位后控制端才会接通。1.安全继电器是由数个继电器与电路组合而成,为的是要能互补彼此的异常缺陷,达到正确且低误动作的继电器完整功能,使其失误和失效值愈低,安全因素则愈高,因此需设计出多种安全继电器以保护不同等级机械.之所以使用是保护暴露於不同等级之危险性的机械操作人员。2.2所谓“安全继电器”并不是“没有故障的继电器”,它具有强制导向接点结构,万一发生接点熔结现象时也能确保安全,安全继电器用在何处呢?1、在紧急停止解除时,机器不能出现突然再启动2、万一机器安全电路发生故障时,可以停止机器动力电源3、安全电路发生故障时,机器不能再启动像安全开关、光幕等确认安全的输入,无法做到上述功能3.安全继电器的保护输入回路(如安全门限位和急停按钮)一般有3种接法:1.保护元件的常闭触点串接在安全继电器的工作电源上,安全继电器本身的输入回路分别短接。2.保护元件的常闭触点接在安全继电器的单通道输入触点上,双通道触点分别短接3.保护元件的常闭触点(注意每个保护元件要用2个常闭触点)分别接在双通道输入回路上,单通道输入回路短接第3种接法在维修时要注意:假如一个门限位2个常闭触点坏了其中之一时,最好不要用线短接那个触点,否则会引起安全继电器不能复位(安全继电器一般有自动和手动2种复位功能),没有备件临时短接时引起不能复位时,只要断开安全继电器电源一次就可再复位;以后每次拉开有触点故障的安全门都要这样复位很麻烦,所以,应尽快把备件买来换上。4.安全继电器的应用实例:安全继电器,如当机器的安全门打开的时候安全继电器就会断开供电,使主马达不能启动.待安全门关上后,在按下复位键才能使主马达运转.目的主要是使机器运行的更安全。

1、当您付费下载文档后,您只拥有了使用权限,并不意味着购买了版权,文档只能用于自身使用,不得用于其他商业用途(如 [转卖]进行直接盈利或[编辑后售卖]进行间接盈利)。
2、本站所有内容均由合作方或网友上传,本站不对文档的完整性、权威性及其观点立场正确性做任何保证或承诺!文档内容仅供研究参考,付费前请自行鉴别。
3、如文档内容存在违规,或者侵犯商业秘密、侵犯著作权等,请点击“违规举报”。

碎片内容

安全继电器的使用

您可能关注的文档

确认删除?
VIP
微信客服
  • 扫码咨询
会员Q群
  • 会员专属群点击这里加入QQ群
客服邮箱
回到顶部