电脑桌面
添加小米粒文库到电脑桌面
安装后可以在桌面快捷访问

铺设联锁块典型施工方案VIP免费

铺设联锁块典型施工方案_第1页
1/5
铺设联锁块典型施工方案_第2页
2/5
铺设联锁块典型施工方案_第3页
3/5
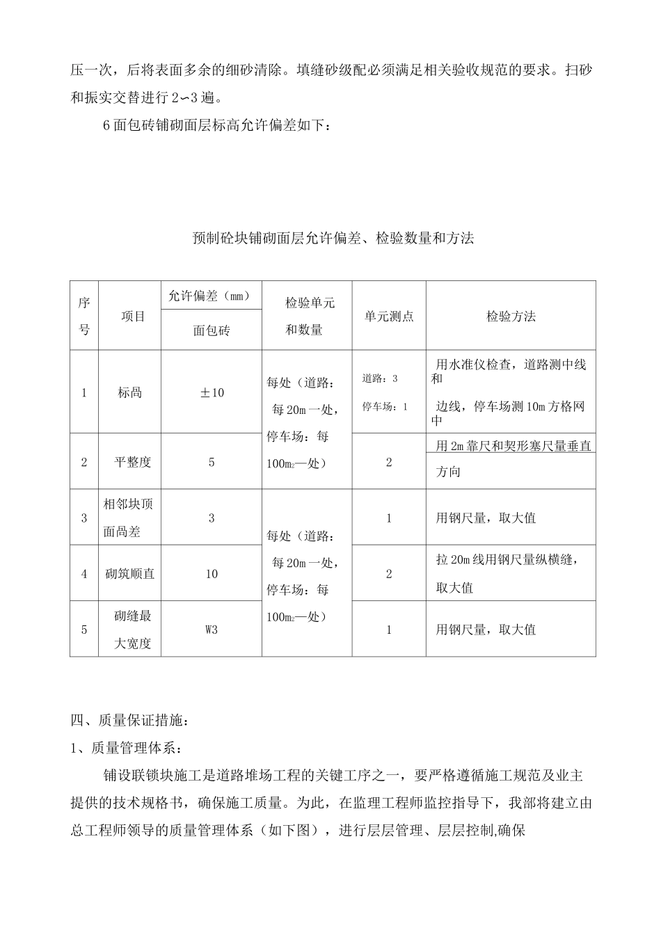
联锁块铺设(典型)施工方案一、工程概况:1、蛇口集装箱码头二期工程位于深圳湾畔的蛇口港湾大道三突堤南侧,北部紧临一期工程的1#2#泊位,本工程联锁块铺设共计193920m2。目前,现场已铺开水泥稳定石屑层的工作面,具备铺设联锁块条件。2、试验目的:检验和确定所采用的机械设备、原材料、施工方法、垫层砂松铺厚度及碾压变数是否合理。3、试验区位置:拟选Q(l)区RTG跑道梁39~40轴的堆场区域,典型施工面积为21.97m*40m=878.8m2。二、施工机械设备:铺设联锁块体采用的施工机械如下:施工机械一览表机械名称规格型号数量(台)备注强力平板振动器VP1035RW(德国)1新振动压路机轮胎式14B(洛阳)1新叉车CPC2.5t(广州)1新三、施工方法(一)、施工流程测量挂线一松铺整平中粗砂(垫砂层)一铺设联锁块体一压实联锁块体一细砂填缝f工程验收(二)、施工方法1、测量挂线施工时,先沿研发楼一散水的起始边线设置1个路面砖基准点。在基准点上设置2条互相垂直的基准线,与跑道梁的夹角为45o,并按间距5m设置纵横平行路面砖基准线。在每个基准点上打设钢筋头,以测放中粗砂的松铺顶标高及铺面设计标高,松铺系数暂定1.25。在纵、横方向进行交叉挂线,形成控制网。厂区其他部位面包砖铺设按相同方法施工。2、整平中粗砂经测量挂线后,用人工按设计坡度进行松铺中粗砂,其松铺厚度为设计标高厚度X松铺系数。垫砂层按区段采用人工刮板法按坡度要求进行摊铺,厚度要求均匀、平整。为保证铺设联锁块的标高及平整度,在已摊铺好的垫砂层上,不得有任何扰动。垫砂层压实后厚度为30—50mm。3.铺设联锁块A.选择符合规范要求的面包砖进行铺设(按建设单位要求面包砖采用艾尔品牌);B.面包砖的铺筑从设置的基准点开始,并以路面砖基准线为基准进行铺筑;对无立道牙部位的施工,采用混凝土止挡法或路面砖砂粘结法固定块体;C.铺设面包砖时分区分段铺筑,其分区边线按5米控制,分段长度则按10米控制,并从下坡向坡脊方向人字型铺筑,并与流动机械主要行使方向成45度角排列;D.铺筑路面砖时,在刚铺筑的路面砖上,垫一块大于0.3m2的木板,站在木板上铺筑;E.不足整块的交接处,采用切割块镶嵌或现浇强度等级不小于C35的细石混凝土浇筑;未铺筑部分,应及时用细石混凝土填补好;铺砌面包砖时,操作者应站在砌块上作业,不得站在砂垫层上。F.平面弯曲路面的施工采用调整路面砖接缝宽度进行,其接缝宽度应符合下列要求:弯道外周路面砖的接缝宽度不应大于6mm;弯道内周路面砖的接缝宽度不应小于2mm。G.井点等结构物周围突出部位给予清除,并用基层材料修整至基层顶面标高;其周围的路面砖不得使用切断块,未铺筑部分及时用细石砼填补。4.压实面包砖待面包砖铺砌后经检验各块体对应角点连线的平直度和纵横坡合格后,采用强力平板振动(离心力16—20kN,底盘面积0.35—0.5m2,振动频率为75—100Hz),或12t的小型振动压路机振压2—3次,使表面平整、松铺的垫砂达到密实,部分砂充实于接缝的底部。振压时注意施工自由边1米宽范围内不得施振。5.细砂填缝面包砖体振压结实平整后,用干细砂(含水量小于2%)填满砌体间的缝隙再振压一次,后将表面多余的细砂清除。填缝砂级配必须满足相关验收规范的要求。扫砂和振实交替进行2〜3遍。6面包砖铺砌面层标高允许偏差如下:预制砼块铺砌面层允许偏差、检验数量和方法序号项目允许偏差(mm)检验单元和数量单元测点检验方法面包砖1标咼±10每处(道路:每20m一处,停车场:每100m2—处)道路:3停车场:1用水准仪检查,道路测中线和边线,停车场测10m方格网中2平整度52用2m靠尺和契形塞尺量垂直方向3相邻块顶面咼差3每处(道路:每20m一处,停车场:每100m2—处)1用钢尺量,取大值4砌筑顺直102拉20m线用钢尺量纵横缝,取大值5砌缝最大宽度W31用钢尺量,取大值四、质量保证措施:1、质量管理体系:铺设联锁块施工是道路堆场工程的关键工序之一,要严格遵循施工规范及业主提供的技术规格书,确保施工质量。为此,在监理工程师监控指导下,我部将建立由总工程师领导的质量管理体系(如下图),进行层层管理、层层控制,确保施工质量。质量管理体系2、质量保证措施:(1)联...

1、当您付费下载文档后,您只拥有了使用权限,并不意味着购买了版权,文档只能用于自身使用,不得用于其他商业用途(如 [转卖]进行直接盈利或[编辑后售卖]进行间接盈利)。
2、本站所有内容均由合作方或网友上传,本站不对文档的完整性、权威性及其观点立场正确性做任何保证或承诺!文档内容仅供研究参考,付费前请自行鉴别。
3、如文档内容存在违规,或者侵犯商业秘密、侵犯著作权等,请点击“违规举报”。

碎片内容

铺设联锁块典型施工方案

确认删除?
VIP
微信客服
  • 扫码咨询
会员Q群
  • 会员专属群点击这里加入QQ群
客服邮箱
回到顶部