电脑桌面
添加小米粒文库到电脑桌面
安装后可以在桌面快捷访问

工程质量目标及施工质量保证措施VIP免费

工程质量目标及施工质量保证措施_第1页
1/19
工程质量目标及施工质量保证措施_第2页
2/19
工程质量目标及施工质量保证措施_第3页
3/19
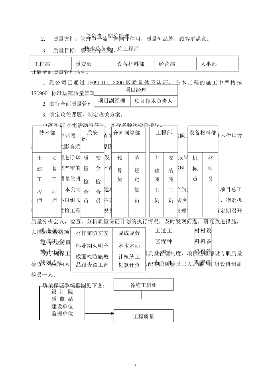
1工程质量目标及施工质量保证措施第一节工程的科学管理措施一、创优规划1.质量方针:管理争一流,合同守信用,质量创品牌,顾客更满意。2.质量目标:达到合格标准。3.工期目标:在满足总工期的前提下,确保里程碑工程提前交付。4.安全目标:杜绝因工死亡事故,杜绝重大机械事故及重大交通事故。5.文明施工目标:争创市级示范文明工地。二、施工管理措施1.组建精干高效的领导班子,配备经验丰富的管理人员,项目经理、副经理、总工程师及各专业技术人员均从事过多栋建筑的施工。2.为保证该工程的建设质量,抽调有关专家并聘专家现场参与技术管理工作,负责重点施工方案的制定、施工监测及技术指导工作。3.基层人员配备熟练的技术工人,选择有丰富施工经验及一定管理组织才能的人员担任领班及组长。4.完善各项管理制度,根据设计文件、图纸及有关规范编制《施工手册》,人手一册,并进行培训,持证上岗。5.为适应信息化时代要求,施工中进行信息化管理,即施工计划网络资源管理、施工监测等进入计算机系统,采用先进的管理软件对施工全过程进行控制。6.严格实施责任到人管理制度。7.施工中不断进行施工方案优化,以求得施工方案的先进科学和成熟,提高我公司在城市建设领域的施工水平。8.配备先进的施工机械设备,采用合理的机械化配套施工,确保工程高质快速施工。9.采用先进的实验量测设备控制工程质量。10.加强文明施工管理,把交通干扰、环境污染和噪音及对周边建筑物的影响减少到最低限度。第二节工程质量保证体系一、定出明确的质量目标,提高全员质量意识1.质量原则:上道工序不合格决不允许进入下一道工序,质量具有否决权。22.质量方针:管理争一流,合同守信用,质量创品牌,顾客更满意。3.质量目标:确保合格工程。二、执行按GB/T19001:2000-IS09001:2000质量保证模式标准建立的质量体系,开展全面质量管理活动。1.我公司已通过IS09001:2000版质量体系认证,在本工程的施工中严格按ISO9OO1标准规范质量管理和质量保证行为。2.实行全面质量管理,开展群众性质量小组活动。3.确定攻关课题,制定攻关方案。4•落实QC小组活动责任制,实行多频次检查指导。5•运用排列图、因果图、直方图、控制图等统计技术,按照PDCA循环的基本作用方法,分析研究影响质量波动的原因,采取对策,进行控制。6.定期进行QC小组成果发布,巩固和放大QC小组活动成果。三、建立严密的质量保证体系,从组织上确保质量目标实现1.建立质量管理领导小组中标后,本公司将迅速组建项目经理部,项目经理部成立质量领导小组,项目总工程师任领导小组组长,成员由各方面人员组成,包括检测与试验、技术、施工、物资机械等部门。质检工程师详细情况见人员简历与经验表。质量管理领导小组负责定期召开质量分析会议,检查、分析质量保证计划的执行情况,及时发现问题,研究改进措施,以推运和改进项目经理部所属的质量管理工作。2.建立质量组织管理体系为了确保工程质量,在项目经理部实行三级质量管理制度,项目经理部设专职质量检查工程师两人(中级以上职称),每个施工队配专职质检员二人,施工班组设班组质检员一人。质量保证系统框图见下图:总负责:副总经理工程部质安部设备材料部经营部人事部技术总负责:总工程师项目经理项目副经理项目技术负责人技术部土安建装工工程程师师质安部质安量全检检查查员员合同预算部工程部预劳土安算资建装员定施施额工工员员员设备材料部机械员材料员材作定防文安成成成劳料业期火明全本本本动成面检防施教计核统工品跟杳盗工育划算计资测进施技量度工术放计工资线划艺料工过工艺程种执控协行制调材材设料料备采保管购管理33.质量检查程序框图见下图:5第三节建筑防渗漏措施目前深圳地区的建筑物渗漏主要发生在和楼房外墙、屋面、卫生间有关的部位。为了防止发生渗漏,拟采取如下措施。一、外墙的防渗漏措施1.做好砼外墙砌体不同材料的接口,铺钉300宽钢丝网。2.突出墙面的腰线、檐板、窗台上部应做不小于3%的向外排水坡,下部应做滴水,与墙交角处做成直径100mm的圆角。3.防水砂浆层应留置分隔缝,缝的纵横间距不宜大于3m,宽度宜为10mm,深度为防水砂浆层的厚度,...

1、当您付费下载文档后,您只拥有了使用权限,并不意味着购买了版权,文档只能用于自身使用,不得用于其他商业用途(如 [转卖]进行直接盈利或[编辑后售卖]进行间接盈利)。
2、本站所有内容均由合作方或网友上传,本站不对文档的完整性、权威性及其观点立场正确性做任何保证或承诺!文档内容仅供研究参考,付费前请自行鉴别。
3、如文档内容存在违规,或者侵犯商业秘密、侵犯著作权等,请点击“违规举报”。

碎片内容

工程质量目标及施工质量保证措施

您可能关注的文档

确认删除?
VIP
微信客服
  • 扫码咨询
会员Q群
  • 会员专属群点击这里加入QQ群
客服邮箱
回到顶部