电脑桌面
添加小米粒文库到电脑桌面
安装后可以在桌面快捷访问

水上打桩方案VIP免费

水上打桩方案_第1页
1/8
水上打桩方案_第2页
2/8
水上打桩方案_第3页
3/8
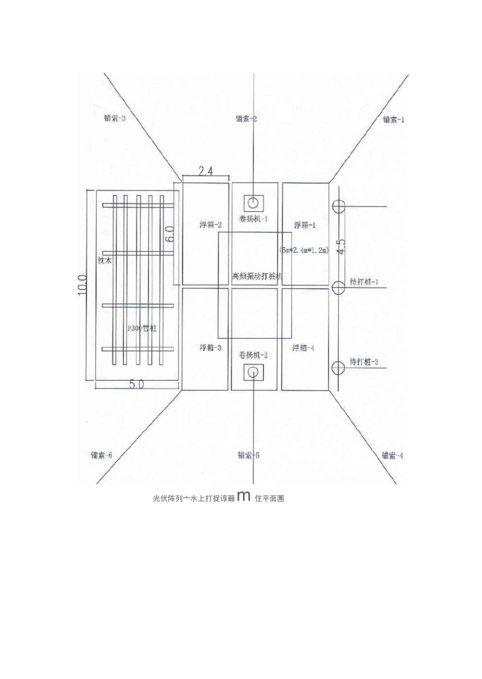
㈡、水上桩基施工方案针对以上情况,根据本工程的实际情况和我公司多年的施工经验,为满足施工要求,三里河水库水面积虽然较大,但风浪较小,我公司拟采用水上浮箱法PC200-300高频振动打桩机进行施工。1、浮箱制作单个浮箱结构外形定为:6m*2.4m*1.2m(长*宽*高),使用时用此大小的6个浮箱组成大型浮体。为了保证浮箱的整体稳定性和浮体间的刚度,要确保连接件的强度、刚度以及浮体构件连接的可靠性。连接方法:纵向接头:上:搭接单销;下:搭钩。横向接头:上:搭接单销;下:搭钩。光伏阵列-水上打桩浮箱组合平面图。光伏阵列-水上打桩浮箱组合立面图、水上堆桩平台(汽油桶浮体)图。2、浮箱承载力及浮体计算单个6m*2.4m*1.2m(长*宽*高)浮箱,自重约3.31,单箱承载力90KN,相当于9.8t的力,6个浮箱组成的1个浮体,就相当于6*9.8=58.81的浮力。1台PC200-300高频振动打桩机自重21-321之间,从浮力上计算,是可以满足打桩施工要求的。3、打桩浮箱就位及打桩打桩浮箱在测量仪器控制下就位,收放缆绳调整打桩浮箱的位置,收紧绞缆,稳定打桩浮箱(体)。沉桩过程用经纬仪及时跟踪观测桩身状态,了现偏斜及时调整校正,使误差控制在允许范围内。沉桩时须视土质和贯入速率及时调整桩锤的振幅和频率,低幅高频和高幅低频交替运用,以避免桩身偏斜。光伏阵列亠水上打捉谆籬m住平面團4、水上桩的运输水上桩的运输采用12t拖船拖动4个6m*2.4m*1.2m(长*宽*高)浮箱组成的1个浮体,或采用柴油机螺旋桨动力浮箱直接运输,浮体(伐)上放置需运输的管桩。P300管桩浮体(伐)运输图-1;P300管桩浮体(伐)运输图-2。5、浮箱上打桩安全措施⑴、水上打桩作业人员必须遵守安全操作规程,严格执行施工组织设计和措施。⑵、必须选择排水量比桩机重量大四倍以上的浮箱(体),锚位固定可靠,打桩浮箱(体)的偏斜度超过3°时,应停止作业,大雨、大雾或风力大于六级以上的恶劣天气,严禁作业。遇有台风警报时,必须采取有效的避风措施。⑶、打桩浮箱(体)上油料应有防晒、防雨措施,必须配备灭火器材,并严格动火审批。⑷、电源电线和开关箱接线正确牢靠,绝缘良好,触电保护器灵敏有效。⑸、应划定打桩浮箱(体)安全作业的水域范围,并经港监部门批准发布通告后,按要求设置警示标志。⑹、打桩前应检查桩机部件制动有效,钢丝绳完好无损,滑润良好,桩锤吊钩吊环及保险无变形、损坏,桩管的垂直度符合要求。⑺、运桩浮箱(体)应按打桩顺序合理装载,打桩浮箱(体)从驳船浮箱(体)上取吊桩时,应对称取吊,防止桩驳船浮箱(体,偏重,出现桩滑动和浮箱(体,只倾覆。⑻、暂停作业时,应将桩锤放至船面,不得悬吊在空中。严禁锤头悬吊上空时,进行检修作业。⑼、作业中,发生故障,应停机放下桩锤,查找原因,排除故障后方可继续作业。⑽、水上打桩作业人员应穿救生衣,并配备救生船派潜水员值班监护。必要时,应配交通指挥监督船,防止船只进入打桩区域。(11)、在浮箱(体)上的打桩人员,不准在浮箱(体)的带缆桩、绳缆通过的牙口处停留或休息,防止被缆绳伤害。(12)、作业人员上下打桩浮箱(体)时,要待舢舨停稳系牢依次上下,舢舨不准超员超载,遇有较大风浪应暂停运送,舢舨与上下人员的地点高差超过lm时,应使用梯子,禁止蹦跳。(13)、水上打桩作业由于受风浪等诸多因素影响,打桩过程中会遇到各种问题,必须认真对待,采取有效措施,确保安全作业。R300管桩浮伐(箱)运输图TPSO■J9-3浮箱T桩P300W柴汕机螺旋2动力浮箱-6浮箱-5浮箱-4P300管桩浮伐(箱)运输工具-2

1、当您付费下载文档后,您只拥有了使用权限,并不意味着购买了版权,文档只能用于自身使用,不得用于其他商业用途(如 [转卖]进行直接盈利或[编辑后售卖]进行间接盈利)。
2、本站所有内容均由合作方或网友上传,本站不对文档的完整性、权威性及其观点立场正确性做任何保证或承诺!文档内容仅供研究参考,付费前请自行鉴别。
3、如文档内容存在违规,或者侵犯商业秘密、侵犯著作权等,请点击“违规举报”。

碎片内容

水上打桩方案

您可能关注的文档

确认删除?
VIP
微信客服
  • 扫码咨询
会员Q群
  • 会员专属群点击这里加入QQ群
客服邮箱
回到顶部