电脑桌面
添加小米粒文库到电脑桌面
安装后可以在桌面快捷访问

沉降变形观测方案VIP免费

沉降变形观测方案_第1页
1/17
沉降变形观测方案_第2页
2/17
沉降变形观测方案_第3页
3/17
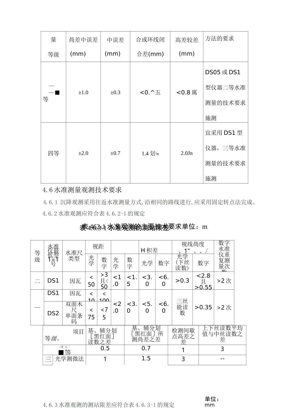
沉降变形观测方案1、工程概况兰渝铁路LYS-4标一分部承建的工程位于宕昌县官亭镇与两河口乡,为时速200km客货共线(双箱运输)电气化双线铁路。合同段起讫里程为:DK285+811〜DK303+782,全长17.971km。主要工程项目为天池坪隧道(14528m)羊古堆隧道(439m)、化马隧道(进口段2500m)以及龚家沟中桥108.5m(2(3-32)m连续梁桥)、庙下中桥124.2m(3X32m梁)、羊古堆中桥81.5m(2X32m梁)。2、编制依据《国家一、二等水准测量规范》(GB/T12897-2006)《建筑沉降变形测量规程》(JGJ/T8-2007)《新建铁路工程测量规范》(GB50026-2007)《新建铁路兰州至重庆线沉降变形观测管理办法》《客运专线铁路无砟轨道铺设条件评估技术指南》3、沉降、位移变形观测的目的及意义兰渝铁路铺设无砟轨道地段的工后沉降要求严格、标准较高,设计中对土质路基、桥梁墩台基础等均进行了沉降变形计算,采取了相应的设计措施,施工期必须按设计要求进行系统的沉降变形动态监测。通过对沉降观测数据系统综合分析评估,验证或调整设计措施,使路基、桥涵、隧道工程达到规定的变形控制要求,分析、推算出最终沉降量和工后沉降,合理确定无砟轨道开始铺设时间,确保兰渝铁路无砟轨道结构铺设质量。4、沉降变形测量4.1兰渝铁路LYS-4标一分部管区沉降变形观测工作以桥梁、隧道等建(构)筑物的垂直位移观测为主,根据桥梁、隧道工点具体要求确定。4.2兰渝铁路工程测量的高程系统应采用1985国家高程基准。4.3结构物的变形监测应建立独立的变形监测网,覆盖范围一般不宜小于4公里,基准点选择应优先考虑利用CPI、CPII和水准基点。4.4结构物的变形监测应充分利用CPI、CPII和水准基点作为水平和垂直位移监测的工作基点。4.5测量等级及精度要求4.5.1基准网、变形点测量网均按三等水准测量精度进行。若监测地段含无砟轨道时则应以二等水准测量精度进行。垂直位移监测基准网应布置成闭合环状、节点水准路线等形式。4.5.2变形测量精度符合表4.5.2-1的规定表4.5.2-1变形测量精度变形测量等级垂直位移测量水平位移观测变形观测点的咼程中误差(mm)相邻变形观测点的咼差中误差(mm)变形观测点的点位中误差]mm)无砟轨道(二等)±0.5±0.3±3.0无砟轨道(三等)±1.0±0.5±6.0有砟轨道(四等)±2.0±1.04.5.3沉降变形观测网主要技术要求符合表4.5.3-1的规定表4.5.3-1沉降变形观测网的主要技术要求变形测相邻基准点每站咼差往返较差、附检测已测使用仪器、观测表4.6.3-1水准观测的测站限差量等级咼差中误差(mm)中误差(mm)合或环线闭合差(mm)高差较差(mm)方法的要求——■等±1.0±0.3<0.^五<0.8厲DS05或DS1型仪器二等水准测量的技术要求施测四等±2.0±0.71.4划'n2.0Jn宜采用DS1型仪器,三等水准测量的技术要求施测4.6水准测量观测技术要求4.6.1沉降观测采用往返水准测量方式,沿相同的路线进行,应采用固定转点法完成。4.6.2水准观测应符合表4.6.2-1的规定表462-1水准观测的主要技术要求单位:m等级水准仪最低型1=1号水准尺类型视距H积差视线咼度、1”、、/数字水准仪重复测量次数光学数字光学数字光学数字光学(下丝读数)数字二DS1因瓦<50>3且<50<1.0<1.5<3.0<6.0>0.3<2.8且>0.55>2次—DS1因瓦<10<100<2.0<3.0<5.0<6.0三丝能读数>0.35>2次DS2双面木尺单面条码<75<75项目等级、基、辅分划[黑红面]读数之差基、辅分划[黑红面]所测咼差之差检测间歇点高差之差上下丝读数平均值与中丝读数之差,'人'(、'■等0.50.713三光学测微法11.53--4.6.3水准观测的测站限差应符合表4.6.3-1的规定单位:mm中丝读数法234.7沉降变形测量点的布置要求4.7.1沉降变形测量点分为基准点、工作基点和沉降变形观测点三类,其布设按下列要求:1基准点。要求建立在沉降变形区以外的稳定地区,基准点使用全线的基岩点、深埋水准点、CPI、CPII和二等水准点,增设时按国家二等水准测量的相关要求执行。基准点标石埋设规格应符合图4.7.1的规定。450/1注:1-盖;2-砖;3-素土;4-贫混凝土;5-冻土线4.7.1基准点标石埋设图2工作基点。要求这些点埋设在稳定区域,在观测期间稳定不变,测定沉降变形点时作为高程和坐标的传递点。工作基点除使用普...

1、当您付费下载文档后,您只拥有了使用权限,并不意味着购买了版权,文档只能用于自身使用,不得用于其他商业用途(如 [转卖]进行直接盈利或[编辑后售卖]进行间接盈利)。
2、本站所有内容均由合作方或网友上传,本站不对文档的完整性、权威性及其观点立场正确性做任何保证或承诺!文档内容仅供研究参考,付费前请自行鉴别。
3、如文档内容存在违规,或者侵犯商业秘密、侵犯著作权等,请点击“违规举报”。

碎片内容

沉降变形观测方案

确认删除?
VIP
微信客服
  • 扫码咨询
会员Q群
  • 会员专属群点击这里加入QQ群
客服邮箱
回到顶部