电脑桌面
添加小米粒文库到电脑桌面
安装后可以在桌面快捷访问

钢面型酚醛复合风管的施工制作工艺VIP免费

钢面型酚醛复合风管的施工制作工艺_第1页
1/13
钢面型酚醛复合风管的施工制作工艺_第2页
2/13
钢面型酚醛复合风管的施工制作工艺_第3页
3/13
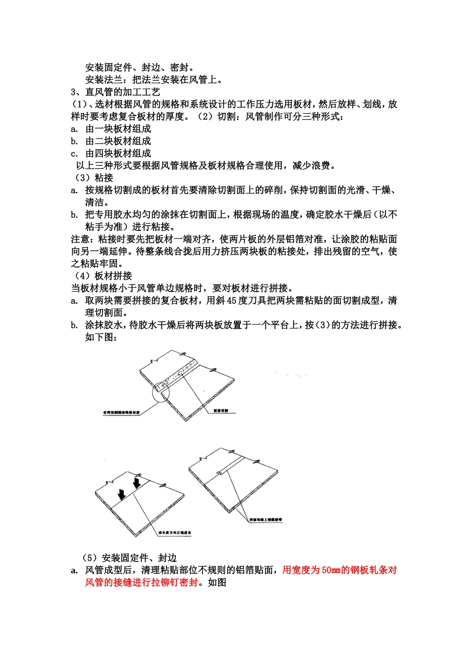
钢面型酚醛复合风管的施工制作工艺1.制作风管的工具钢面型酚醛复合风管可以通过机械设备加工和简单的手工工具加工两种形式,机械设备加工适用于大面积、成批量的风管加工,要求加工场地较大;手工工具制作复合风管较为灵活,适用于各种场所的施工,本工艺主要是对简单的手工工具制作风管工艺进行说明。制作复合风管的工具主要是刀具,分为左45°角,右45°角,90°直角和双刨刀四种(如图)要求刀架的精度高(由厦门高特公司专供),刀片锋利,耐磨,各种刀具所使用的刀片均可以互换。2、复合风管加工步骤:放样:按设计文件确定的内径尺寸进行放样,它不同于钢制风管,不可以忽略板材的厚度(标准厚度为20㎜)。切割:按划出的线条使用专用刀具与金属切割机切割。粘接:把准备好的板材粘接成型。安装固定件、封边、密封。安装法兰:把法兰安装在风管上。3、直风管的加工工艺(1)、选材根据风管的规格和系统设计的工作压力选用板材,然后放样、划线,放样时要考虑复合板材的厚度。(2)切割:风管制作可分三种形式:a.由一块板材组成b.由二块板材组成c.由四块板材组成以上三种形式要根据风管规格及板材规格合理使用,减少浪费。(3)粘接a.按规格切割成的板材首先要清除切割面上的碎削,保持切割面的光滑、干燥、清洁。b.把专用胶水均匀的涂抹在切割面上,根据现场的温度,确定胶水干燥后(以不粘手为准)进行粘接。注意:粘接时要先把板材一端对齐,使两片板的外层铝箔对准,让涂胶的粘贴面向另一端延伸。待整条线合拢后用力挤压两块板的粘接处,排出残留的空气,使之粘贴牢固。(4)板材拼接当板材规格小于风管单边规格时,要对板材进行拼接。a.取两块需要拼接的复合板材,用斜45度刀具把两块需粘贴的面切割成型,清理切割面。b.涂抹胶水,待胶水干燥后将两块板放置于一个平台上,按(3)的方法进行拼接。如下图:(5)安装固定件、封边a.风管成型后,清理粘贴部位不规则的铝箔贴面,用宽度为50㎜的钢板轧条对风管的接缝进行拉铆钉密封。如图b.风管的内表面粘贴缝也要进行密封,根据风管输送介质特性,可使用密封胶或硅酸胶进行密封。如图注意,板材粘贴表面要干燥、清洁,使胶带同板面粘贴牢固,排净残留的空气。c.为加强风管的抗压强度,每段风管两个端面的四个角均要进行加固,使用钢制90°角加固件,与风管端面四角粘贴即可达到要求。如图(6)高特酚醛复合风管法兰采高特用自主研发、生产的专用配套法兰。(如图)a.按风管的内径截取相应的四段法兰,截取法兰型材要准确,法兰过长或过短会影响风管的漏风量和后续制作工艺。b.把截取的法兰型材无凹槽的一面与风管的端面涂胶,待胶水干燥后把法兰粘贴到风管的端面上,长边置于管内。(如图)4、直角弯头的加工工艺(1)矩形弯头由两块侧壁扳,内弧板、外弧板四部分组成,侧板按设计参数进行放样下料(如图)(2)内弧板边和外弧板边切割成斜45°。(3)矩形弯头的曲率半径为1.5D,根据这一参数选择板材,放样,制作内外弧板。(4)在内、外弧板需弯曲的部位开槽,槽与槽的间距见下表:间距(㎜)圆弧曲率(㎜)25150-32035320-63050630-80080800以上(5)把切割完成的内、外弧板开槽处涂胶,然后按侧板的弯曲线加工成型(如图)(6)侧板与弧板的连接面涂胶,待胶干燥后把四块板材组合成形。(如图)注意:弧板的开槽处要用胶带密封,使表面光滑。(7)矩形弯头法兰的安装方法与直管法兰安装方法相同。5、来回弯管制作工艺(1)依据设计参数选取板材放样、切割。(2)把需要粘贴的部分切割出斜45度角。(3)涂胶成型,如图6、三通的制作工艺(1)按设计规格选取板材,先制作三通的上下两面(上底面、下底面)(2)三通的两个侧面相当于矩形弯头的侧面,按设计参数放样、切割、开槽,然后成型。(3)三通顶面展开为一块矩形板面,放样后根据三通的规格开槽成型(如图)(4)把上、下两底面,两侧面和顶面需粘贴的部位切割出斜45度角,清除切割面的杂物然后涂胶,组合。(如图)(5)三通的法兰安装方法与直管的法兰安装形式相同7、变径管的制作工艺:(1)按设计先制作无弯的三个面;(2)有弯的面制成矩形后按弯头弧板工艺制作(如...

1、当您付费下载文档后,您只拥有了使用权限,并不意味着购买了版权,文档只能用于自身使用,不得用于其他商业用途(如 [转卖]进行直接盈利或[编辑后售卖]进行间接盈利)。
2、本站所有内容均由合作方或网友上传,本站不对文档的完整性、权威性及其观点立场正确性做任何保证或承诺!文档内容仅供研究参考,付费前请自行鉴别。
3、如文档内容存在违规,或者侵犯商业秘密、侵犯著作权等,请点击“违规举报”。

碎片内容

钢面型酚醛复合风管的施工制作工艺

确认删除?
VIP
微信客服
  • 扫码咨询
会员Q群
  • 会员专属群点击这里加入QQ群
客服邮箱
回到顶部