电脑桌面
添加小米粒文库到电脑桌面
安装后可以在桌面快捷访问

储罐水压试验方案VIP免费

储罐水压试验方案_第1页
1/20
储罐水压试验方案_第2页
2/20
储罐水压试验方案_第3页
3/20
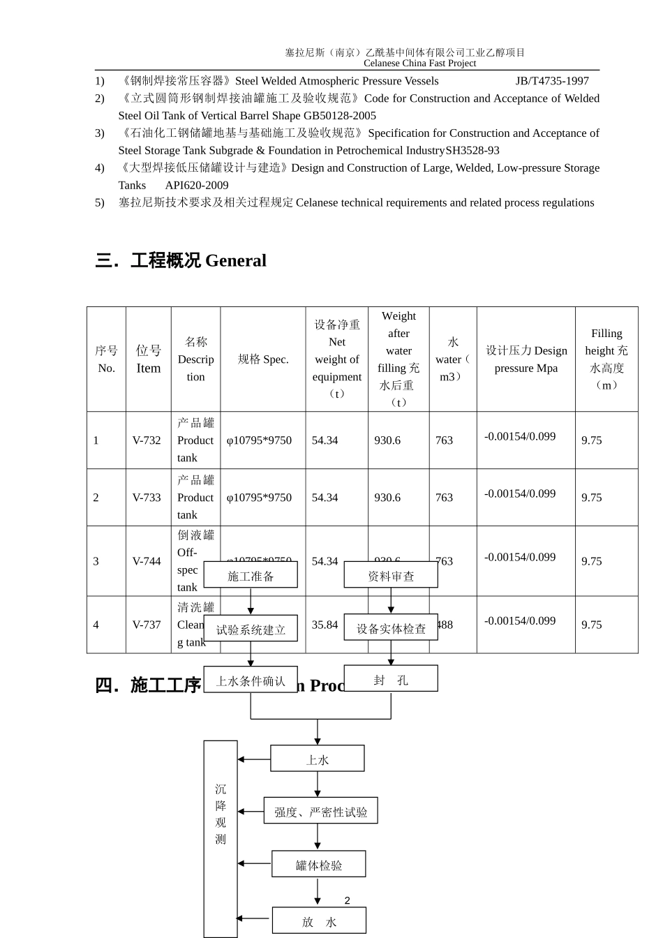
塞拉尼斯(南京)乙酰基中间体有限公司工业乙醇项目CelaneseChinaFastProject文件类型Documenttype文件页数Pages版次Version修订说明Revisionnote受控编号ControllednumberGH201版Version1首次1st储罐充水试压方案TankHydro-testPlan22012年11月1日Nov.1,2012版次Edition日期Date编制Formulatedby审核Reviewedby批准Approvedby中国化学工程第十三建设有限公司The13thConstructionCo.,Ltd.ofCNCE1塞拉尼斯(南京)乙酰基中间体有限公司工业乙醇项目CelaneseChinaFastProject储罐充水试压方案TankHydro-testPlan目录Contents一适用范围RangeofApplication..............................................................2二编制依据FormulationBasis..................................................................2三工程概况General....................................................................................2四施工工序ConstructionProcedure........................................................3五施工步骤及方法ConstructionProcedureandMethod......................45.1检查内容Checkthecontents:...........................................................................................................45.2准备工作Preparatorywork:.............................................................................................................45.3充水试验应符合下列规定Thehydro-testshallbeincompliancewithfollowingregulations.......55.4水压试验示意图Hydro-testDiagram...........................................................................................65.5充水过程检查InspectionforWaterFillingProcess.......................................................................75.6充水试验方法Hydro-testmethod..................................................................................................85.7基础沉降观测FoundationSettlementObservation......................................................................105.8放水检查InspectionforWaterDraining......................................................................................125.9试压技术要求TechnicalRequirementsforPressureTest...........................................................13六质量管理QualityManagement............................................................136.1质量保证体系QualityGuaranteeMeasures:.............................................................................136.2质量保证措施QualityGuaranteeMeasures:............................................................................14七质量管理QualityManagement............................................................157.1安全保证体系Safetyassurancesystem:....................................................................................157.2安全保证措施计划Planningforsafetyassurancemeasures:.....................................................16八人力计划VII.PlanningforLaborForces............................................18九机具准备VII.PreparationsofMachinesandTools...........................18十工作危险源分析评估及预防Work-relatedHazardAnalysisEvaluationandPrevention.........................................................................19一.适用范围RangeofApplication1.本方案适用于塞拉尼斯(南京)乙酰基中间体有限公司工业乙醇项目八期改造扩建罐区4台储罐的充水试验的施工。Thisplanisapplicabletotheexecutionofthehydro-testfor4tanksinthemodificationandexpansionofthetankfarmofCelaneseChinaFastProject.二.编制依据FormulationBasis1塞拉尼斯(南京)乙酰基中间体有限公司工业乙醇项目CelaneseChinaFa...

1、当您付费下载文档后,您只拥有了使用权限,并不意味着购买了版权,文档只能用于自身使用,不得用于其他商业用途(如 [转卖]进行直接盈利或[编辑后售卖]进行间接盈利)。
2、本站所有内容均由合作方或网友上传,本站不对文档的完整性、权威性及其观点立场正确性做任何保证或承诺!文档内容仅供研究参考,付费前请自行鉴别。
3、如文档内容存在违规,或者侵犯商业秘密、侵犯著作权等,请点击“违规举报”。

碎片内容

储罐水压试验方案

确认删除?
VIP
微信客服
  • 扫码咨询
会员Q群
  • 会员专属群点击这里加入QQ群
客服邮箱
回到顶部