电脑桌面
添加小米粒文库到电脑桌面
安装后可以在桌面快捷访问

数控车练习系列图纸VIP免费

数控车练习系列图纸_第1页
1/81
数控车练习系列图纸_第2页
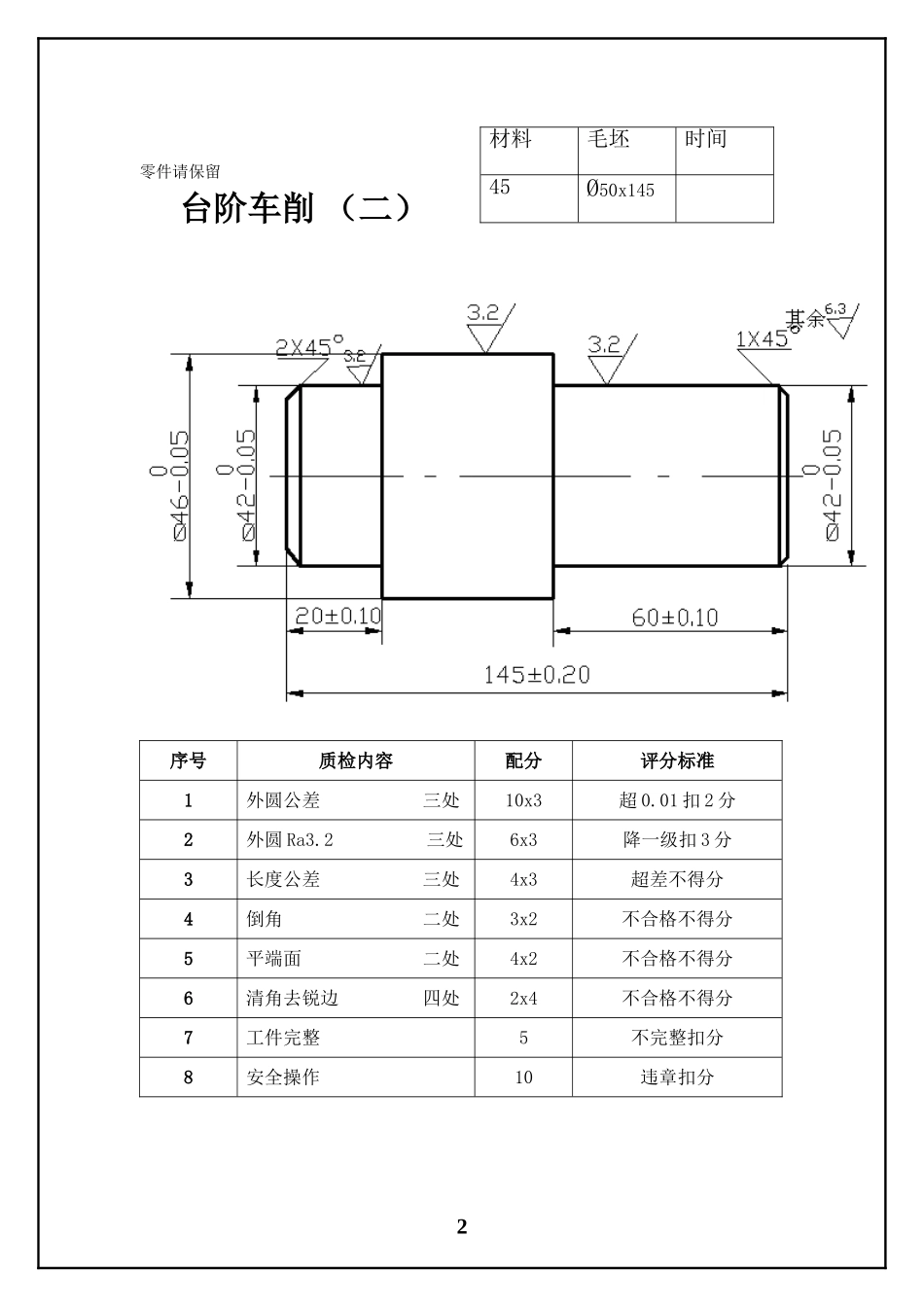
2/81
数控车练习系列图纸_第3页
3/81
外圆车削(一)要求:车削一定要在熟悉车床之后进行并首先会刃磨外圆车刀。DLRa1Ø45—00.10142±0.506.32Ø40—00.10140±0.303.2序号质检内容配分评分标准1外圆公差30超0.02扣5分2外圆RX6.320降一级扣10分3长度公差10超差不得分4倒角二处5×2不合格不得分5平端面二处5×2不合格不得分6接刀痕5接刀痕大扣分7工件完整5不完整扣分8安全文明操作10违章扣分1零件请保留台阶车削(二)序号质检内容配分评分标准1外圆公差三处10x3超0.01扣2分2外圆Ra3.2三处6x3降一级扣3分3长度公差三处4x3超差不得分4倒角二处3x2不合格不得分5平端面二处4x2不合格不得分6清角去锐边四处2x4不合格不得分7工件完整5不完整扣分8安全操作10违章扣分材料毛坯时间45Ø50x1452材料毛坯时间45Ø50x150多台阶车削(三)序号质检内容配分评分标准1外圆公差六处5x6超0.01扣2分,超0.02不得分2外圆Ra3.2六处3x6降一级扣2分3长度公差六处3x6超差不得分4倒角二处2x2不合格不得分5清角去锐边十处10不合格不得分6平端面二处2x2不合格不得分7工件外观6不完整扣分38安全文明操作10违章扣分此件用上次课件改制材料毛坯时间45一夹一顶练习(四)序号质检内容配分评分标准1外圆公差四处8x4超0.01扣2分,超0.02不得分2外圆Ra3.2四处4x4降一级扣2分3长度公差四处3x4超差不得分4倒角二处3x2不合格不得分5清角二处2x3不合格不得分6平端面二处3x2不合格不得分47中心孔5不合格不得分8工件外观7不完整扣分9安全文明操作10违章扣分要求:会正确使用A.B型中心钻。会使用活顶尖此件用课件(三)改制车槽练习(五)序号质检内容配分评分标准1外圆公差四处6x4超0.01扣2分,超0.02不得分2外圆Ra3.2四处3x4降一级扣2分3外沟槽四处6x4超差槽壁不直扣分材料毛坯时间4554长度公差四处3x4超差不得分5倒角二处2x2不合格不得分6清角去锐边5一处不合格扣0.5分7平端面二处2x2不合格不得分8中心孔2不合格不得分9工件外观5不完整扣分10安全文明操作7违章扣分要求:会刃磨槽刀及切断刀。此课件用课件(四)改制圆锥车削(六)序号质检内容配分评分标准1外圆公差三处8x3超0.01扣2分,超0.02不得分材料毛坯时间4562外圆Ra3.2三处4x3降一级扣2分3锥体二处10x2超1´扣2分4锥体Ra3.2二处5x2降一级扣3分5长度公差三处3x3超差不得分6清角去锐边六处6一处不合格扣1分7平端面二处2x2不合格不得分8工件完整5不完整扣分9安全文明操作10违章扣分要求:了解掌握锥体检测的方法综合件车削(七)序号质检内容配分评分标准材料毛坯时间45Ø40x15071外圆公差四处6x4超0.01扣2分,超0.02不得分2外圆Ra3.2四处4x4降一级扣2分3沟槽二处8x2超差槽壁不直扣分4锥体Ra3.2二处10/5超1´扣2分,降一级扣2分5长度公差三处3x3超差不得分6倒角1x45°2不合格不得分7清角去锐边三处0.5x8不合格不得分8平端面二处2x2不合格不得分9中心孔2不合格不得分10工件完整4不完整扣分11安全文明操作4违章扣分第一阶段测验材料毛坯时间45Ø32x145180分钟滚花练习(八)8序号质检内容配分评分标准1外圆公差二处5x2超0.01扣2分2外圆Ra3.2二处4x2降一级扣2分3滚花三处10x3花纹不清乱纹扣分4沟槽二处5x2超差不得分5长度公差三处3x3超差不得分6倒角八处2x8不合格不得分7平端面二处2x2不合格不得分8中心孔二处2x2不合格不得分9工件完整4不完整扣分10安全文明操作4违章扣分要求:会刃磨45°车刀此课件留做下一课题材料毛坯时间45Ø32x145180分钟9两顶尖装夹车削(九)序号质检内容配分评分标准1外圆公差五处5x5超0.01扣2分超0.02不得分2外圆Ra3.2五处3x5降一级扣2分3同轴度10超0.02扣5分4平行度10超0.01扣5分5长度公差五处3x5超差不得分6倒角四处2x4不合格不得分7清角去锐边六处1x6不合格不得分8中心孔二处2x2不合格不得分9工件完整3不完整扣分10安全文明操作4违章扣分10要求:会车制前顶尖及使用,会使用鸡心夹。此题用课件八改制并保留做下一课题材料毛坯时间45圆弧槽车削(十)序号质检内容配分评分标准1外圆公差三处6x3超0.01扣2分2外圆Ra3.2三处4x3降一级扣2分3圆弧槽四处5x2R规检测.间隙大扣分4长度公差三处3x3超差不得分5倒角二处2x2不合格不得分6清角去锐边二处1x4不合格不得分7中...

1、当您付费下载文档后,您只拥有了使用权限,并不意味着购买了版权,文档只能用于自身使用,不得用于其他商业用途(如 [转卖]进行直接盈利或[编辑后售卖]进行间接盈利)。
2、本站所有内容均由合作方或网友上传,本站不对文档的完整性、权威性及其观点立场正确性做任何保证或承诺!文档内容仅供研究参考,付费前请自行鉴别。
3、如文档内容存在违规,或者侵犯商业秘密、侵犯著作权等,请点击“违规举报”。

碎片内容

数控车练习系列图纸

您可能关注的文档

确认删除?
VIP
微信客服
  • 扫码咨询
会员Q群
  • 会员专属群点击这里加入QQ群
客服邮箱
回到顶部