电脑桌面
添加小米粒文库到电脑桌面
安装后可以在桌面快捷访问

试验检测频率一览表VIP免费

试验检测频率一览表_第1页
1/52
试验检测频率一览表_第2页
2/52
试验检测频率一览表_第3页
3/52
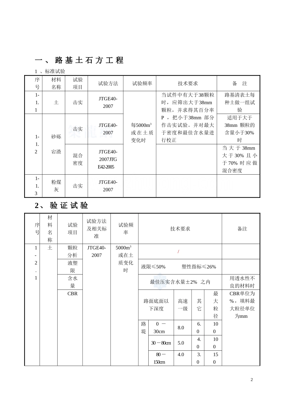
试验检测频率一览表1一、路基土石方工程1、标准试验序号材料名称试验项目试验方法试验频率技术要求备注1-1.1土击实JTGE40-2007每5000m3或在土质变化时当试件中有大于38颗粒时,应筛出大于38mm颗粒,并求得其百分率P,把小于38mm部分作击实试验。并对最大于密度和最佳含水量进行校正路基清表土每种土做一组试验1-1.2砂砾宕渣击实JTGE40-2007适用于大于38mm颗粒的含量小于30%时混合密度JTGE40-2007JTGE42-2005当大于38mm大于30%且小于70%时应做混合密度1-1.3粉煤灰击实JTGE40-20072、验证试验序号材料名称试验项目试验方法及相关标准试验频率技术要求备注1-2.1土颗粒分析JTGE40-20075000m3或在土质变化时/液塑限液限≤50%塑性指标≤26%含水量最佳压实含水量±2%之内用透水性不良的材料时CBR路面底面以下深度高速一级其它最大粒径CBR单位为%,填料最大粒径单位为mm路堤0-30cm8.06.010030-80cm5.04.010080-150cm4.03.01502>150cm3.02.0150零填及路堑路床(0-30cm)8.06.0100易溶盐含量每料源一次/高速、一级公路要求有机质含量≤5%1-2.2宕渣颗粒分析JTGE40-20075000m3或在土质变化时/验证试验序号材料名称试验项目试验方法及相关标准试验频率技术要求备注1-2.3粉煤灰颗粒分析JTGE40-2007JTJ016-93GB/T1596-2005每料源一次粒径应在0.001-2mm之间,<0.074mm含量宜>45%烧失量每料源一次宜小于12%含水量随时CBR需要时做1-2.4塑料排水板复合体JTJ/T257-96每批做一次,且不超过20万米A型B型C型厚度(mm)3.5+0.54.0+0.54.5+0.5宽度(mm)100±2抗拉强度(干态)(kN/10cm)≥1.0≥1.3≥1.5延伸率10%时纵向通水量(cm3/s)≥15≥25≥40侧压力350kPa材料滤膜抗拉强度(N/cm)纵向干态≥15≥25≥30延伸率10%时3横向湿态≥10≥20≥25延伸率15%时,试件在水中浸泡24h渗透系数(cm/s)≥5×10-4试件在水中浸泡24h等效孔径(μm)<75以O98计注:A型排水板适用于打设深度小于15m;B型排水板适用于打设深度小于25m;C型排水板适用于打设深度小于35m。另:若设计图纸有指标要求时按设计图纸执行。验证试验序号材料名称试验项目拟采用的目的试验频度备注加筋过滤排水坡面防护冲刷防护路面裂缝防治1-2.5土工合成材料单位面积质量★★★★★★1次/10000m2在组织现场施工以前及在材料来源发生变化时进行该指标试验。厚度△★★△★△孔径★★△★★★垂直渗透系数△★★×★×水平渗透系数△★★×★×条带拉伸★★★★★★CBR顶破★★★×★×刺破★△△×△×落锥穿透△△△×△×直接剪切摩擦★×××××1次/4批拉拔摩擦△×××××淤堵×★★×××1次/10000m2单位面积质量★★★★★★1次/批工地试验项目厚度△★★△★△孔径△★△★★★条带拉伸★★★★★★注:1、★为必做试验项目;△为选做试验项目;×为不做试验项目。2、工地试验频度按所购材料的批次进行,如每大于5000m2,则以5000m2为一批3、抽样试验序号结构名称检查项目规定值试验规程及标准试验频率高速公路、一级公路其他公路1-3.1土方路基弯沉值(0.01mm)不大于设计计算值JTJ059-95JTJ033-95JTGF80/1-2004按JTGF80/1-2004附录Ⅰ检查平整度(mm)15203m直尺:每200m测2处×10尺JTGF80/1-2004(第一册土建工程)检查项目规定值或允许偏差高速公路、一级公路二级公路三级、四级公路检查方法和频率压实度(%)零填及挖方(m)0~0.30----94按附录B每200m每压实层测4处0~0.80≥96≥95--填方(m)0~0.80≥96≥95≥940.80~1.50≥94≥94≥935>1.50≥93≥92≥90注:以重型击实试验为准;三级公路修筑沥青砼或水泥砼路面时,其路基压实度应采用二级公路标准。填方地段基底的压实:路堤基底应在填筑前进行压实。高速公路、一级公路和二级公路,路堤基底的压实度不应小于85%;当路堤填土高度小于路床厚度80cm时,基底的压实度不宜小于路床的压实度标准。路堑路基的压实:零填及路堑路床的压实,应符合上表的规定。超过30cm时,按表列数值90%的标准执行。桥涵及其他构造物处填土的压实:1、桥台背后、涵洞两侧与顶部、锥坡与挡土墙等构造物背后的填土均应分层压实,分层检查,检查频率每50m2检验1点,不足50m2时至少检验1点,每点都应合格,每一压实...

1、当您付费下载文档后,您只拥有了使用权限,并不意味着购买了版权,文档只能用于自身使用,不得用于其他商业用途(如 [转卖]进行直接盈利或[编辑后售卖]进行间接盈利)。
2、本站所有内容均由合作方或网友上传,本站不对文档的完整性、权威性及其观点立场正确性做任何保证或承诺!文档内容仅供研究参考,付费前请自行鉴别。
3、如文档内容存在违规,或者侵犯商业秘密、侵犯著作权等,请点击“违规举报”。

碎片内容

试验检测频率一览表

确认删除?
VIP
微信客服
  • 扫码咨询
会员Q群
  • 会员专属群点击这里加入QQ群
客服邮箱
回到顶部