电脑桌面
添加小米粒文库到电脑桌面
安装后可以在桌面快捷访问

换热器型号大全`VIP免费

换热器型号大全`_第1页
1/56
换热器型号大全`_第2页
2/56
换热器型号大全`_第3页
3/56
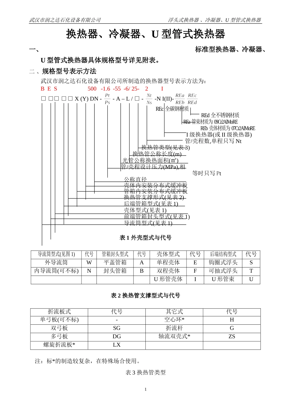
武汉市润之达石化设备有限公司浮头式换热器、冷凝器、U型管式换热器换热器、冷凝器、U型管式换热器一、标准型换热器、冷凝器、U型管式换热器具体规格型号详见附表。二、规格型号表示方法武汉市润之达石化设备有限公司所制造的换热器型号表示方法为:BES500-1.6-55-6/25-2I□□□□□X(Y)DN--A–L/□--NI(II)-REc全碳钢材质REd全不锈钢材质REa管束材质为09Cr2AlMoREREb壳体材质为07Cr2AlMoREI级换热器(或II级换热器)管/壳程数,单程只写Nt换热管类型(见表3)换热管公称长度(m)光管公称换热面积(㎡)管/壳程设计压力(MPa),相等时只写Pt公称直径壳体内安装分布式缓冲板管箱内安装分布式缓冲板换热管支撑形式(见表2)后端管箱型式(见表1)壳体型式(见表1)前端管箱封头型式(见表1)导流筒型式(见表1)表1外壳型式与代号导流筒型式(见图1)代号管箱封头型式代号壳体型式代号后端结构型式代号外导流筒W平盖管箱A单程壳体E钩圈式浮头S内导流筒(可不标)N封头管箱B双程壳体F可抽式浮头TU形管壳体IU形管束U表2换热管支撑型式与代号折流板式代号其它式代号单弓板(可不标)-空心环*H双弓板SG折流杆G多弓板DG轴流双壳式*ZS螺旋折流板*LX注:标*的制造较复杂,在特殊场合使用。表3换热管类型1武汉市润之达石化设备有限公司浮头式换热器、重沸器类型代号类型代号类型代号类型代号类型代号类型代号φ25光管25φ25波纹管25bφ25螺旋细纹管25Lφ25螺纹管25Sφ25T形管25Tφ25缩放管25Fφ19光管19φ19波纹管19bφ19螺旋细纹管19Lφ19螺纹管19Sφ19T形管19Tφ19缩放管19F标注示例:1、浮头式带管箱分布板,封头管箱DN600直径,管/壳程设计压力1.6Mpa,面积90㎡,管长6m,管径φ25光管,2管程、1壳程管材为09Cr2AlMoRE,标注为:BES(X)600-1.6-90-6/25-2REa2、浮头式螺旋折流板DN800直径,设计压力2.5Mpa,光管面积205㎡,管长6m,管径φ19缩放管,4管程管束材质09Cr2AlMoRE,壳体材质09Cr2AlMoRE,标注为:BES(X)LX800-2.5-205-6/19F-4Rea/b注:型号中可不加(X)Y,即不采用此结构,也可不加RE(a)b、c、d,即不采应规定的材质,但应注明详细材质要求。三、安装尺寸安装尺寸按我公司所提供的详细安装尺寸图,用户选用后我公司当天即可提供。2浮头式换热器序号规格型号(其它型式参照标注方法标注)传热面积㎡管程流通面积㎡管数(根)整台净重kg管束净重kg图号1AESX(Y)325-2.5-10-3/19-2REa(b)10.50.0053601066279RZDH30012AESX(Y)325-2.5-5-3/25-2REa(b)7.40.0050321066279RZDH30023AESX(Y)325-2.5-10-3/19-4REa(b)9.10.0023521058259RZDH30034AESX(Y)325-2.5-5-3/25-4REa(b)6.40.0022281062263RZDH30045AESX(Y)325-2.5-15-4.5/19-2REa(b)15.80.0053601395458RZDH30056AESX(Y)325-2.5-10-4.5/25-2REa(b)11.10.0050321340403RZDH30067AESX(Y)325-2.5-15-4.5/19-4REa(b)13.70.0023521377428RZDH30078AESX(Y)325-2.5-10-4.5/25-4REa(b)9.70.0022281327378RZDH30089AESX(Y)325-4.0-10-3/19-2REa(b)10.40.0053601091290RZDH300910AESX(Y)325-4.0-5-3/25-2REa(b)7.30.0050321091290RZDH301011AESX(Y)325-4.0-10-3/19-4REa(b)9.00.0023521093270RZDH301112AESX(Y)325-4.0-5-3/25-4REa(b)6.40.0022281097274RZDH301213AESX(Y)325-4.0-15-4.5/19-2REa(b)15.80.0053601433469RZDH301314AESX(Y)325-4.0-10-4.5/25-2REa(b)11.10.0050321377413RZDH301415AESX(Y)325-4.0-15-4.5/19-4REa(b)13.70.0023521267439RZDH301516AESX(Y)325-4.0-10-4.5/25-4REa(b)9.70.0022281217388RZDH301617AESX(Y)400-1.0-20-3/19-2REa(b)21.00.01061201293497RZDH400118AESX(Y)400-1.0-15-3/25-2REa(b)17.00.0116741312516RZDH400219AESX(Y)400-1.0-20-3/19-4REa(b)18.90.00481081280467RZDH400320AESX(Y)400-1.0-15-3/25-4REa(b)15.60.0053681304496RZDH400421AESX(Y)400-1.0-30-4.5/19-2REa(b)31.70.01061201787839RZDH400522AESX(Y)400-1.0-25-4.5/25-2REa(b)25.70.0116741700752RZDH400623AESX(Y)400-1.0-30-4.5/19-4REa(b)28.60.00481081757839RZDH400724AESX(Y)400-1.0-25-4.5/25-4REa(b)23.70.0053681678722RZDH400825AESX(Y)400-1.0-40-6/1...

1、当您付费下载文档后,您只拥有了使用权限,并不意味着购买了版权,文档只能用于自身使用,不得用于其他商业用途(如 [转卖]进行直接盈利或[编辑后售卖]进行间接盈利)。
2、本站所有内容均由合作方或网友上传,本站不对文档的完整性、权威性及其观点立场正确性做任何保证或承诺!文档内容仅供研究参考,付费前请自行鉴别。
3、如文档内容存在违规,或者侵犯商业秘密、侵犯著作权等,请点击“违规举报”。

碎片内容

换热器型号大全`

确认删除?
VIP
微信客服
  • 扫码咨询
会员Q群
  • 会员专属群点击这里加入QQ群
客服邮箱
回到顶部