电脑桌面
添加小米粒文库到电脑桌面
安装后可以在桌面快捷访问

金属幕墙检验批VIP免费

金属幕墙检验批_第1页
1/43
金属幕墙检验批_第2页
2/43
金属幕墙检验批_第3页
3/43
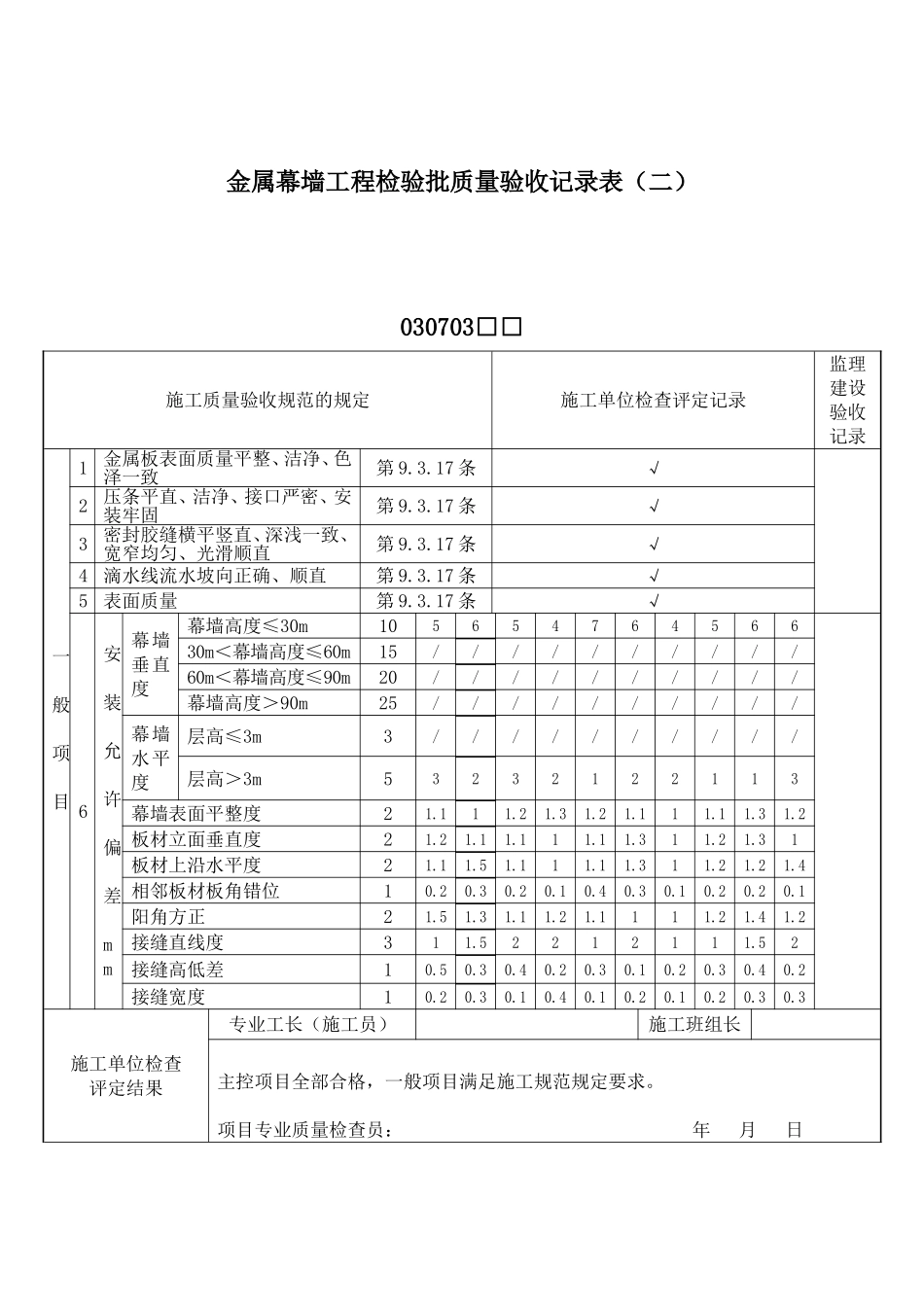
工程质量/隐蔽/测量报审表工程名称:龙岩商会大厦A标段幕墙工程编号:幕B-2201致:厦门兴海湾监理咨询有限公司(监理单位)我单位已完成了B栋大楼架空层剪力墙及方柱位置金属幕墙安装工作,现报上该工程报验申请表,请予以审查和验收:附件:金属幕墙工程检验批质量验收记录(一)(二)承包单位(章)项目经理:日期:2011年1月6日审查意见:项目监理机构:总/专业监理工程师:日期:金属幕墙工程检验批质量验收记录表(一)030703□□单位(子单位)工程名称龙岩商会大厦A标段幕墙工程分部(子分部)工程名称装饰装修工程(幕墙)验收部位B栋大楼架空层剪力墙及方柱位置金属幕墙施工单位中建七局第三建筑有限公司项目经理黄晓红分包单位/分包项目经理/施工执行标准名称及编号建筑装饰装修工程质量验收规范《GB50210-2001》施工质量验收规范的规定施工单位检查评定记录监理(建设)单位验收记录主控项目1材料、配件质量第9.3.2条√2造型和立面分格第9.3.3条√3金属面板质量第9.3.4条√4预埋件、后置件第9.3.5条√5立柱与预埋件与横梁连接,面板安装第9.3.6条√6防火、保温、防潮材料第9.3.7条√7框架及连接件防腐第9.3.8条√8防雷装置第9.3.9条√9连接节点第9.3.10条√10板缝注胶第9.3.11条√11防水第9.3.12条√金属幕墙工程检验批质量验收记录表(二)030703□□施工质量验收规范的规定施工单位检查评定记录监理建设验收记录一般项目1金属板表面质量平整、洁净、色泽一致第9.3.17条√2压条平直、洁净、接口严密、安装牢固第9.3.17条√3密封胶缝横平竖直、深浅一致、宽窄均匀、光滑顺直第9.3.17条√4滴水线流水坡向正确、顺直第9.3.17条√5表面质量第9.3.17条√6安装允许偏差mm幕墙垂直度幕墙高度≤30m10565476456630m<幕墙高度≤60m15//////////60m<幕墙高度≤90m20//////////幕墙高度>90m25//////////幕墙水平度层高≤3m3//////////层高>3m53232122113幕墙表面平整度21.111.21.31.21.111.11.31.2板材立面垂直度21.21.11.111.11.311.21.31板材上沿水平度21.11.51.111.11.311.21.21.4相邻板材板角错位10.20.30.20.10.40.30.10.20.20.1阳角方正21.51.31.11.21.1111.21.41.2接缝直线度311.52212111.52接缝高低差10.50.30.40.20.30.10.20.30.40.2接缝宽度10.20.30.10.40.10.20.10.20.30.3施工单位检查评定结果专业工长(施工员)施工班组长主控项目全部合格,一般项目满足施工规范规定要求。项目专业质量检查员:年月日监理(建设)单位验收结论专业监理工程师:(建设单位项目专业技术负责人):年月日工程质量/隐蔽/测量报审表工程名称:龙岩商会大厦A标段幕墙工程编号:幕B-2202致:厦门兴海湾监理咨询有限公司(监理单位)我单位已完成了B栋大楼南立面20层~21层B-3~B-8轴金属幕墙安装工作,现报上该工程报验申请表,请予以审查和验收:附件:金属幕墙工程检验批质量验收记录(一)(二)承包单位(章)项目经理:日期:2011年1月20日审查意见:项目监理机构:总/专业监理工程师:日期:金属幕墙工程检验批质量验收记录表(一)030703□□单位(子单位)工程名称龙岩商会大厦A标段幕墙工程分部(子分部)工程名称装饰装修工程(幕墙)验收部位B栋大楼南立面20层~21层B-3~B-8轴金属幕墙施工单位中建七局第三建筑有限公司项目经理黄晓红分包单位/分包项目经理/施工执行标准名称及编号建筑装饰装修工程质量验收规范《GB50210-2001》施工质量验收规范的规定施工单位检查评定记录监理(建设)单位验收记录主控项1材料、配件质量第9.3.2条√2造型和立面分格第9.3.3条√3金属面板质量第9.3.4条√4预埋件、后置件第9.3.5条√目5立柱与预埋件与横梁连接,面板安装第9.3.6条√6防火、保温、防潮材料第9.3.7条√7框架及连接件防腐第9.3.8条√8防雷装置第9.3.9条√9连接节点第9.3.10条√10板缝注胶第9.3.11条√11防水第9.3.12条√金属幕墙工程检验批质量验收记录表(二)030703□□施工质量验收规范的规定施工单位检查评定记录监理建设验收记录一般项目1金属板表面质量平整、洁净、色泽一致第9.3.17条√2压条平直、洁净、接口严密、安装牢固第9.3.17条√3密封胶缝横平竖直、深浅一致、宽窄均匀、光...

1、当您付费下载文档后,您只拥有了使用权限,并不意味着购买了版权,文档只能用于自身使用,不得用于其他商业用途(如 [转卖]进行直接盈利或[编辑后售卖]进行间接盈利)。
2、本站所有内容均由合作方或网友上传,本站不对文档的完整性、权威性及其观点立场正确性做任何保证或承诺!文档内容仅供研究参考,付费前请自行鉴别。
3、如文档内容存在违规,或者侵犯商业秘密、侵犯著作权等,请点击“违规举报”。

碎片内容

金属幕墙检验批

您可能关注的文档

文泉书屋+ 关注
实名认证
内容提供者

热爱教学事业,对互联网知识分享很感兴趣

确认删除?
VIP
微信客服
  • 扫码咨询
会员Q群
  • 会员专属群点击这里加入QQ群
客服邮箱
回到顶部