电脑桌面
添加小米粒文库到电脑桌面
安装后可以在桌面快捷访问

轨道维护作业指导书VIP免费

轨道维护作业指导书_第1页
1/89
轨道维护作业指导书_第2页
2/89
轨道维护作业指导书_第3页
3/89
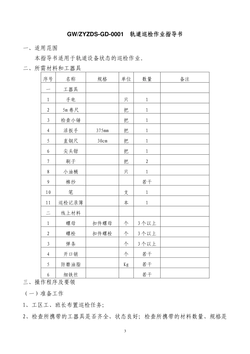
工务公司轨道维护作业指导书(2011年版)2011年3月23日发布2011年3月23日实施维护保障中心工务公司发布2目录GW/ZYZDS-GD-0001轨道巡检作业指导书..............................................................................3GW/ZYZDS-GD-0002单开道岔检查作业指导书......................................................................8GW/ZYZDS-GD-0003防脱护轨检查作业指导书....................................................................13GW/ZYZDS-GD-0004DTⅢ型扣件线路改道作业指导书.......................................................18GW/ZYZDS-GD-0005WJ-2型扣件线路改道作业指导书......................................................21GW/ZYZDS-GD-0006抽换普通混凝土枕线路轨下胶垫作业指导书.....................................24GW/ZYZDS-GD-0007单根抽换木枕作业指导书....................................................................27GW/ZYZDS-GD-0008道岔拨道作业指导书............................................................................30GW/ZYZDS-GD-0009道岔起道作业指导书............................................................................34GW/ZYZDS-GD-0010道镐捣固作业指导书............................................................................38GW/ZYZDS-GD-0011复紧扣件螺栓作业指导书....................................................................43GW/ZYZDS-GD-0012更换尖轨作业指导书............................................................................45GW/ZYZDS-GD-0013更换鱼尾板作业指导书........................................................................49GW/ZYZDS-GD-0014木枕线路道钉扣件改道作业指导书.....................................................53GW/ZYZDS-GD-0015整体道床60KG/M钢轨9号对称三开道岔检查作业指导书.............57GW/ZYZDS-GD-0016轨道线路轨距、水平、三角坑人工检查作业指导书..........................65GW/ZYZDS-GD-0017小型气压焊钢轨焊接作业指导书.........................................................69GW/ZYZDS-GD-0018液压捣固机捣固作业指导书................................................................80GW/ZYZDS-GD-0019整体道床60AT尖轨单向钢轨伸缩调节器检查作业指导书...............84GW/ZYZDS-GD-0020整治钢轨硬弯作业指导书....................................................................873GW/ZYZDS-GD-0001轨道巡检作业指导书一、适用范围本指导书适用于轨道设备状态的巡检作业。二、所需材料和工器具序号名称规格单位数量备注一工器具1手电只125m卷尺把13检查小锤把14活扳手375mm把15直钢尺30cm把16尖头钳把17刷子把28小油桶只19棉纱若干10笔支111巡检记录簿本1二线上材料1螺母扣件螺母个3个以上2螺栓扣件螺栓个3个以上3弹条个3个以上4开口销个若干5防磨油脂Kg若干6细铁丝若干三、操作程序及要领(一)准备工作1、工区工、班长布臵巡检任务;2、检查所携带的工器具是否齐全、状态良好;检查所携带的材料数量、规格是4否正确;3、按规定要求办理要点登记手续。(二)巡检作业1、二人一组,巡检线路按照工区制定的巡回图执行。2、巡检人员掌握巡道时间,全面查看钢轨、接头夹板、扣件、排水沟、道床、路基及其他附属设施。具体要求如下:A.钢轨:①查看钢轨轨头、轨面有无明显裂纹、严重剥落掉块或折断;②查看有伤损标记的钢轨是否发展;③查看潮湿地段钢轨的轨腰、轨底部位锈蚀情况;④查看有无结构渗漏水滴于钢轨或其他轨道零配件上,或是否有严重积水。B.接头及夹板:①查看夹板(含急救器)有无裂纹、无折断;②查看接头轨缝大小,夏季注意查看有无连三瞎缝、冬季注意有无大轨缝(18mm以上);③查看接头螺栓(含急救器)有无松动或缺、损。C.扣件:①查看扣件有无缺、损;螺栓有无成段松动。铁垫板有无明显断裂。有扣件缺损把携带的同型...

1、当您付费下载文档后,您只拥有了使用权限,并不意味着购买了版权,文档只能用于自身使用,不得用于其他商业用途(如 [转卖]进行直接盈利或[编辑后售卖]进行间接盈利)。
2、本站所有内容均由合作方或网友上传,本站不对文档的完整性、权威性及其观点立场正确性做任何保证或承诺!文档内容仅供研究参考,付费前请自行鉴别。
3、如文档内容存在违规,或者侵犯商业秘密、侵犯著作权等,请点击“违规举报”。

碎片内容

轨道维护作业指导书

您可能关注的文档

确认删除?
VIP
微信客服
  • 扫码咨询
会员Q群
  • 会员专属群点击这里加入QQ群
客服邮箱
回到顶部