电脑桌面
添加小米粒文库到电脑桌面
安装后可以在桌面快捷访问

建设工程质量通病图集VIP免费

建设工程质量通病图集_第1页
1/19
建设工程质量通病图集_第2页
2/19
建设工程质量通病图集_第3页
3/19
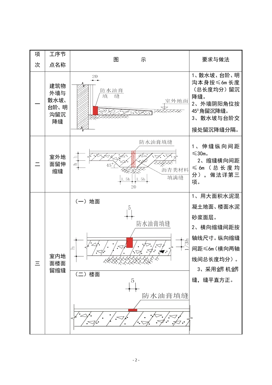
建设工程质量通病图集建设工程质量通病图集-1-项次工序节点名称图示要求与做法一建筑物外墙与散水坡、台阶、明沟留沉降缝1、散水坡、台阶、明沟本身按≤6m长度(总长度均分)留沉降缝。2、外墙阴阳角位按450角留沉降缝。3、散水坡与台阶交接处留沉降缝分隔。二室外地面留伸缩缝1、伸缝纵向间距≤30m。2、缩缝横向间距≤6m(总长度均分),做法详第三项。三室内地面楼面留缩缝(一)地面1、用大面积水泥混凝土地面、楼面水泥砂浆面层。2、横向缩缝间距按轴线尺寸。纵向缩缝间距≤6m(横向两轴线间总长度均分)。3、采用金界机金界缝,缝平直方正。(二)楼面-2-4、混凝土和水泥砂浆达到强度等级后才能进行鎅缝(三)严禁在已完成的楼地面上拌和砂浆、揉制油灰、调制油漆等,防止地面污染受损。项次工序节点名称图示要求与做法四变形沉降缝(一)楼面B—设计缝宽;H—设计面层厚度;D—找平层厚度;1、一面层按设计。2、—5厚钢板。3、形不锈钢或铝合金封口板。4、—24#镀锌形铁皮。5、一塑料胀锚木牙螺丝@500C/C固定形镀锌铁皮。6、一塑料胀锚不锈钢螺丝@500C/C固定形封口板。7、一沥青胶泥填嵌。8、一硅铜胶封缝。(二)墙面(三)天面-3-G1.2.3-设计结构宽度项次工序节点名称图示要求与做法五女儿墙压顶、阳台栏板压顶面做向内排水坡,下面做鹰嘴或滴水线块料面层交接位做法设计无明确要求时,按图示施工。六屋面防水层与女儿墙交接阴角位做圆弧1、防水层往女儿墙身做高≥250mm。2、离女儿墙面200mm留全长伸缩缝。-4-七架空隔热层、刚性保护层离开女儿墙间距1、架空隔热层尚要按第八项④点要求留伸缩缝。2、刚性保护层尚要按第八项③点要求留伸缩缝。项次工序节点名称图示要求与做法八屋面保护层留伸缩缝①柔性防水屋面;宜采用绿豆砂或块料作保护层。块料按④点要求分块。②水泥砂浆;缝宽10mm,防水油膏填缝。按1m2面积分块,纵向长度≤6m(按总长均分)③细石混凝土;缝宽20mm,防水油膏填缝。按1m2面积分块,纵向长度≤6m(按总长均分)④块状材料:缝宽20mm,防水油膏填缝。1、架空按≤100m2面积分块。2、座砌按≤36m2面积分块。⑤珍珠岩或轻质陶粒保温层;1、按6×6m设置纵横排气孔管。2、按36m2设置一个排气孔。3、屋面宽度≥10m设置通风屋脊。-5-九厨、浴厕、阳台、外走道等地面低于居室地面①厨、浴厕间、阳台、外走道地面低于居室地面相对标高15mm。②厨、浴厕、阳台、外走道等处的地漏低于相对地面标高10mm。十腰线、挑檐、雨蓬做滴水线项次工序节点名称图示要求与做法-6-十一窗楣做鹰咀,外窗台低于内窗台,外窗台做向外排水坡1、窗楣及窗台块料贴面,其外角采用夹角镶贴。2、窗楣突出线时按第十项施工。窗台突出线时,按第五项施工。3、铝合金窗外周边留宽5mm深8mm槽,防水胶密封。4、安装用螺丝应用铜或不锈钢螺丝。5、钢窗内外窗台高差>10mm。铝合金窗下框必须有泄水结构,如无时;①推拉窗:导轨在靠两边框位处铣8mm宽口泄水。②平开窗:在框靠中梃位置每个扇洞铣一个宽8mm口泄水。项工序节点名称图示要求与做法-7-次十二墙面、地面镶贴块料面①不允许有小于1/4的块料。②条形饰面砖不得小于1/2砖。③独立柱用条形饰面砖时,宽度方向必须用整砖。④地面铺400×400以下块料必须通缝。400×400以上块料可用分色块料分隔。⑤天面、地面块料铺贴缝宽≥2mm以防膨胀起鼓变形。⑥露台铺贴块料时,地面四周留缝20mm宽,防水油膏填缝。1、镶贴前进行模数计算和预排、使排砖和拼缝均匀。2、非整砖行排在阴角处或次要部位。3、阴阳角方正顺直,不得出现鼠尾现象。4、采取措施消除空鼓和裂纹。十三楼梯步级①级面平整、宽度均匀一致,防滑条采用石米、铁砂时应高出级面5mm;采用铜条时应高出2mm,并顺直、牢固。②相邻两级差不得超过10mm。十四木门窗安装①按规范要求做好锚固。②铰链要用开槽机双面开槽,槽深浅度一致。③门窗安装的留缝宽度:(1)门窗扇与框间立缝的留缝宽度为1.5-2.5mm。(2)框与扇间上缝的留缝宽度为1.0-1.5mm。(3)门扇与地面间缝:a)外门留缝宽度为4-5mm。b)内门留缝宽度为6-8mm。c)卫生间门留缝宽度为10-12mm。1、门窗上下冒头必须刨光,刷油漆...

1、当您付费下载文档后,您只拥有了使用权限,并不意味着购买了版权,文档只能用于自身使用,不得用于其他商业用途(如 [转卖]进行直接盈利或[编辑后售卖]进行间接盈利)。
2、本站所有内容均由合作方或网友上传,本站不对文档的完整性、权威性及其观点立场正确性做任何保证或承诺!文档内容仅供研究参考,付费前请自行鉴别。
3、如文档内容存在违规,或者侵犯商业秘密、侵犯著作权等,请点击“违规举报”。

碎片内容

建设工程质量通病图集

黄金阁书苑+ 关注
实名认证
内容提供者

热爱教学事业,对互联网知识分享很感兴趣

确认删除?
VIP
微信客服
  • 扫码咨询
会员Q群
  • 会员专属群点击这里加入QQ群
客服邮箱
回到顶部