电脑桌面
添加小米粒文库到电脑桌面
安装后可以在桌面快捷访问

矿区生态修复工程施工资源配备计划方案VIP免费

矿区生态修复工程施工资源配备计划方案_第1页
1/9
矿区生态修复工程施工资源配备计划方案_第2页
2/9
矿区生态修复工程施工资源配备计划方案_第3页
3/9
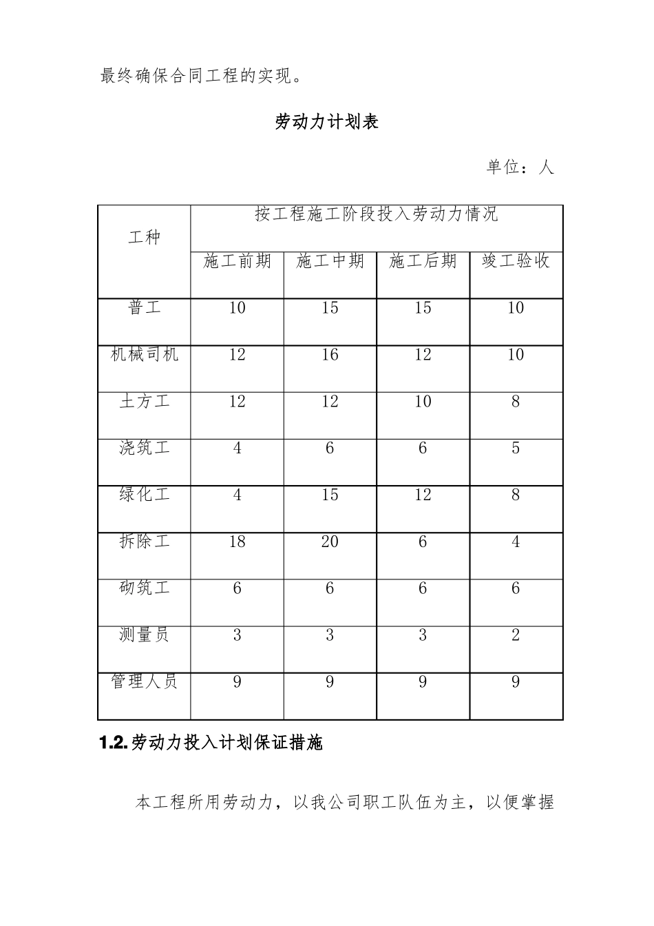
矿区生态修复工程施工资源配备计划方案1.1.劳动力计划在该工程施工中,在施工现场成立工程项目经理部,负责组织工程施工与管理,建立以项目经理为核心的项目班子,对本工程实施项目总体目标控制管理,即实行项目经理负责制全权处理现场施工的一切事宜,主要任务:对内统一指挥,全面调动各施工队伍进行施工,并全面负责该工程的生产、技术、质量、成本、安全和行政管理及职工思想政治工作;对外负责与各有关协作单位进行业务联系,疏通协调施工中的各种关系。确保本工程项目部高速、优质、低耗地全面完成该工程。项目班子在公司工程总指挥部的直接监督与控制下,履行工程施工的权利和义务。施工全过程中,项目经理要以项目管理为核心,以优质、高速、安全、文明为重点,不断优化生产诸要素,加强动态管理,科学组织,精心施工,大力推广应用先进施工技术,有效推行全面质量管理,健全质量、安全两个体系。确保各阶段工期控制目标,最终确保合同工程的实现。劳动力计划表单位:人按工程施工阶段投入劳动力情况工种施工前期施工中期施工后期竣工验收普工机械司机土方工浇筑工绿化工拆除工砌筑工测量员管理人员1012124418639151612615206391512106126639101085846291.2.劳动力投入计划保证措施本工程所用劳动力,以我公司职工队伍为主,以便掌握各工序施工主动权,从劳动力组织上保证工期,劳动力不足时,补充有专业特长、长期合格的民工队伍,不用零期劳动力,不分包工程。在抢工期期间,我司将综合协调我司在本工程附近工地的施工人员配制。第一时间保证本工程的劳动力投入。我司对民工工资的结帐采取当月结帐的办法,保证民工工资的到位。确保劳动力数量的投入。本工程施工地点靠近居民聚居区,工期较短我司决定租用民房作为职工宿舍,保障职工住宿条件。1.3.主要材料、构件用量计划根据施工安排,制订合理的用款计划和材料供应计划,避免停工待料的现象发生。提前5天提出护坡材料、回填土、成品及其半成品等关键材料的使用计划。一旦我司中标,我司将和原材料供应公司签订长期的材料供应合同,保证本工程的苗木供应。本工程采用的主要材料,我司将严格按照招标文件的要求进行采购,并报监理工程师确认,材料经检验合格后才投入本工程的施工。1.4.施工设备1.4.1.施工机械投入计划为了保证工程按计划工期要求完工,我司将投入数量足够、性能优良的施工机械设备,具体详见下表。拟投入本工程的主要施工设备表国序设备名称号格量产年(KW)地份长1挖掘机HD-452沙长2自卸车10t6沙77201225良好土方20185良好土方型号规数别制额定造功率能力部位生产施工注用于备长3运输车/4沙株4推土机W-1201洲长5砂浆搅拌机JPJ-32沙长6砼搅拌机JS3501沙株7蛙式夯机ZQ254洲长8喷播机/2沙株9钢筋弯曲机WZ55T1洲长10钢筋切割机ZD51沙201/720121672011482011682013.5820124.5良好绿化920118.5良好钢筋820118.5良好钢筋8良好土方良好土混凝良好砌筑良好土方良好运输BX1-30011交流电焊机-2木加工机刨12床MB10612株洲长沙2017.5820122.5良好模板8良好钢筋1.4.2.施工机械设备投入保证措施强化机械配置,选调企业性能良好的设备到本工程使用,在施工中加强设备维修和保养,减少故障发生。我司将在需要的时候,安排外租机械进场施工。在现场配备发电机组,以应付停电和高峰期供电需要。组织好机械进场,在需要的时候,将所需的机械从我司在本工程附近的工地调配到现场,保证机械的投入。现场设置常驻的机械维护检修人员和齐全的检修设备,定期检修和保养施工机械,搞好机械设备的后勤,保证施工机械的出勤率。项目部设置专人负责机械设备的零件采购,调拨专款用于机械设备零配件的采购。1.4.3.试验检测仪器设备拟配备本工程的试验和检测仪器设备表国序仪器设备名称号规格量产年时数地份21X光探伤仪XXH-2506台沙1812取土环刀200cm台沙1813安培表5/10台洲19土壤自动击实JS305-454仪土壤有机含量5测定仪/台沙187台洲181长2060试验2株2030试验株2020检测长2050检测试验、试验、长2020检测型号数别制已使造用台用途注备16土工试验仪器/株2050试验台洲1917土工标准筛PZ-100台沙18万能材料试验8机混凝土抗压试15×15×9模...

1、当您付费下载文档后,您只拥有了使用权限,并不意味着购买了版权,文档只能用于自身使用,不得用于其他商业用途(如 [转卖]进行直接盈利或[编辑后售卖]进行间接盈利)。
2、本站所有内容均由合作方或网友上传,本站不对文档的完整性、权威性及其观点立场正确性做任何保证或承诺!文档内容仅供研究参考,付费前请自行鉴别。
3、如文档内容存在违规,或者侵犯商业秘密、侵犯著作权等,请点击“违规举报”。

碎片内容

矿区生态修复工程施工资源配备计划方案

您可能关注的文档

确认删除?
VIP
微信客服
  • 扫码咨询
会员Q群
  • 会员专属群点击这里加入QQ群
客服邮箱
回到顶部