电脑桌面
添加小米粒文库到电脑桌面
安装后可以在桌面快捷访问

11、九、各种施工机械验收表格VIP免费

11、九、各种施工机械验收表格_第1页
1/35
11、九、各种施工机械验收表格_第2页
2/35
11、九、各种施工机械验收表格_第3页
3/35
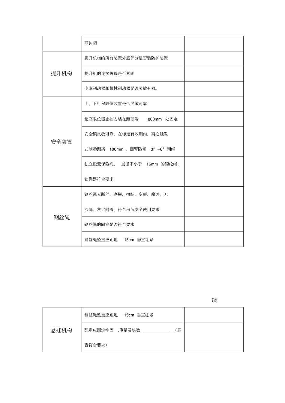
各种施工机械(12类)□施工机械检查验收表(电动吊篮)AQ-C9-2□打桩(钻孔)机械验收表AQ-C9-3□施工机械检查验收表(混凝土搅拌机)AQ-C9-4□施工机械检查验收表(机动翻斗车)AQ-C9-5□施工机械检查验收表(龙门吊)AQ-C9-6□施工机械检查验收表(汽车吊)AQ-C9-7□施工机械检查验收表(挖掘机)AQ-C9-8□施工机械检查验收表(装载机)AQ-C9-9□施工机械检查验收表(物料提升机)AQ-C9-10□施工机械检查验收表(混凝土泵)AQ-C9-11□施工机械检查验收表(钢筋机械)AQ-C9-12□施工机械检查验收表(木工设备)AQ-C9-13□施工机械安装验收表(其它中小型)AQ-C9-14注:请在施工现场发生的机械设备前□打√,并按顺序将发生的验收表排好DB11/383—2006施工机械检查验收表(电动吊篮)表AQ-C9-2编号工程名称设备型号总包单位项目负责人使用单位额定载荷租赁单位安全锁编号市建委统一编号提升机编号标定日期验收日期验收项目验收结果技术资料经过审批合格的安装、技术方案出租单位营业执照、产品合格证齐全安全锁的标定证书安装、使用维护保养说明书齐全安装人员的操作证件产品标牌内容是否齐全(产品名称、主要技术性能、制造日期、出厂编号、制造厂名称)吊篮平台防护吊篮主构件有无开焊或明显腐蚀,螺栓有无松动、缺损,外框有无明显变形、锈蚀吊蓝平台使用所需的长度不能超过厂家使用说明书所规定长度吊蓝平台底板四周是否装有标准高度的踢脚板、吊蓝平台底板是否有防滑措施,三面用密目网封闭提升机构提升机构的所有装置外露部分是否装防护装置提升机的连接螺母是否紧固电磁制动器和机械制动器是否灵敏有效。安全装置上、下行程限位装置是否灵敏可靠超高限位器止挡安装在距顶端800mm处固定安全锁灵敏可靠,在标定有效期内,离心触发式制动距离100mm,摆臂防倾3°—8°锁绳独立设置保险绳,直径不小于16mm的锦纶绳,锁绳器符合要求钢丝绳钢丝绳无断丝、磨损、扭结、变形、腐蚀,无沙砾、灰尘附着,符合吊蓝安全使用要求钢丝绳的固定是否符合要求钢丝绳坠重应距地15cm垂直绷紧续悬挂机构钢丝绳坠重应距地15cm垂直绷紧配重应固定牢固,重量及块数_(是否符合要求)悬挂机构挑梁外伸长度___(≤1.5m),两根挑梁之间的距离是___,悬挂机构前高后低设置,纤绳张紧度为前端上翘2-3cm,抗倾覆系数符合安全使用要求___(>2)行走轮用木方垫起脱离地面电气系统电动吊蓝专用箱必须达到一机、一闸、一漏配电箱外壳的绝缘电阻不小于0.5兆欧电线、电缆有无破损,供电电压380±10%电气系统各种安全保护装置是否齐全、可靠电气元件是否灵敏可靠验收结论验收人签字总包单位分包单位租赁单位安装单位监理单位验收:符合验收程序,同意使用()不符合验收程序,重新组织验收()监理工程师(签字):年月日注:本表由施工单位填报,监理单位、施工单位、租赁单位、拆装单位各存一份。DB11/383—2006打桩(钻孔)机械验收记录表AQ-C9-3编号工程名称设备型号总包单位分包单位租赁单位安装单位验收日期序号检查项目验收内容验收结果一外观验收灯光正常、仪表正常齐全有效全车各部位无变形、驱动轮、托链轮、支重轮无变形、行走链条磨损符合机械性能要求配重安装符合要求无任何部位的漏油、漏气、漏水、机容机况整洁二位检查油位水水箱水位、电瓶水位正常机油油位正常、液压油位正常方向机油油位正常、刹车制动油正常变速箱油位正常、各齿轮油位正常三部分发动机机油压力怠速时不少于1.5千克/平方厘米水温正常发动机运转正常无异响各辅助机构工作正常四部分传动液压液压泵压力正常、液压油温无异常支腿正常伸缩,无下滑拖滞现象、回转正常变幅油缸无下滑现象、钻斗提升油缸正常五部分底盘变速箱正常刹车系统正常、各操作控制机构正常动力头运转正常、钻杆无弯扭变形续六安全防护部分有产品质量合格证起重钢丝绳无断丝、断股,无乱绳,润滑良好,符合安全使用要求吊钩、卷筒、滑轮无裂纹,符合安全使用要求起升高度限位器的报警切断动力功能正常水平仪的指示正常防过放绳装置的功能正常高压线附近作业,保证足够的安全距离设置专用配电箱,符合临电规范要求,电源线按要求架设或有保护措施操作...

1、当您付费下载文档后,您只拥有了使用权限,并不意味着购买了版权,文档只能用于自身使用,不得用于其他商业用途(如 [转卖]进行直接盈利或[编辑后售卖]进行间接盈利)。
2、本站所有内容均由合作方或网友上传,本站不对文档的完整性、权威性及其观点立场正确性做任何保证或承诺!文档内容仅供研究参考,付费前请自行鉴别。
3、如文档内容存在违规,或者侵犯商业秘密、侵犯著作权等,请点击“违规举报”。

碎片内容

11、九、各种施工机械验收表格

您可能关注的文档

确认删除?
VIP
微信客服
  • 扫码咨询
会员Q群
  • 会员专属群点击这里加入QQ群
客服邮箱
回到顶部