电脑桌面
添加小米粒文库到电脑桌面
安装后可以在桌面快捷访问

19及污水处理厂签证单新新2剖解VIP免费

19及污水处理厂签证单新新2剖解_第1页
1/20
19及污水处理厂签证单新新2剖解_第2页
2/20
19及污水处理厂签证单新新2剖解_第3页
3/20
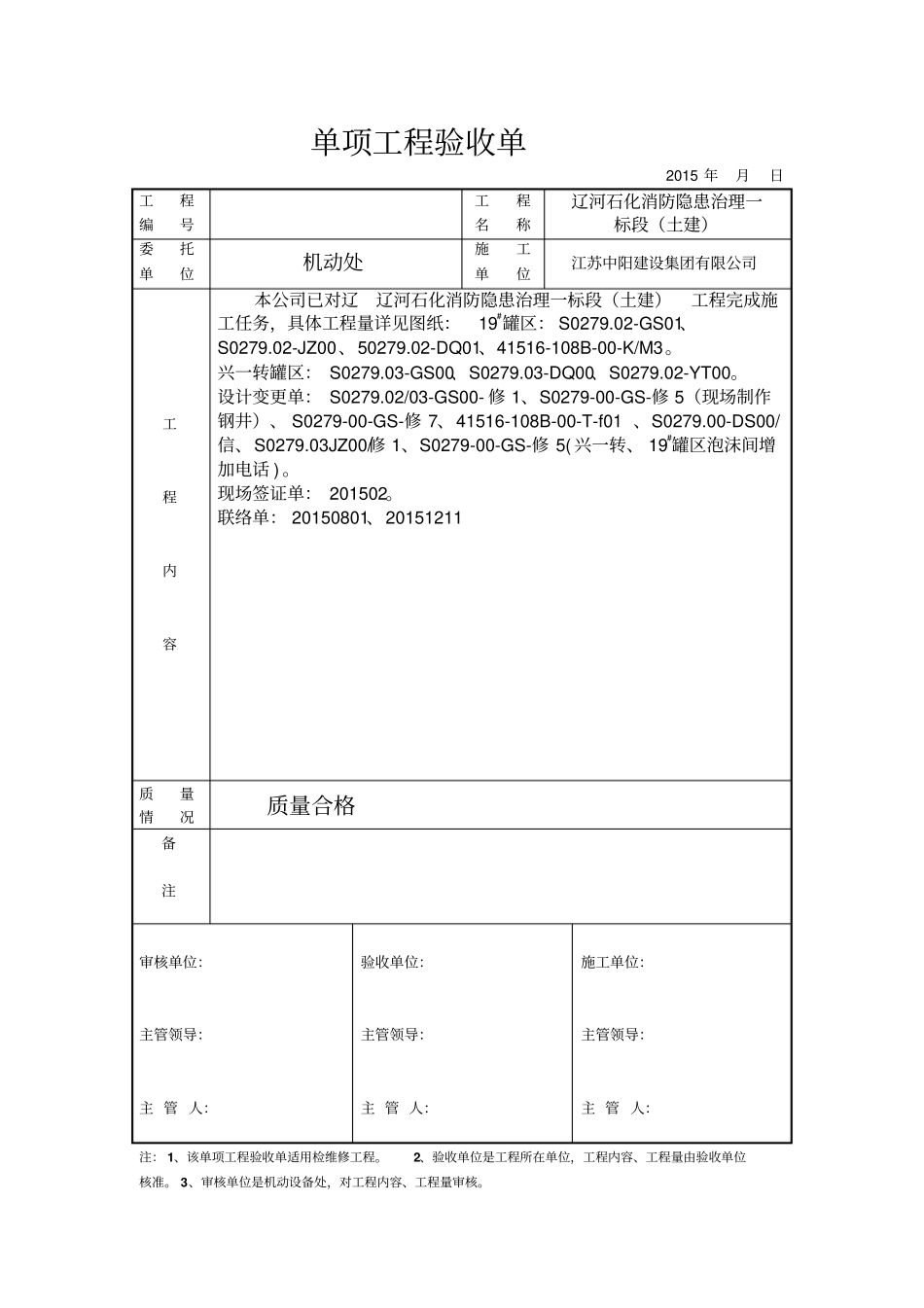
单项工程验收单2015年月日工程编号工程名称辽河石化消防隐患治理一标段(土建)委托单位机动处施工单位江苏中阳建设集团有限公司工程内容本公司已对辽辽河石化消防隐患治理一标段(土建)工程完成施工任务,具体工程量详见图纸:19#罐区:S0279.02-GS01、S0279.02-JZ00、50279.02-DQ01、41516-108B-00-K/M3。兴一转罐区:S0279.03-GS00、S0279.03-DQ00、S0279.02-YT00。设计变更单:S0279.02/03-GS00-修1、S0279-00-GS-修5(现场制作钢井)、S0279-00-GS-修7、41516-108B-00-T-f01、S0279.00-DS00/信、S0279.03JZ00/修1、S0279-00-GS-修5(兴一转、19#罐区泡沫间增加电话)。现场签证单:201502。联络单:20150801、20151211质量情况质量合格备注审核单位:主管领导:主管人:验收单位:主管领导:主管人:施工单位:主管领导:主管人:注:1、该单项工程验收单适用检维修工程。2、验收单位是工程所在单位,工程内容、工程量由验收单位核准。3、审核单位是机动设备处,对工程内容、工程量审核。现场签证单工程名称:辽河石化消防隐患治理一标段(土建)签证项目兴一转罐区增加项目201502位置/范围辽河石化公司、污水处理厂内施工时间2015-4----2015-12签证原因工程完工签证内容污水处理厂内1、原(陈家排水管)Ф1000mm(内径)钢筋混凝土管拆除61m(拆除后已破损报废),拆除1.5×1.5(内侧)×2m砖砌排水检查井1个,井壁0.24m,废砖外运3km,挖填土外侧加1m,拆除混凝土垫层0.1m,2.2×2.2m,拆除钢筋混凝土井盖0.2m厚2×2m。新建Ф1000mm(内径)钢筋混凝土管66m,壁厚0.1m,挖填土(原管拆除位置安装),管中-1.3m,C25混凝土管基础1.5m×0.45×66m(04S516-17页),M5水泥防水砂浆钢丝网抹带0.3m宽50mm厚。新建1.5×1.5(内侧)×2mC30混凝土排水检查井3个,井壁0.2m,挖填土井外壁加1m,Ф12钢筋@150mm双向双层,井内砖砌筑溜槽0.3m3,混凝土垫层0.1m,2.2×2.2m,浇筑钢筋混凝土井盖0.2m厚2×2m,Ф12钢筋@150mm双向双层。Ф700铸铁井盖3个。2、泡沫间基槽内电缆保护模板长1.5m,高0.3m宽0.2m2处2.4m2。3、泡沫间向北移26m,向东移12m,增加Ф219×7泡沫管线38m,挖填土1.5m深(地下)。北侧外门由2.1m改为2.5m。8、拆除、安装泡沫比例混合器123Kg2个,DN15PN25压力表4个备注施工单位:负责人:主管人:验收单位:负责人:主管人:审核单位:负责人:主管人:注:1、现场签证单适用于工程项目施工内容与工作量的确认,并作为工程结算依据。2、验收单位是工程所在单位(即车间),负责核准工程内容、工程量。3、审核单位是机动设备处,负责审核工程内容、工程量。现场签证单工程名称:辽河石化消防隐患治理一标段(土建)签证项目兴一转罐区增加项目位置/范围辽河石化公司污水处理厂内施工时间2015-4----2015-12签证原因工程完工签证内容4、泡沫间泡沫比例混合器DN150配套法兰PN16及螺栓,DN150电动阀、DN150闸阀、DN50闸阀各拆除、安装2台,配套法兰PN25及螺栓,新加DN150电动阀安装2台。新加DN150电动阀法兰为PN25,泡沫比例混合器法兰为PN16,L=0.2mФ168×6钢管2个(两个泡沫罐)。拆除(进户门限制)、安装梯子、栏杆2套合计268Kg,拆除10#槽钢0.2m2个,制作安装10#槽钢0.3m2个。5、污水处理场内办公楼前及东拆除冻结混凝土地面5.4m3(混凝土厚0.15mm,沟宽0.8m),污水处理场西门前拆除冻结混凝土地面3.12m3、兴一转罐区北门内拆除冻结混凝土地面1.44m3,夯填混砂0.5m厚合计33.2m3,浇筑C25混凝土0.2m厚合计9.96m3。拆除塔吊钢筋混凝土基础2个1.2m3。冬季施工挖冻土230m,沟深1.8m,沟底宽0.7m,挖冻土层厚0.8m。6、FK01(污水处理厂西墙外)、FK02(铁路套管西)钢井地下管线障碍下反,分别增加Ф219×7,R=1.5D钢制弯头4个(地下),拆除Ф720×7井口盖,Ф720×7井口钢管分别制作、安装0.3m,防腐宽0.3m。FK01钢井南Ф219×7泡沫管线由于地下管线障碍增加Ф219×7,R=1.5D钢制弯头2个(地下)。FWV01井下反,拆除Ф720×7井口7、污水处理场内办公楼前东侧拆除Ф1.5×1.7消防井1台,外壁挖填土加2m,井内为Ф89×5消防管线拆除2.1m,为了查找地下管线增加挖管沟0.8m宽×1.7m深×6m长,办公...

1、当您付费下载文档后,您只拥有了使用权限,并不意味着购买了版权,文档只能用于自身使用,不得用于其他商业用途(如 [转卖]进行直接盈利或[编辑后售卖]进行间接盈利)。
2、本站所有内容均由合作方或网友上传,本站不对文档的完整性、权威性及其观点立场正确性做任何保证或承诺!文档内容仅供研究参考,付费前请自行鉴别。
3、如文档内容存在违规,或者侵犯商业秘密、侵犯著作权等,请点击“违规举报”。

碎片内容

19及污水处理厂签证单新新2剖解

文库响当当+ 关注
实名认证
内容提供者

该用户很懒,什么也没介绍

确认删除?
VIP
微信客服
  • 扫码咨询
会员Q群
  • 会员专属群点击这里加入QQ群
客服邮箱
回到顶部