电脑桌面
添加小米粒文库到电脑桌面
安装后可以在桌面快捷访问

放射科室浅析VIP免费

放射科室浅析_第1页
1/11
放射科室浅析_第2页
2/11
放射科室浅析_第3页
3/11
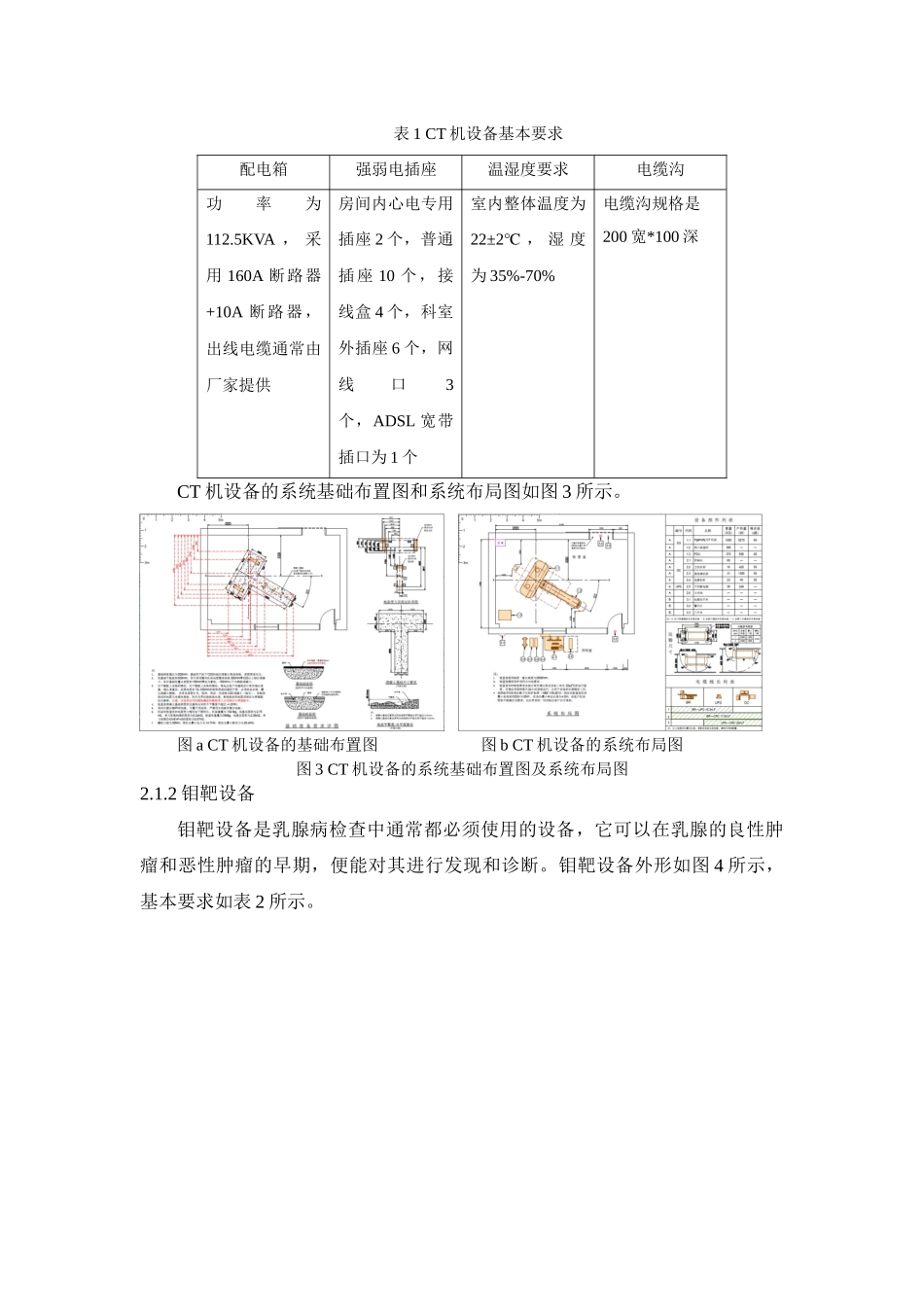
医用放射科室建设与管理【摘要】医院中的放射科是一个集检查、诊断、治疗于一体的重要的辅助检查科室,需要巨大的设备投资,很多疾病都必须借助放射科的设备检查,以提供诊断和辅助诊断的依据来跟进病情。本文结合工程实例,简要介绍了放射科的相关设备,并针对放射科的特殊性阐述了对其的建设与管理。【关键词】医院;放射科;建设;管理常州市金坛血站整体迁建项目,包括门诊、医技楼、住院楼、培训综合楼、感染楼、血站等多建筑群。总建筑面积196819.94平方米,其中地上总建筑面积149251.37平方米,地下总建筑面积47568.57平方米,工程总投资约10亿元。本次建设的放射科设备主要集中在门诊、医技楼一层、三层以及地下一层,放射科设置MRI室、CT室、DR室、钼靶室、数字胃肠室、DSA室和直线加速器室。项目总效果图如图1所示。图1金坛第一人民医院效果图工程管理的目的是尽可能减少后期实施阶段的修改等不利情况,因此需要明确设计任务书,提前对关键部位及工序做好预控,提供全面可靠的信息,即必须做好前期的统筹规划工作。下面结合金坛第一人民医院的放射科室建设与管理的相关内容,主要围绕设备的种类及选型、建筑结构设计、六面防辐射处理、后期装修配合等几个方面进行阐述。1.放射科简介在医院的众多科室中,放射科是重要辅助检查科室,很多疾病都必须借助放射科的设备检查,以提供诊断和辅助诊断的依据来跟进病情。然而,放射科的各类设备所产生的辐射和射线也是极具危险性的,需要各方面的设计都予以足够的重视。X射线属于电离辐射,其对人体的损伤是非常广泛且难以预测的。射线会对各种腺体、骨髓、眼晶状体、皮肤等产生巨大危害,受多种因素的影响所引起的反应也是多样的。为了减少和防止这种电离辐射对人体产生危害,医院一般都将这种科室设置在建筑物的底层或是单独在外设置,为了减弱乃至消除辐射的影响,放置放射科设备的机房墙壁都需经加厚处理,而且在墙壁表面需要额外的防辐射涂料,而门窗等也都要有附有铅板用以隔离辐射。不仅在室内需要做好隔离工作,在机房外也需要设置明显的电离辐射警示标志,而且医生在工作时也需要穿着相应的防辐射服在控制室观察和操作。2.放射科各科室的设计及报审设计及报审是放射科各科室的重要环节,同时也是管理的重点,主要包括了放射科设备调研、设计任务书、方案文本、专家论证及科室评审、施工图送审及消防送审。2.1设备调研2.1.1CT机设备CT机的工作原理是对人体的某个部位按照既定的厚度层用X线束进行扫描的,X线到达人体表面是,一部分被组织吸收,另一部分则穿过人体,穿过人体的那部分射线最终被检测器接受,由此产生信号。由于人体各组织厚度不同,因此检测器接受的信号强度也就不同,最终就可以形成检测画面了。CT机设备外形如图1所示,基本要求如表1所示。图2CT机表1CT机设备基本要求配电箱强弱电插座温湿度要求电缆沟功率为112.5KVA,采用160A断路器+10A断路器,出线电缆通常由厂家提供房间内心电专用插座2个,普通插座10个,接线盒4个,科室外插座6个,网线口3个,ADSL宽带插口为1个室内整体温度为22±2℃,湿度为35%-70%电缆沟规格是200宽*100深CT机设备的系统基础布置图和系统布局图如图3所示。图aCT机设备的基础布置图图bCT机设备的系统布局图图3CT机设备的系统基础布置图及系统布局图2.1.2钼靶设备钼靶设备是乳腺病检查中通常都必须使用的设备,它可以在乳腺的良性肿瘤和恶性肿瘤的早期,便能对其进行发现和诊断。钼靶设备外形如图4所示,基本要求如表2所示。图4钼靶设备表2钼靶设备基本要求配电箱强弱电插座温湿度要求电缆沟由220V单相供电,40A断路器科室外插座2个,科室内插座2个,网线口2个温度为20-30℃,除湿器保证房间湿度能够在30%-70%范围内电缆沟为150宽*100深2.1.3数字胃肠设备胃肠机也是一种医用放射器械,仅用于胃肠透视和摄影,比如胸部摄影、消化道检查、头颅及全身骨骼摄影等。数字胃肠设备外形如图5所示,基本要求如表3所示。图5数字胃肠设备表3数字胃肠设备基本要求配电箱强弱电插座温湿度要求电缆沟65KVA,160A断路器,电源内阻需小于等于≤0.2Ω,接地大于等于2Ω科室外插座1个,科室内插座2...

1、当您付费下载文档后,您只拥有了使用权限,并不意味着购买了版权,文档只能用于自身使用,不得用于其他商业用途(如 [转卖]进行直接盈利或[编辑后售卖]进行间接盈利)。
2、本站所有内容均由合作方或网友上传,本站不对文档的完整性、权威性及其观点立场正确性做任何保证或承诺!文档内容仅供研究参考,付费前请自行鉴别。
3、如文档内容存在违规,或者侵犯商业秘密、侵犯著作权等,请点击“违规举报”。

碎片内容

放射科室浅析

确认删除?
VIP
微信客服
  • 扫码咨询
会员Q群
  • 会员专属群点击这里加入QQ群
客服邮箱
回到顶部