电脑桌面
添加小米粒文库到电脑桌面
安装后可以在桌面快捷访问

高考物理大一轮复习 第八章 实验十一 练习使用多用电表讲义(含解析)教科版-教科版高三全册物理教案VIP免费

高考物理大一轮复习 第八章 实验十一 练习使用多用电表讲义(含解析)教科版-教科版高三全册物理教案_第1页
1/12
高考物理大一轮复习 第八章 实验十一 练习使用多用电表讲义(含解析)教科版-教科版高三全册物理教案_第2页
2/12
高考物理大一轮复习 第八章 实验十一 练习使用多用电表讲义(含解析)教科版-教科版高三全册物理教案_第3页
3/12
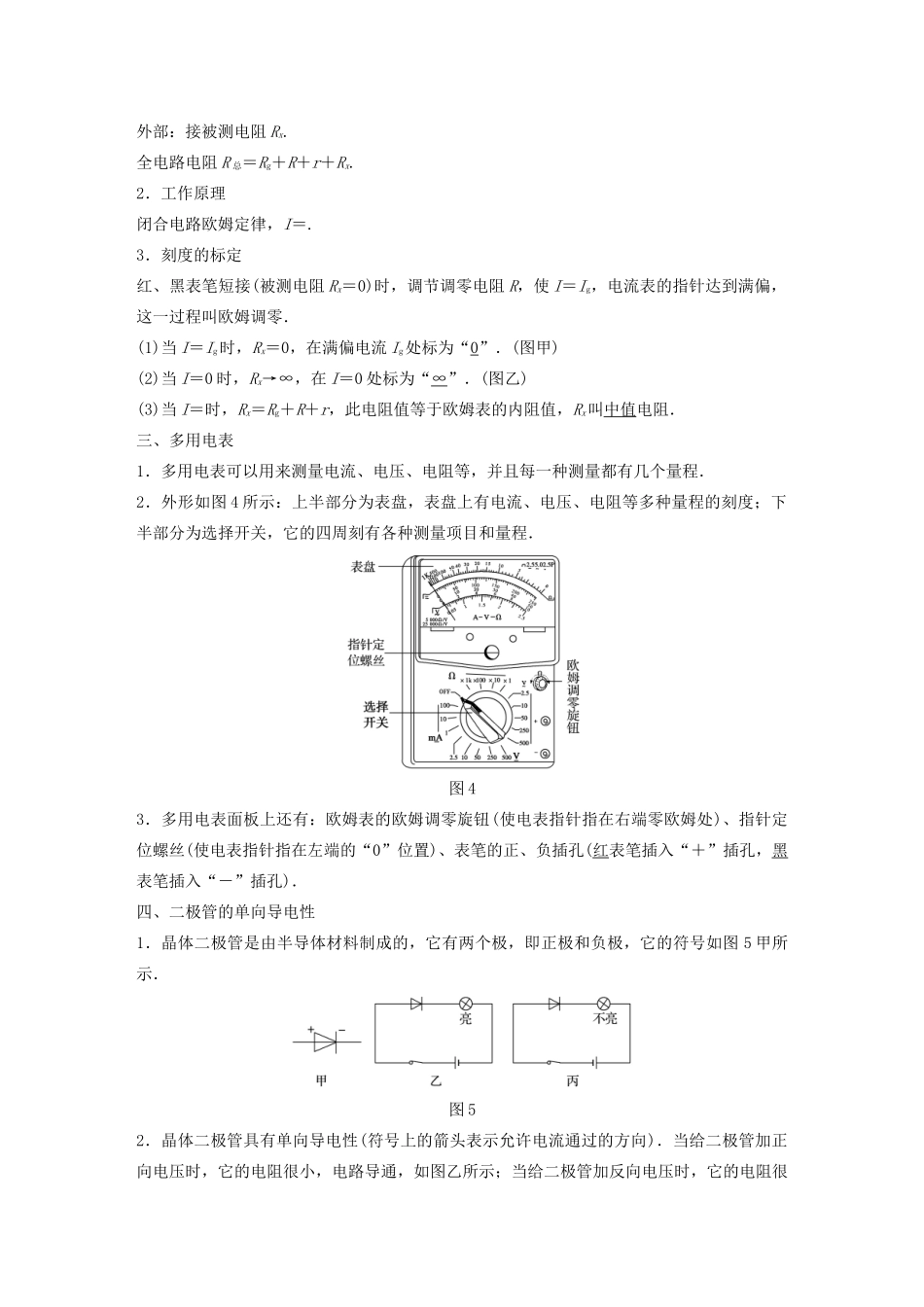
实验十一练习使用多用电表一、电流表与电压表的改装1.改装方案改装为电压表改装为大量程的电流表原理串联电阻分压并联电阻分流改装原理图分压电阻或分流电阻U=Ig(Rg+R)故R=-RgIgRg=(I-Ig)R故R=改装后电表内阻RV=Rg+R>RgRA=

1、当您付费下载文档后,您只拥有了使用权限,并不意味着购买了版权,文档只能用于自身使用,不得用于其他商业用途(如 [转卖]进行直接盈利或[编辑后售卖]进行间接盈利)。
2、本站所有内容均由合作方或网友上传,本站不对文档的完整性、权威性及其观点立场正确性做任何保证或承诺!文档内容仅供研究参考,付费前请自行鉴别。
3、如文档内容存在违规,或者侵犯商业秘密、侵犯著作权等,请点击“违规举报”。

碎片内容

高考物理大一轮复习 第八章 实验十一 练习使用多用电表讲义(含解析)教科版-教科版高三全册物理教案

雨丝书吧+ 关注
实名认证
内容提供者

乐于和他人分享知识,从事历史教学,热爱教育,高度负责。

确认删除?
微信客服
  • 扫码咨询
会员Q群
  • 会员专属群点击这里加入QQ群