电脑桌面
添加小米粒文库到电脑桌面
安装后可以在桌面快捷访问

高考物理一轮复习 第十六章 原子和原子核教案-人教版高三全册物理教案VIP免费

高考物理一轮复习 第十六章 原子和原子核教案-人教版高三全册物理教案_第1页
1/8
高考物理一轮复习 第十六章 原子和原子核教案-人教版高三全册物理教案_第2页
2/8
高考物理一轮复习 第十六章 原子和原子核教案-人教版高三全册物理教案_第3页
3/8
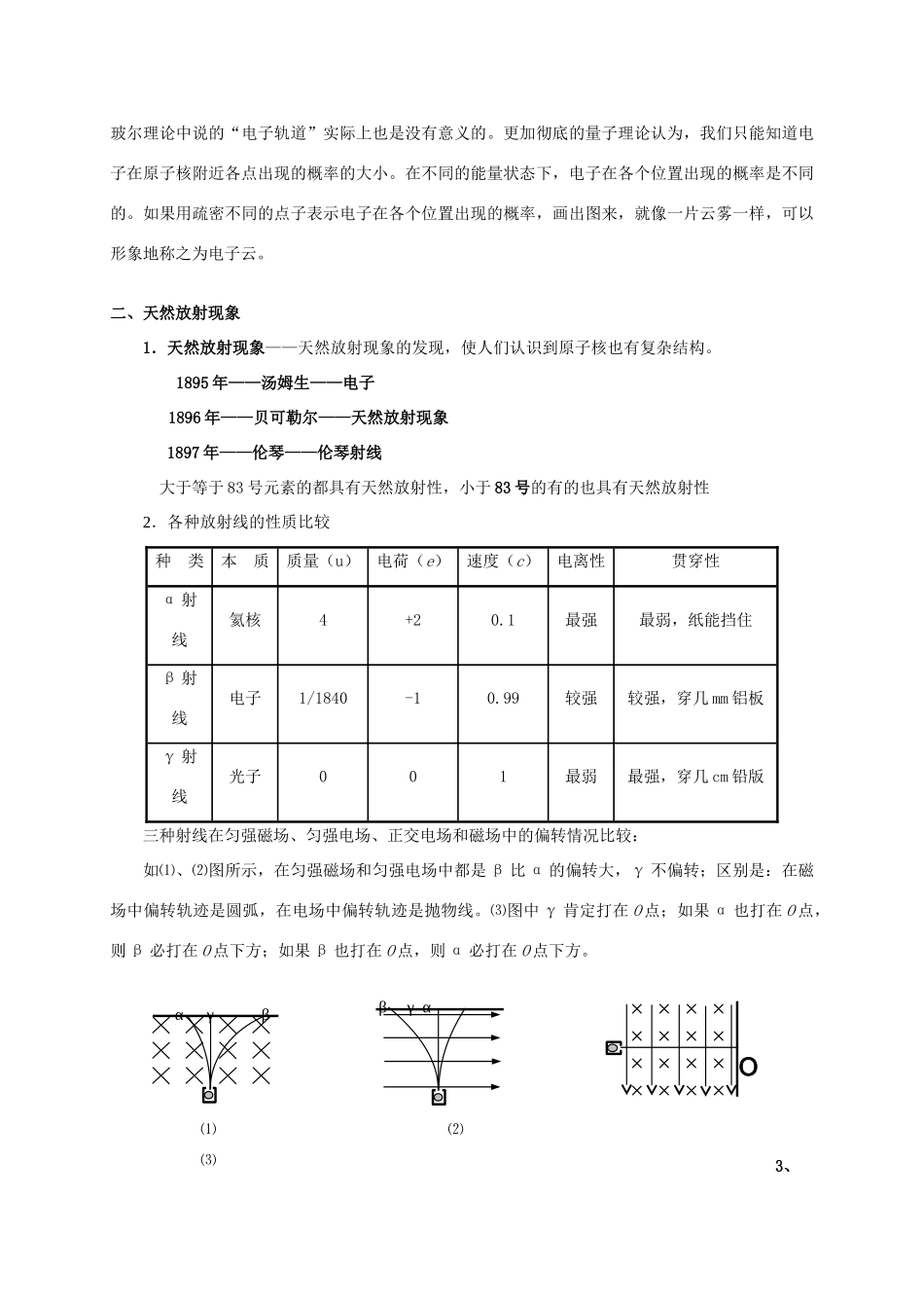
第十六章原子和原子核教学过程:一、原子模型1.J.J汤姆生模型(枣糕模型)——1897年发现电子,认识到原子有复杂结构。2.卢瑟福的核式结构模型(行星式模型)α粒子散射实验是用α粒子轰击金箔,结果:绝大多数α粒子穿过金箔后基本上仍沿原来的方向前进,但是有少数α粒子发生了较大的偏转。这说明原子的正电荷和质量一定集中在一个很小的核上。卢瑟福由α粒子散射实验提出模型:在原子的中心有一个很小的核,叫原子核,原子的全部正电荷和几乎全部质量都集中在原子核里,带负电的电子在核外空间运动。由α粒子散射实验的实验数据还可以估算出原子核大小的数量级是10-15m。3.玻尔模型(引入量子理论)(1)玻尔的三条假设(量子化)①轨道量子化:原子只能处于不连续的可能轨道中,即原子的可能轨道是不连续的②能量量子化:一个轨道对应一个能级,轨道不连续,所以能量值也是不连续的,这些不连续的能量值叫做能级。在这些能量状态是稳定的,并不向外界辐射能量,叫定态③原子可以从一个能级跃迁到另一个能级。原子由高能级向α粒子散射实验卢瑟福玻尔结构α粒子氢原子的能级图nE/eV∞01-13.62-3.43-1.514-0.853E1E2E3低能级跃迁时,放出光子,在吸收一个光子或通过其他途径获得能量时,则由低能级向高能级跃迁原子在两个能级间跃迁时辐射或吸收光子的能量(量子化就是不连续性,n叫量子数。)(2)从高能级向低能级跃迁时放出光子;从低能级向高能级跃迁时可能是吸收光子,也可能是由于碰撞(用加热的方法,使分子热运动加剧,分子间的相互碰撞可以传递能量)。原子从低能级向高能级跃迁时只能吸收一定频率的光子;而从某一能级到被电离可以吸收能量大于或等于电离能的任何频率的光子。(如在基态,可以吸收E≥13.6eV的任何光子,所吸收的能量除用于电离外,都转化为电离出去的电子的动能)。(3)玻尔理论的局限性。由于引进了量子理论(轨道量子化和能量量子化),玻尔理论成功地解释了氢光谱的规律。但由于它保留了过多的经典物理理论(牛顿第二定律、向心力、库仑力等),所以在解释其他原子的光谱上都遇到很大的困难。例1:(1)种可能的跃迁方式(C42)(2)计算最高的光子频率(3)计算最大波长例2:现有1200个氢原子被激发到量子数为4的能级上,若这些受激氢原子最后都回到基态,则在此过程中发出的光子总数是多少?假定处在量子数为n的激发态的氢原子跃迁到各较低能级的原子数都是处在该激发态能级上的原子总数的。(D)A.2200B.2000C.1200D.24004.氢原子中的电子云对于宏观质点,只要知道它在某一时刻的位置和速度以及受力情况,就可以应用牛顿定律确定该质点运动的轨道,算出它在以后任意时刻的位置和速度。对电子等微观粒子,牛顿定律已不再适用,因此不能用确定的坐标描述它们在原子中的位置。12.8eV12.1eV10.2eV0eV玻尔理论中说的“电子轨道”实际上也是没有意义的。更加彻底的量子理论认为,我们只能知道电子在原子核附近各点出现的概率的大小。在不同的能量状态下,电子在各个位置出现的概率是不同的。如果用疏密不同的点子表示电子在各个位置出现的概率,画出图来,就像一片云雾一样,可以形象地称之为电子云。二、天然放射现象1.天然放射现象——天然放射现象的发现,使人们认识到原子核也有复杂结构。1895年——汤姆生——电子1896年——贝可勒尔——天然放射现象1897年——伦琴——伦琴射线大于等于83号元素的都具有天然放射性,小于83号的有的也具有天然放射性2.各种放射线的性质比较种类本质质量(u)电荷(e)速度(c)电离性贯穿性α射线氦核4+20.1最强最弱,纸能挡住β射线电子1/1840-10.99较强较强,穿几mm铝板γ射线光子001最弱最强,穿几cm铅版三种射线在匀强磁场、匀强电场、正交电场和磁场中的偏转情况比较:如⑴、⑵图所示,在匀强磁场和匀强电场中都是β比α的偏转大,γ不偏转;区别是:在磁场中偏转轨迹是圆弧,在电场中偏转轨迹是抛物线。⑶图中γ肯定打在O点;如果α也打在O点,则β必打在O点下方;如果β也打在O点,则α必打在O点下方。3、βγααγβ⑴⑵⑶O半衰期1、描述衰变的快慢2、由核内部本身决定,与所处的物理和化学...

1、当您付费下载文档后,您只拥有了使用权限,并不意味着购买了版权,文档只能用于自身使用,不得用于其他商业用途(如 [转卖]进行直接盈利或[编辑后售卖]进行间接盈利)。
2、本站所有内容均由合作方或网友上传,本站不对文档的完整性、权威性及其观点立场正确性做任何保证或承诺!文档内容仅供研究参考,付费前请自行鉴别。
3、如文档内容存在违规,或者侵犯商业秘密、侵犯著作权等,请点击“违规举报”。

碎片内容

高考物理一轮复习 第十六章 原子和原子核教案-人教版高三全册物理教案

确认删除?
VIP
微信客服
  • 扫码咨询
会员Q群
  • 会员专属群点击这里加入QQ群
客服邮箱
回到顶部