电脑桌面
添加小米粒文库到电脑桌面
安装后可以在桌面快捷访问

高二数学 上学期简单的线性规划 第三课时教案二VIP免费

高二数学 上学期简单的线性规划 第三课时教案二_第1页
1/5
高二数学 上学期简单的线性规划 第三课时教案二_第2页
2/5
高二数学 上学期简单的线性规划 第三课时教案二_第3页
3/5
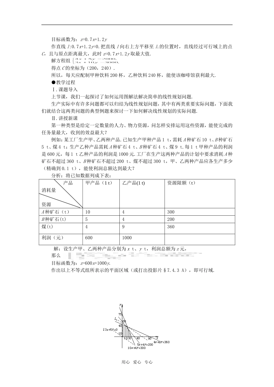
高二数学上学期简单的线性规划第三课时教案二●教学目标(一)教学知识点用图解法解决简单的线性规划问题.(二)能力训练要求能应用线性规划的方法解决一些简单的实际问题.(三)德育渗透目标1.增强学生的应用意识.2.培养学生理论联系实际的观点.●教学重点线性规划的两类重要实际问题:第一种类型是给定一定数量的人力、物力资源,问怎样安排运用这些资源,能使完成的任务量最大,收到的效益最大;第二种类型是给定一项任务,问怎样统筹安排,能使完成这项任务的人力、物力资源量最小.●教学难点根据实际问题中的已知条件,找出约束条件和目标函数,利用图解法求得最优解.尤其是最优解是整数解.●教学方法讲练结合法结合典型的实际问题讲解怎样用图解法解决线性规划的两类重要实际问题.●教具准备投影片三张(或多媒体课件)第一张:记作§7.4.3A内容:课本P62图7—24.第二张:记作§7.4.3B内容:课本P63图7—25.第三张:记作§7.4.3C内容如下:解:设每天应配制甲种饮料x杯,乙种饮料y杯.则,作出可行域:用心爱心专心目标函数为:z=0.7x+1.2y作直线l:0.7x+1.2y=0.把直线l向右上方平移至l1的位置时,直线经过可行域上的点C,且与原点距离最大,此时z=0.7x+1.2y取最大值.解方程组得点C的坐标为(200,240).所以,每天应配制甲种饮料200杯,乙种饮料240杯,能使该咖啡馆获利最大.●教学过程Ⅰ.课题导入上节课,我们一起探讨了如何运用图解法解决简单的线性规划问题.生产实际中有许多问题都可以归结为线性规划问题,其中有两类重要实际问题,下面我们就结合这两类问题的典型例题来探讨一下如何解决线性规划的实际问题.Ⅱ.讲授新课第一种类型是给定一定数量的人力、物力资源,问怎样安排运用这些资源,能使完成的任务量最大,收到的效益最大?例如:某工厂生产甲、乙两种产品.已知生产甲种产品1t,需耗A种矿石10t、B种矿石5t、煤4t;生产乙种产品需耗A种矿石4t、B种矿石4t、煤9t.每1t甲种产品的利润是600元,每1t乙种产品的利润是1000元.工厂在生产这两种产品的计划中要求消耗A种矿石不超过360t、B种矿石不超过200t、煤不超过300t,甲、乙两种产品应各生产多少(精确到0.1t),能使利润总额达到最大?分析:将已知数据列成下表:产品消耗量资源甲产品(1t)乙产品(1t)资源限额(t)A种矿石(t)104300B种矿石(t)54200煤(t)49360利润(元)6001000解:设生产甲、乙两种产品分别为xt、yt,利润总额为z元,那么目标函数为:z=600x+1000y.作出以上不等式组所表示的平面区域(或打出投影片§7.4.3A),即可行域.用心爱心专心作直线l:600x+1000y=0,即直线l:3x+5y=0,把直线l向右上方平移至l1的位置时,直线经过可行域上的点M,且与原点距离最大,此时z=600x+1000y取最大值.解方程组得M的坐标为x=≈12.4,y=≈34.4.答:应生产甲产品约12.4t,乙产品34.4t,能使利润总额达到最大.第二种类型是给定一项任务,问怎样统筹安排,能使完成这项任务的人力、物力资源量最小.例如:要将两种大小不同的钢板截成A、B、C三种规格,每张钢板可同时截得三种规格的小钢板的块数如下表所示:规格类型钢板类型A规格B规格C规格第一种钢板211第二种钢板123今需要A、B、C三种规格的成品分别为15、18、27块,问各截这两种钢板多少张可得所需三种规格成品,且使所用钢板张数最少?解:设需截第一种钢板x张,第二种钢板y张,根据题意可得:作出以上不等式组所表示的平面区域(或打出投影片§7.4.3B),即可行域:目标函数为z=x+y,作出在一组平行直线x+y=t(t为参数)中经过可行域内的点且和原点距离最近的直线,此直线经过直线x+3y=37和直线2x+y=15的交点A(),直线方程为x+y=.由于都不是整数,而最优解(x,y)中,x、y必须满足x,y∈Z,所以,可行域内点()不是最优解.经过可行域内的整点(横坐标和纵坐标都是整数的点)且与原点距离最近的直线是x+y=12,经过的整点是B(3,9)和C(4,8),它们是最优解.答:要截得所需规格的三种钢板,且使所截两种钢板的张数最少的方法有两种,第一种截法是截第一种钢板3张、第二种钢板9张;第二种截法是截第一种钢板4张、第二种钢板8用心爱心专心张,两种方法都最少要截得两种钢板共12...

1、当您付费下载文档后,您只拥有了使用权限,并不意味着购买了版权,文档只能用于自身使用,不得用于其他商业用途(如 [转卖]进行直接盈利或[编辑后售卖]进行间接盈利)。
2、本站所有内容均由合作方或网友上传,本站不对文档的完整性、权威性及其观点立场正确性做任何保证或承诺!文档内容仅供研究参考,付费前请自行鉴别。
3、如文档内容存在违规,或者侵犯商业秘密、侵犯著作权等,请点击“违规举报”。

碎片内容

高二数学 上学期简单的线性规划 第三课时教案二

您可能关注的文档

雨丝书吧+ 关注
实名认证
内容提供者

乐于和他人分享知识,从事历史教学,热爱教育,高度负责。

确认删除?
VIP
微信客服
  • 扫码咨询
会员Q群
  • 会员专属群点击这里加入QQ群
客服邮箱
回到顶部