电脑桌面
添加小米粒文库到电脑桌面
安装后可以在桌面快捷访问

2011油藏物理考卷BVIP免费

2011油藏物理考卷B_第1页
1/3
2011油藏物理考卷B_第2页
2/3
2011油藏物理考卷B_第3页
3/3
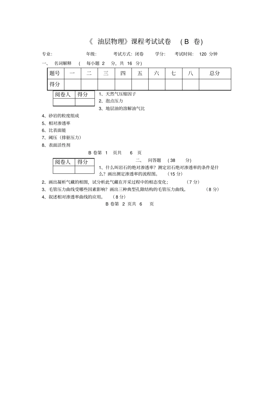
长江大学试卷院(系、部)班级姓名学号序号⋯⋯⋯⋯⋯.⋯⋯⋯⋯⋯⋯⋯⋯⋯⋯⋯.密⋯⋯⋯⋯⋯⋯⋯⋯⋯⋯⋯⋯⋯⋯⋯封⋯⋯⋯⋯⋯⋯..⋯⋯⋯⋯⋯⋯⋯..线⋯⋯⋯⋯⋯⋯⋯⋯⋯⋯⋯⋯⋯⋯..2011─2012学年第一学期《油层物理》课程考试试卷(B卷)专业:年级:考试方式:闭卷学分:考试时间:120分钟一、名词解释(每小题2分,共16分)1、天然气压缩因子2、泡点压力3、地层油的溶解油气比4、砂岩的粒度组成5、相对渗透率6、比表面能7、阈压(排驱压力)8、表面活性剂B卷第1页共6页二、问答题(38分)1、什么叫岩石的绝对渗透率?测定岩石绝对渗透率的条件是什么?画出测定渗透率的流程图。(15分)2、画出凝析气藏的相图,试分析此气藏在开采过程中的相态变化;(7分)3、毛管压力曲线受哪些因素影响?画出三种典型孔隙结构的毛管压力曲线。(8分)4、叙述相对渗透率曲线的应用。(8分)B卷第2页共6页题号一二三四五六七八总分得分阅卷人得分阅卷人得分长江大学试卷院(系、部)班级姓名学号序号⋯⋯⋯⋯⋯.⋯⋯⋯⋯⋯⋯⋯⋯⋯⋯⋯.密⋯⋯⋯⋯⋯⋯⋯⋯⋯⋯⋯⋯⋯⋯⋯封⋯⋯⋯⋯⋯⋯..⋯⋯⋯⋯⋯⋯⋯..线⋯⋯⋯⋯⋯⋯⋯⋯⋯⋯⋯⋯⋯⋯..三、计算题(46分)2、某天然气的组成如表1所示。(1)计算该天然气的视分子量;(2)计算天然气的视对比压力和视对比温度;(3)若天然气在油藏条件下的压缩因子为0.87,试计算天然气的体积系数。已知油藏温度为32℃,油藏压力为11Mpa。(15分)表1某天然气的组成、分子量及临界参数组分iPc(MPa)iTc(K)0.9016.04.54190.60.0530.14.82305.40.0344.14.19369.80.0258.13.75425.2B卷第3页共6页3、某油藏岩样用半渗透隔板法空以气驱水测得毛管压力曲线和油水相对渗透率曲线如图所示。已知实验条件σwg=72mN/m,θwg=0o;油藏条件下油的密度为0.8g/cm3,水的密度为1.0g/cm3,油的粘度为3.0mPa.s,水的粘度为1.0mPa.s,θow=60o,σow=24mN/m,岩石的绝对渗透率为145×10-3μm2。试计算:(1)计算油水同产区的厚(宽)度;(8分)(2)计算Sw=40%时的流度比;(5分)(3)计算h50离自由水面的高度,并判断油藏产油能力。(已知油藏闭合高度为50米)。(6分)B卷第4页共6页3、某一油层厚4.57m,渗透率为150×10-3μm2,在该油层的一口井注水后在半径1.22m内渗透率降低了30%,问注水后的油层的平均渗透率为若干?已知re=152.40m,rw=0.15m。(6分)4、已知某气井井深4554m,地层压力为48.23Mpa,地层温度为98.01℃,天然气的压缩因子为1.251,相对密度为0.647,求天然气的地下密度。已知R=B卷第5页阅卷人得分

1、当您付费下载文档后,您只拥有了使用权限,并不意味着购买了版权,文档只能用于自身使用,不得用于其他商业用途(如 [转卖]进行直接盈利或[编辑后售卖]进行间接盈利)。
2、本站所有内容均由合作方或网友上传,本站不对文档的完整性、权威性及其观点立场正确性做任何保证或承诺!文档内容仅供研究参考,付费前请自行鉴别。
3、如文档内容存在违规,或者侵犯商业秘密、侵犯著作权等,请点击“违规举报”。

碎片内容

2011油藏物理考卷B

您可能关注的文档

文库当当响+ 关注
实名认证
内容提供者

该用户很懒,什么也没介绍

相关文档

确认删除?
VIP
微信客服
  • 扫码咨询
会员Q群
  • 会员专属群点击这里加入QQ群
客服邮箱
回到顶部