电脑桌面
添加小米粒文库到电脑桌面
安装后可以在桌面快捷访问

2014维修电工高级实操样题解析VIP免费

2014维修电工高级实操样题解析_第1页
1/19
2014维修电工高级实操样题解析_第2页
2/19
2014维修电工高级实操样题解析_第3页
3/19
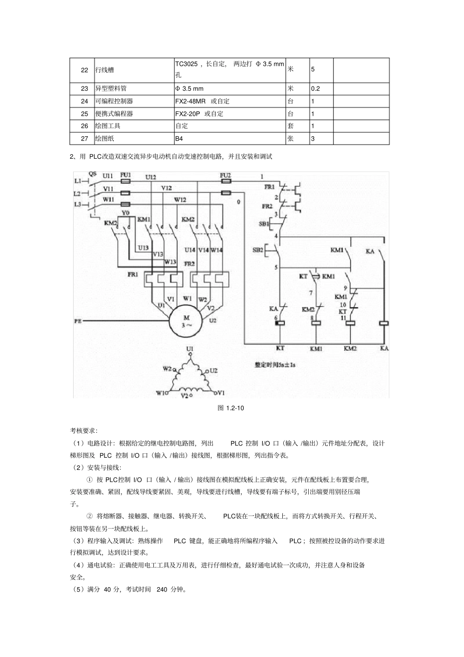
1、继电—接触式控制线路的设计、安装与调试准备要求:序号名称型号与规格单位数量备注1三相四线交流电源~3×380/220V、20A处12万用表自定块13电工通用工具验电笔、钢丝钳、螺丝刀(包括十字口螺丝刀、一字口螺丝刀)、电工刀、尖嘴钳、活扳手等套14圆珠笔自定支15演草纸自定张26劳保用品绝缘鞋、工作服等套17双速电动机YD123M-4/2,6.5kW/8kW、△/2Y、13.8A/17.1A、450/2880r/min台18配线板600×600×20mm块19组合开关HZ10-25/3个110交流接触器CJ10-10,线圈电压380V或CJ10-20,线圈电压380V只411中间继电器JZ7-44A,线圈电压380V只112热继电器JR16-20/3,整定电流17.1A只113时间继电器JS7-4,线圈电压380V只114熔断器及熔芯配套RL1-60/40A套315熔断器及熔芯配套RL1-15/4A套216三联按钮LA10-3H或LA4-3H个117接线端子排JX2-1015,500V(10A、15节)条118木螺丝Φ3×20mm;Φ3×15mm个3019平垫圈Φ4mm个3020塑料软铜线BVR-2.5mm2,颜色自定米2021塑料软铜线BVR-1.5mm2,颜色自定米2022塑料软铜线BVR-0.75mm2,颜色自定米123别径压端子UT2.5-4,UT1-4个2024行线槽TC3025,长自定,两边打Φ3.5mm孔米525异型塑料管Φ3.5mm米0.226速度继电器JY1只127绘图工具自定套128绘图纸B4张41、继电—接触式控制线路的设计、安装与调试有一台生产设备用双速三相异步电动机拖动,双速三相异步电动机型号为YD123M-4/2,三相异步电动机铭牌为6.5千瓦/8千瓦、△/2Y、13.8安/17.1安、450/2880转/分钟,根据加工工艺要求电动机自动切换运转,并且具有过载保护、短路保护、失压保护和欠压保护,试设计出一个具有自动变速双速运转带反接制动的继电-接触式电气控制线路,并且进行安装与调试。考核要求:(1)电路设计:根据提出的电气控制要求,正确绘出电路图。按你所设计的电路图,提出主要材料单。(2)元件安装:按所给的材料和图绘图纸的要求,正确利用工具和仪表,熟练地安装电气元件,元件在配线板上,布置要合理,安装要准确、紧固,按钮盒不固定在板上。(3)布线:接线要求美观、紧固、无毛刺,导线要进行线槽。电源和电动机配线、按钮接线要接到端子排上,进出线槽的导线要有端子标号,引出端要用别径压端子。(4)通电试验:正确使用电工工具及万用表,进行仔细检查,最好通电试验一次成功,并注意人身和设备安全。(5)满分40分,考试时间240分钟。2、用PLC改造双速交流异步电动机自动变速控制电路,并且安装和调试准备要求:序号名称型号与规格单位数量备注1三相四线交流电源~3×380/220V、20A处12万用表自定块13电工通用工具验电笔、钢丝钳、螺丝刀(包括十字口螺丝刀、一字口螺丝刀)、电工刀、尖嘴钳、活扳手等套14圆珠笔自定支15演草纸自定张26劳保用品绝缘鞋、工作服等套17双速电动机YD123M-4/2,6.5kW/8kW、△/2Y13.8A/17.1A,450r/min/2880r/min台18配线板600×600×20mm块19组合开关HZ10-25/3个110交流接触器CJ10-10,线圈电压380V或CJ10-20,线圈电压380V只211热继电器JR16-20/3,整定电流13.8A和17.1A各一只只212熔断器及熔芯配套RL1-60/40A套313熔断器及熔芯配套RL1-15/4A套214三联按钮LA10-3H或LA4-3H个115接线端子排JX2-1015,500V(10A、15节)条116木螺丝Φ3×20mm;Φ3×15mm个3017平垫圈Φ4mm个3018塑料软铜线BVR-2.5mm2,颜色自定米2019塑料软铜线BVR-1.5mm2,颜色自定米2020塑料软铜线BVR-0.75mm2,颜色自定米121别径压端子UT2.5-4,UT1-4个2022行线槽TC3025,长自定,两边打Φ3.5mm孔米523异型塑料管Φ3.5mm米0.224可编程控制器FX2-48MR或自定台125便携式编程器FX2-20P或自定台126绘图工具自定套127绘图纸B4张32、用PLC改造双速交流异步电动机自动变速控制电路,并且安装和调试图1.2-10考核要求:(1)电路设计:根据给定的继电控制电路图,列出PLC控制I/O口(输入/输出)元件地址分配表,设计梯形图及PLC控制I/O口(输入/输出)接线图,根据梯形图,列出指令表。(2)安装与接线:①按PLC控制I/O口(输入/输出)接线图在模拟配线板上正确安装,元件在配线板上布置要合理,安装要准确、紧固,配线导线要紧固、美观,导线要进行线槽,导线要有端子标号,引出端要用别径压...

1、当您付费下载文档后,您只拥有了使用权限,并不意味着购买了版权,文档只能用于自身使用,不得用于其他商业用途(如 [转卖]进行直接盈利或[编辑后售卖]进行间接盈利)。
2、本站所有内容均由合作方或网友上传,本站不对文档的完整性、权威性及其观点立场正确性做任何保证或承诺!文档内容仅供研究参考,付费前请自行鉴别。
3、如文档内容存在违规,或者侵犯商业秘密、侵犯著作权等,请点击“违规举报”。

碎片内容

2014维修电工高级实操样题解析

您可能关注的文档

文库当当响+ 关注
实名认证
内容提供者

该用户很懒,什么也没介绍

确认删除?
VIP
微信客服
  • 扫码咨询
会员Q群
  • 会员专属群点击这里加入QQ群
客服邮箱
回到顶部