电脑桌面
添加小米粒文库到电脑桌面
安装后可以在桌面快捷访问

电子厂如何做到防静电(经验之谈)VIP免费

电子厂如何做到防静电(经验之谈)_第1页
1/11
电子厂如何做到防静电(经验之谈)_第2页
2/11
电子厂如何做到防静电(经验之谈)_第3页
3/11
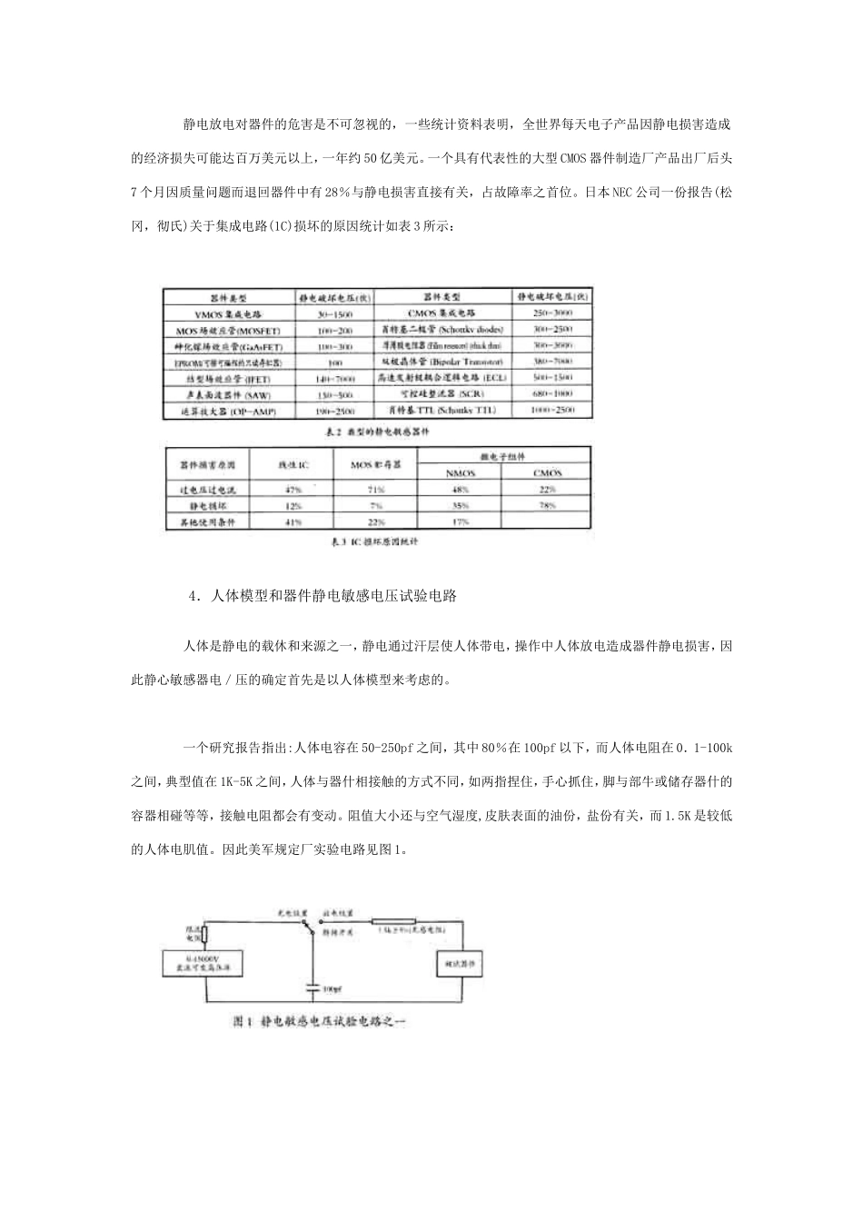
静电敏感器件的防静电1.摩擦起电序列静电是一种常见的物理现象。当两种不同的材料发生摩擦时,因为电子的转移会产生静电电荷。得到电子的物体带负电,失去电子的物体带正电。这一过程称为摩擦起电。研究结果表明,不同的物质摩擦起电的序列按如下顺序排列。空气→人手→石棉→兔毛→玻璃→云母→人发一尼龙一羊毛→铅→丝绸→铝一纸→棉花一钢铁→木→琥珀→蜡→硬橡胶→镍/铜→黄铜/银→金/铂→硫磺→人造丝→聚酯→赛璐珞→奥纶→聚氨酯→聚乙烯→聚丙烯→聚氯乙烯→二氧化硅→聚四氟乙烯以上任意两种物质发生摩擦后,位于较前的物质一般带正电,而位于较后的物质则带负电,即电子从位于前面的物质转移到位于后面的物质。但这种排列不是绝对的,也不能确定产生电荷的数量。起电的结果除厂取决于物质本身外,还与材料表面的清洁程度,环境条件,接触压力,光洁程度,表面大小,摩擦分离的速度等有关。除了不同的物质间摩擦会产生静电外,摩擦起电也能在相同材料间发生。例如当把两块密切接触的塑料(如聚乙烯袋)分开时,能产生很高的静电(可达有一万伏以上)。2.典型的静电电压参考值3.典型的静电敏感器件典型的敏感器件和它们的静电破坏电压如表2所示:静电放电对器件的危害是不可忽视的,一些统计资料表明,全世界每天电子产品因静电损害造成的经济损失可能达百万美元以上,一年约50亿美元。一个具有代表性的大型CMOS器件制造厂产品出厂后头7个月因质量问题而退回器件中有28%与静电损害直接有关,占故障率之首位。日本NEC公司一份报告(松冈,彻氏)关于集成电路(1C)损坏的原因统计如表3所示:4.人体模型和器件静电敏感电压试验电路人体是静电的载休和来源之一,静电通过汗层使人体带电,操作中人体放电造成器件静电损害,因此静心敏感器电/压的确定首先是以人体模型来考虑的。一个研究报告指出:人体电容在50-250pf之间,其中80%在100pf以下,而人体电阻在0.1-100k之间,典型值在1K-5K之间,人体与器什相接触的方式不同,如两指捏住,手心抓住,脚与部牛或储存器什的容器相碰等等,接触电阻都会有变动。阻值大小还与空气湿度,皮肤表面的油份,盐份有关,而1.5K是较低的人体电肌值。因此美军规定厂实验电路见图1。当然1.5K,100pf还不是人体模拟最坏的情况。对功率击穿来说,电容量的增加意味着心储能增加,使击穿电压更低,如当100pf,1.5K时400V静电可能对某器件造成击穿,当用250pf时,300v就可能损坏器件了。后来日本有些器件制造厂采用更为严格的实验电路如图2所示:这种200pf,0Ω实验电路放电电流更大,对器件耐静电的要求更高。5.静电损坏一般机理和内部保护网络1)电压去穿和功率击穿半导体器件内有PN结,MOS是金属-氧化物-半导体结构,它的介电层是由一层非常薄的SiO2绝缘层所构成,电压击穿是绝缘层和PN结在过电压下的电压击穿。集成电路MOS是指CMOS(ComplementaryMOS),PMOS(PChannalMOS),NMOS(NChannalMOS)还有VMOS(VerticalgrooveMOS),HMOS(HighdensityMOS)等,CMOS介,止长典型的厚度是1000埃约0.1μm左右,二氧化砧层的耐压强度一般在1×lO6V/cm-1×107V/cm之间,相应于0.1μm厚度下,耐乐在80-100V之间,而新技术MOS器件因为介电层更薄,在25-80V之间,如VMOS器件耐压只有30V,有的器件如千兆位存贮器芯片耐压只有10-20V,电压击穿开始时往往先在某一过电压下在介质的个别点上出现所谓的网点击穿,以后只要在较低的电压下即可出现大片区域的雪崩式击穿,造成器件的永久性损毁。功率击穿则与静电放电脉冲有关,它与瞬时脉冲的形状,持续时间和能量积聚有关。静电放电电流流过集成电路内部引起PN结的温度升高,或超过其熔化点,有的可能烧毁内部连接导线,有的引起合金化或造成金属的扩散,最终造成器件永久性的破坏。另一种可能的结果是严重的电老化而成为隐患——即通常所称的“软击穿”,往往当时并未发现器件有明显的损坏,但在今后随时都可能出现失效,对今后电子设备的使用和维修带来极大的隐患。2)保护网络设计为了提高MOS集成电路器件本身的抗静电性能,许多MOS器件制造厂在MOS器件内设计保护电路。保护电路主要采用高速开关二极管、晶体三极管...

1、当您付费下载文档后,您只拥有了使用权限,并不意味着购买了版权,文档只能用于自身使用,不得用于其他商业用途(如 [转卖]进行直接盈利或[编辑后售卖]进行间接盈利)。
2、本站所有内容均由合作方或网友上传,本站不对文档的完整性、权威性及其观点立场正确性做任何保证或承诺!文档内容仅供研究参考,付费前请自行鉴别。
3、如文档内容存在违规,或者侵犯商业秘密、侵犯著作权等,请点击“违规举报”。

碎片内容

电子厂如何做到防静电(经验之谈)

您可能关注的文档

墨香书阁+ 关注
实名认证
内容提供者

热爱教学事业,对互联网知识分享很感兴趣

确认删除?
VIP
微信客服
  • 扫码咨询
会员Q群
  • 会员专属群点击这里加入QQ群
客服邮箱
回到顶部