电脑桌面
添加小米粒文库到电脑桌面
安装后可以在桌面快捷访问

政府采购濉溪医院采购医用空气加压氧仓项目二次货物VIP免费

政府采购濉溪医院采购医用空气加压氧仓项目二次货物_第1页
1/6
政府采购濉溪医院采购医用空气加压氧仓项目二次货物_第2页
2/6
政府采购濉溪医院采购医用空气加压氧仓项目二次货物_第3页
3/6
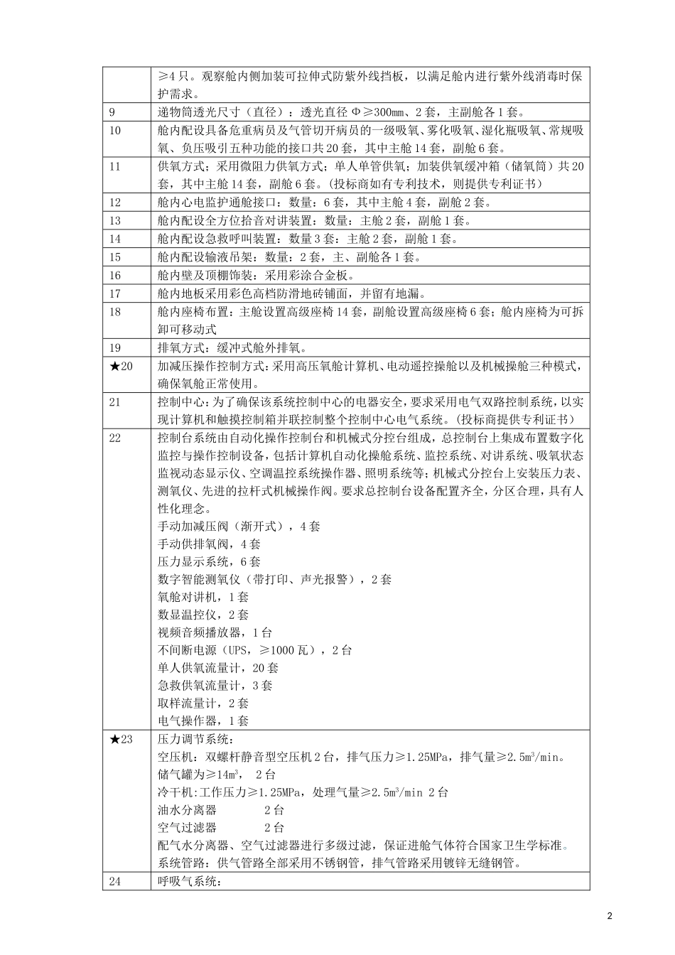
政府采购濉溪县医院采购医用空气加压氧仓项目(二次)货物清单采购编号:SXZC-HGK18043序号名称数量技术参数预算价:199万元,超预算作废一、货物需求一览表序号设备名称数量交货期1医用空气加压氧舱1合同签订接到用户通知后4个月内二、技术规格要求:序号一总体要求1项目名称:一舱二室四门式医用空气加压氧舱一套,总体建造水平要求达到国内最先进水平。2投标厂家须拥有医用空气加压氧舱设计相关的资质和能力,设计文件须通过国家质检总局指定的医用氧舱设计文件鉴定单位。3最终氧舱型号需经用户认可,并提供氧舱设计图纸、布局图纸及实物效果图。二数量:1套四设备设计、制造、安装、验收所依据和符合的标准:1TG24-2015《氧舱安全技术监察规程》2GB150-2011《压力容器》3GB/T12130-2005《医用空气加压氧舱》4《医用氧舱临床安全技术要求》5《压力容器安全技术监察规程》6GB50222-1995《建筑内部装修设计防火规范》7GB/T12243-2005《弹簧直接载荷式安全阀》8满足CMD中国医疗器械质量认证中心之质量体系要求9满足国家食品药品监督管理局产品检测要求10按GB/T12130-2005《医用空气加压氧舱》标准之要求,配备消防水喷淋系统五技术要求1舱体规格:一舱二室四门式空气加压平底舱体。★2舱体规格径向截面直径3600mm,长度10000mm★3设计压力:0.3MPa最高工作压力:0.2MPa4治疗人数:20人(主舱14人,副舱6人)★3标准人均舱容:≥3m36舱门数量及规格:主舱:平移门2个,舱门透光尺寸规格≥1850mmX1000mm(高X宽);副舱:平移门2个,舱门透光尺寸规格≥1850mmX1000mm(高X宽),并可使舱内地面和氧舱大厅地面向平、无门槛。(投标商提供专利证书)7舱内照明:采用冷光源外照明装置,数量≥16只,其中主舱≥12套,副舱≥4套。8观察窗透光尺寸(直径):透光直径Ф≥300mm,数量≥10只,其中主舱≥6只,副舱≥4只。观察舱内侧加装可拉伸式防紫外线挡板,以满足舱内进行紫外线消毒时保护需求。9递物筒透光尺寸(直径):透光直径Ф≥300mm、2套,主副舱各1套。10舱内配设具备危重病员及气管切开病员的一级吸氧、雾化吸氧、湿化瓶吸氧、常规吸氧、负压吸引五种功能的接口共20套,其中主舱14套,副舱6套。11供氧方式;采用微阻力供氧方式;单人单管供氧;加装供氧缓冲箱(储氧筒)共20套,其中主舱14套,副舱6套。(投标商如有专利技术,则提供专利证书)12舱内心电监护通舱接口:数量:6套,其中主舱4套,副舱2套。13舱内配设全方位拾音对讲装置:数量:主舱2套,副舱1套。14舱内配设急救呼叫装置:数量3套:主舱2套,副舱1套。15舱内配设输液吊架:数量:2套,主、副舱各1套。16舱内壁及顶棚饰装:采用彩涂合金板。17舱内地板采用彩色高档防滑地砖铺面,并留有地漏。18舱内座椅布置:主舱设置高级座椅14套,副舱设置高级座椅6套;舱内座椅为可拆卸可移动式19排氧方式:缓冲式舱外排氧。★20加减压操作控制方式:采用高压氧舱计算机、电动遥控操舱以及机械操舱三种模式,确保氧舱正常使用。21控制中心:为了确保该系统控制中心的电器安全,要求采用电气双路控制系统,以实现计算机和触摸控制箱并联控制整个控制中心电气系统。(投标商提供专利证书)22控制台系统由自动化操作控制台和机械式分控台组成,总控制台上集成布置数字化监控与操作控制设备,包括计算机自动化操舱系统、监控系统、对讲系统、吸氧状态监视动态显示仪、空调温控系统操作器、照明系统等;机械式分控台上安装压力表、测氧仪、先进的拉杆式机械操作阀。要求总控制台设备配置齐全,分区合理,具有人性化理念。手动加减压阀(渐开式),4套手动供排氧阀,4套压力显示系统,6套数字智能测氧仪(带打印、声光报警),2套氧舱对讲机,1套数显温控仪,2套视频音频播放器,1台不间断电源(UPS,≥1000瓦),2台单人供氧流量计,20套急救供氧流量计,3套取样流量计,2套电气操作器,1套★23压力调节系统:空压机:双螺杆静音型空压机2台,排气压力≥1.25MPa,排气量≥2.5m3/min。储气罐为≥14m3,2台冷干机:工作压力≥1.25MPa,处理气量≥2.5m3/min2台油水分离器2台空气过滤器2台配气水分离器、空气过滤器进行多级过滤,保证进舱气...

1、当您付费下载文档后,您只拥有了使用权限,并不意味着购买了版权,文档只能用于自身使用,不得用于其他商业用途(如 [转卖]进行直接盈利或[编辑后售卖]进行间接盈利)。
2、本站所有内容均由合作方或网友上传,本站不对文档的完整性、权威性及其观点立场正确性做任何保证或承诺!文档内容仅供研究参考,付费前请自行鉴别。
3、如文档内容存在违规,或者侵犯商业秘密、侵犯著作权等,请点击“违规举报”。

碎片内容

政府采购濉溪医院采购医用空气加压氧仓项目二次货物

您可能关注的文档

确认删除?
VIP
微信客服
  • 扫码咨询
会员Q群
  • 会员专属群点击这里加入QQ群
客服邮箱
回到顶部