电脑桌面
添加小米粒文库到电脑桌面
安装后可以在桌面快捷访问

电功、电功率55份VIP免费

电功、电功率55份_第1页
1/5
电功、电功率55份_第2页
2/5
电功、电功率55份_第3页
3/5
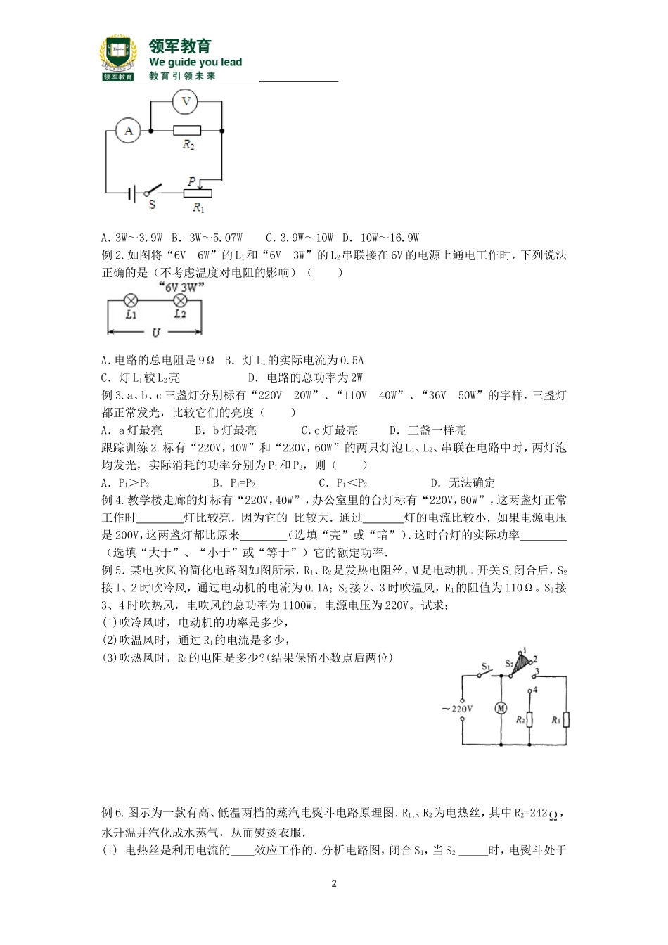
1电功、电功率题型一.电能表的使用及读数例1.电能表技术参数:(1)“220V”电能表适用的是220V;(2)“10(40)A”10A表示,40A表示;(3)3000R/KW•h表示电子式电能表,其参数为imp/KW•h--每消耗1KW•h的电能,指示灯闪烁的次数;(4)“50HZ”表示.例2.如图所示的电表,它是测量的仪表,表面计数器的示数为kW•h.该表下电路中最多允许接入“220V40W”电灯盏;若在4min内该表转盘匀速转动20周,则该用户正在使用的电器总功率为W.例3.(2012•淮安)小明家电能表上月底的示数为08116,本月底的示数如图所示,他家本月消耗的电能为kW.h.若按0.5元/(kW.h)计费,本月应付电费元.他家同时使用的用电器总功率不得超过W.题型二.电功、电功率的计算例1.南昌市井冈山大道的“十字”路口上,安装着交通指示灯,指挥着来往的人们和行驶的车辆,每组指示灯是“红、黄、绿”三盏,每盏灯上都标有“220V100W”字样,则每组灯正常工作时每小时耗电()A.0.1度B.0.2度C.0.3度D.0.4度例2.如图所示的电路中,电源电压不变,移动滑动变阻器R1的滑片P,当电流表的示数变化范围为1A~1.3A时,电压表的示数变化了3V,则该定值电阻R2所消耗功率的变化范围是()2A.3W~3.9WB.3W~5.07WC.3.9W~10WD.10W~16.9W例2.如图将“6V6W”的L1和“6V3W”的L2串联接在6V的电源上通电工作时,下列说法正确的是(不考虑温度对电阻的影响)()A.电路的总电阻是9ΩB.灯L1的实际电流为0.5AC.灯L1较L2亮D.电路的总功率为2W例3.a、b、c三盏灯分别标有“220V20W”、“110V40W”、“36V50W”的字样,三盏灯都正常发光,比较它们的亮度()A.a灯最亮B.b灯最亮C.c灯最亮D.三盏一样亮跟踪训练2.标有“220V,40W”和“220V,60W”的两只灯泡L1、L2、串联在电路中时,两灯泡均发光,实际消耗的功率分别为P1和P2,则()A.P1>P2B.P1=P2C.P1<P2D.无法确定例4.教学楼走廊的灯标有“220V,40W”,办公室里的台灯标有“220V,60W”,这两盏灯正常工作时灯比较亮.因为它的比较大.通过灯的电流比较小.如果电源电压是200V,这两盏灯都比原来(选填“亮”或“暗”).这时台灯的实际功率(选填“大于”、“小于”或“等于”)它的额定功率.例5.某电吹风的简化电路图如图所示,R1、R2是发热电阻丝,M是电动机。开关S1闭合后,S2接l、2时吹冷风,通过电动机的电流为0.1A;S2接2、3时吹温风,R1的阻值为110Ω。S2接3、4时吹热风,电吹风的总功率为1100W。电源电压为220V。试求:(1)吹冷风时,电动机的功率是多少,(2)吹温风时,通过R1的电流是多少,(3)吹热风时,R2的电阻是多少?(结果保留小数点后两位)例6.图示为一款有高、低温两档的蒸汽电熨斗电路原理图.R1、、R2为电热丝,其中R2=242,水升温并汽化成水蒸气,从而熨烫衣服.(1)电热丝是利用电流的效应工作的.分析电路图,闭合S1,当S2时,电熨斗处于3高温档。(2)电熨斗处于低温档时,正常工作功率为l100W。求:通过电路的电流是多大?R1的电阻是多大?通电3min产生的热量是多少?(3)若将该款电熨斗进行改造,使其正常工作时高温挡功率为1000W.要求只改变其中一个电热丝的阻值,请你通过分析和计算,求出该电热丝改变后的阻值应为多少?题型三.测量小灯泡的电功率例1.(2013•海珠区一模)测量“2.5V”小灯泡电功率的电路如图所示.(1)如图甲,电路中有一根导线连接错了,请你在接错的导线上打一个“×”,并画出正确的连线.最后在虚线框内画出电路对应的正确电路图.(2)重新接线后闭合开关,发现电流表的指针没有偏转,但电压表读数接近电源电压.则该电路故障的原因可能是()(选填下列故障原因的字母代号).A.电灯接线短路B.电灯烧坏了C.电源接触不良D.电流表内部接线断路(3)再次调整后,上述电路能正常工作.闭合开关前,必须将滑动变阻器调到最大阻值.这是为了.(4)在正确连接电路后,调节滑片测量小灯泡在不同电压下的电功率.数据记录如下表:4其中,当滑片P滑到某点时,电压表的读数是2.5V,电流表的读数(如图乙所示)是A,则此时小灯泡的电功率是W.(5)学习欧姆定律后,思杰观察本次实验数据与定律中导体中的电流...

1、当您付费下载文档后,您只拥有了使用权限,并不意味着购买了版权,文档只能用于自身使用,不得用于其他商业用途(如 [转卖]进行直接盈利或[编辑后售卖]进行间接盈利)。
2、本站所有内容均由合作方或网友上传,本站不对文档的完整性、权威性及其观点立场正确性做任何保证或承诺!文档内容仅供研究参考,付费前请自行鉴别。
3、如文档内容存在违规,或者侵犯商业秘密、侵犯著作权等,请点击“违规举报”。

碎片内容

电功、电功率55份

您可能关注的文档

精品文库+ 关注
实名认证
内容提供者

中小学课件教案大全

相关文档

确认删除?
VIP
微信客服
  • 扫码咨询
会员Q群
  • 会员专属群点击这里加入QQ群
客服邮箱
回到顶部