电脑桌面
添加小米粒文库到电脑桌面
安装后可以在桌面快捷访问

2019年电力变压器安装交底记录VIP免费

2019年电力变压器安装交底记录_第1页
1/19
2019年电力变压器安装交底记录_第2页
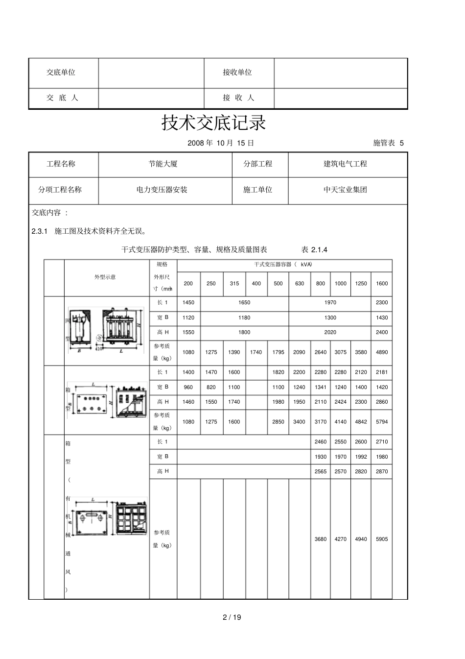
2/19
2019年电力变压器安装交底记录_第3页
3/19
1/19技术交底记录2008年10月15日施管表5工程名称节能大厦分部工程建筑电气工程分项工程名称电力变压器安装施工单位中天宝业集团交底内容:依据标准:《建筑工程施工质量验收统一标准》GB50300-2001《建筑电气工程施工质量验收规范》GB50303-20021、范围本工艺标准适用于一般工业与民用建筑电气安装工程10kV及以下室内变压器安装。2、施工准备2.1设备及材料要求:2.1.1变压器应装有铭牌。铭牌上应注明制造厂名、额定容量,一二次额定电压,电流,阻抗电压%及接线组别等技术数据。2.1.2变压器的容量,规格及型号必须符合设计要求。附件、备件齐全,并有出厂合格证及技术文件。2.1.3干式变压器的局放试验PC值及噪音测试器dB(A)值应符合设计及标准要求。2.1.4带有防护罩的干式变压器,防护罩与变压器的距离应符合标准的规定,不小于表2.1.4的尺寸。2.1.5型钢:各种规格型钢应符合设计要求,并无明显锈蚀。2.1.6螺栓:除地脚螺栓及防震装置螺栓外,均应采用镀锌螺栓,并配相应的平垫圈和弹簧垫。2.1.7其它材料:蛇皮管,耐油塑料管,电焊条,防锈漆,调和漆及变压器油,均应符合设计要求,并有产品合格证。2.2主要机具:2.2.1搬运吊装机具:汽车吊,汽车,卷扬机,吊链,三步搭,道木,钢丝绳,带子绳,滚杠。2.2.2安装机具:台钻,砂轮,电焊机,气焊工具,电锤,台虎钳,活扳子、鎯头,套丝板。2.2.3测试器具:钢卷尺,钢板尺,水平,线坠,摇表,万用表,电桥及试验仪器。2.3作业条件:2/19交底单位接收单位交底人接收人技术交底记录2008年10月15日施管表5工程名称节能大厦分部工程建筑电气工程分项工程名称电力变压器安装施工单位中天宝业集团交底内容:2.3.1施工图及技术资料齐全无误。干式变压器防护类型、容量、规格及质量图表表2.1.4外型示意规格外形尺寸(mm)干式变压器容器(kVA)200250315400500630800100012501600网型长11450165019702300宽B1120118013001430高H1550180020202400参考质量(kg)1080127513901740179520902640307535804890箱型长1140014701600182022002280228021202181宽B9608201100110012401341124014001420高H146015501740198019502110242423002860参考质量(kg)108012751600285034003170414048425794箱型(有机械通风)长12460255026002710宽B1930197019921980高H2565257028202870参考质量(kg)36804270494059053/19交底单位接收单位交底人接收人技术交底记录2008年10月15日施管表5工程名称节能大厦分部工程建筑电气工程分项工程名称电力变压器安装施工单位中天宝业集团交底内容:2.3.2土建工程基本施工完毕,标高、尺寸、结构及预埋件焊件强度均符合设计要求。2.3.3变压器轨道安装完毕,并符合设计要求(注:此项工作应由土建作,安装单位配合)。2.3.4墙面、屋顶喷浆完毕,屋顶无漏水,门窗及玻璃安装完好。2.3.5室内地面工程结束,场地清理干净,道路畅道。2.3.6安装干式变压器室内应无灰尘,相对湿度宜保持在70%以下。3、操作工艺3.1工艺流程:设备点件检查→变压器二次搬运→变压器稳装→附件安装→变压器吊芯检查及交接试验→送电前的检查→送电运行验收3.2设备点件检查:3.2.1设备点件检查应由安装单位、供货单位、会同建设单位代表共同进行,并作好记录。3.2.2按照设备清单,施工图纸及设备技术文件核对变压器本体及附件备件的规格型号是否符合设计图纸要求。是否齐全,有无丢失及损坏。3.2.3变压器本体外观检查无损伤及变形,油漆完好无损伤。3.2.4油箱封闭是否良好,有无漏油、渗油现象,油标处油面是否正常,发现问题应立即处理。3.2.5绝缘瓷件及环氧树脂铸件有无损伤、缺陷及裂纹。3.3变压器二次搬运:3.3.1变压器二次搬运应由起重工作业,电工配合。最好采用汽车吊吊装,也可采用吊链吊装,距离较长最好用汽车运输,运输时必须用钢丝绳固定牢固,并应行车平稳,尽量减少需动;距离较短且道路良好时,可用卷扬机、滚杠运输。变压器重量及吊装点高度可参照表3.3.1.1及表3.3.1.2。垄脂浇铸干式变压器重量表3.3.1.1序号容量(kVA)重量(t)序号容量(kVA)重量(t)123100~200250~500630~10000.71~0.921.16~1.902.08~2.73451250~160020...

1、当您付费下载文档后,您只拥有了使用权限,并不意味着购买了版权,文档只能用于自身使用,不得用于其他商业用途(如 [转卖]进行直接盈利或[编辑后售卖]进行间接盈利)。
2、本站所有内容均由合作方或网友上传,本站不对文档的完整性、权威性及其观点立场正确性做任何保证或承诺!文档内容仅供研究参考,付费前请自行鉴别。
3、如文档内容存在违规,或者侵犯商业秘密、侵犯著作权等,请点击“违规举报”。

碎片内容

2019年电力变压器安装交底记录

您可能关注的文档

确认删除?
VIP
微信客服
  • 扫码咨询
会员Q群
  • 会员专属群点击这里加入QQ群
客服邮箱
回到顶部