电脑桌面
添加小米粒文库到电脑桌面
安装后可以在桌面快捷访问

《43习题课:楞次定律的应用》VIP专享VIP免费

《43习题课:楞次定律的应用》_第1页
1/6
《43习题课:楞次定律的应用》_第2页
2/6
《43习题课:楞次定律的应用》_第3页
3/6
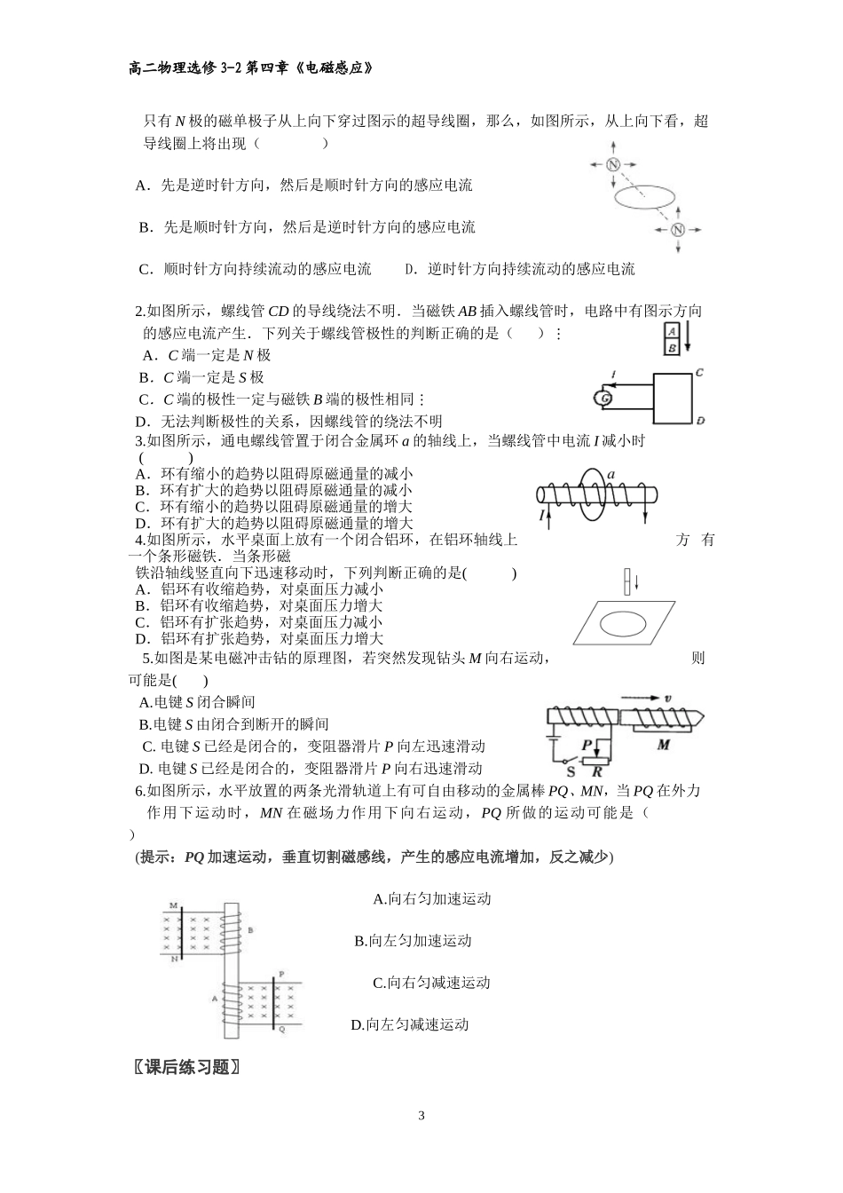
1高二物理选修3-2第四章《电磁感应》《4.3:习题课:楞次定律的应用》导学案编制:郭智鹏审核:彭彩萍学生:〖课前预习案〗1.学习目标定位①学习应用楞次定律的推论判断感应电流的方向.②理解安培定则、左手定则、右手定则和楞次定律的区别.2.核心知识梳理一.应用楞次定律判断感应电流方向的一般步骤是:(1)明确所研究的,判断的方向;(2)判断闭合电路内原磁场的的变化情况;(3)由判断感应电流的磁场方向;(4)由根据感应电流的磁场方向,判断出感应电流的方向.二.安培定则(右手螺旋定则)、右手定则、左手定则(1)判断电流产生的磁场方向用定则.(2)判断磁场对通电导体及运动电荷的作用力方向用定则.(3)判断导体切割磁感线运动产生的感应电流方向用定则.〖预习检测题〗1.如图所示,一水平放置的矩形闭合线圈abcd在细长磁铁的N极附近竖直下落,保持bc边在纸外,ad边在纸内,如图中的位置Ⅰ经过位置Ⅱ到位置Ⅲ,位置Ⅰ和Ⅲ都很靠近Ⅱ,在这个过程中,线圈中感应电流()A.沿abcd流动B.沿dcba流动C.由Ⅰ到Ⅱ是沿abcd流动,由Ⅱ到Ⅲ是沿dcba流动D.由Ⅰ到Ⅱ是沿dcba流动,由Ⅱ到Ⅲ是沿abcd流动规律总结:感应电流的磁场,总是阻碍引起感应电流的磁通量(原磁场磁通量)的变化.(1)当原磁场磁通量增加时,感应电流的磁场方向与原磁场方向相反.(2)当原磁场磁通量减少时,感应电流的磁场方向与原磁场方向相同.口诀记为“增反减同”.2.如图所示,当磁铁突然向铜环运动时,铜环的运动情况是()A.向右摆动B.向左摆动C.静止D.无法判定规律总结:由于磁场与导体的相对运动产生电磁感应现象时,产生的感应电流与磁场间有力的作用,这种力的作用会“阻碍”相对运动,简称口诀“来拒去留”.3.如图所示,在载流直导线旁固定有两平行光滑导轨A、B,导轨与直导线平行且在同一水平面内,在导轨上有两可自由滑动的导体ab和cd.当载流直导线中的电流逐渐增强时,导体ab和cd的运动情况是()2高二物理选修3-2第四章《电磁感应》A.一起向左运动B.一起向右运动C.ab和cd相向运动,相互靠近D.ab和cd相背运动,相互远离规律总结:当闭合电路有感应电流产生时,电路的各部分导线就会受到安培力作用,会使电路的面积有变化(或有变化趋势).(1)若原磁通量增加,则通过减小有效面积起到阻碍的作用.(2)若原磁通量减小,则通过增加有效面积起到阻碍的作用.4.一长直铁芯上绕有一固定线圈M,铁芯右端与一木质圆柱密接,木质圆柱上套有一闭合金属环N,N可在木质圆柱上无摩擦移动.M连接在如图所示的电路中,其中R为滑动变阻器,E1和E2为直流电源,S为单刀双掷开关.下列情况中,可观测到N向左运动的是()A.在S断开的情况下,S向a闭合的瞬间B.在S断开的情况下,S向b闭合的瞬间C.在S已向a闭合的情况下,将R的滑动头向c端移动时D.在S已向a闭合的情况下,将R的滑动头向d端移动时规律总结:发生电磁感应现象时,通过什么方式来“阻碍”原磁通量的变化要根据具体情况而定,可能是阻碍导体的相对运动,也可能是改变线圈的有效面积,还可能是通过远离或靠近变化的磁场源来阻碍原磁通量的变化.即:(1)若原磁通量增加,则通过远离磁场源起到阻碍的作用.(2)若原磁通量减小,则通过靠近磁场源起到阻碍的作用.口诀记为“增离减靠”.5.如图所示,导轨间的磁场方向垂直于纸面向里,当导线MN在导轨上向右加速滑动时,正对电磁铁A的圆形金属环B中()(提示:MN向右加速滑动,垂直切割磁感线,产生的感应电流增加)A.有感应电流,且B被A吸引B.无感应电流C.可能有,也可能没有感应电流D.有感应电流,且B被A排斥规律总结:一.右手定则是楞次定律的特殊情况(1)楞次定律的研究对象为整个闭合导体回路,适用于磁通量变化引起感应电流的各种情况.(2)右手定则的研究对象为闭合导体回路的一部分,适用于一段导体在磁场中做切割磁感应运动.二.区别安培定则、左手定则、右手定则的关键是抓住因果关系(1)因电而生磁(IB)安培定则.(判断电流周围磁感线的方向)(2)因动而生电(v、BI感)右手定则.(导体切割磁感线产生感应电流)(3)因电而受力(I、BF安)左手定则.(磁场对电流有作用力)〖随堂训练题〗...

1、当您付费下载文档后,您只拥有了使用权限,并不意味着购买了版权,文档只能用于自身使用,不得用于其他商业用途(如 [转卖]进行直接盈利或[编辑后售卖]进行间接盈利)。
2、本站所有内容均由合作方或网友上传,本站不对文档的完整性、权威性及其观点立场正确性做任何保证或承诺!文档内容仅供研究参考,付费前请自行鉴别。
3、如文档内容存在违规,或者侵犯商业秘密、侵犯著作权等,请点击“违规举报”。

碎片内容

《43习题课:楞次定律的应用》

您可能关注的文档

确认删除?
VIP
微信客服
  • 扫码咨询
会员Q群
  • 会员专属群点击这里加入QQ群
客服邮箱
回到顶部