电脑桌面
添加小米粒文库到电脑桌面
安装后可以在桌面快捷访问

拜耳法氧化铝生产工艺流程框图VIP免费

拜耳法氧化铝生产工艺流程框图_第1页
1/13
拜耳法氧化铝生产工艺流程框图_第2页
2/13
拜耳法氧化铝生产工艺流程框图_第3页
3/13
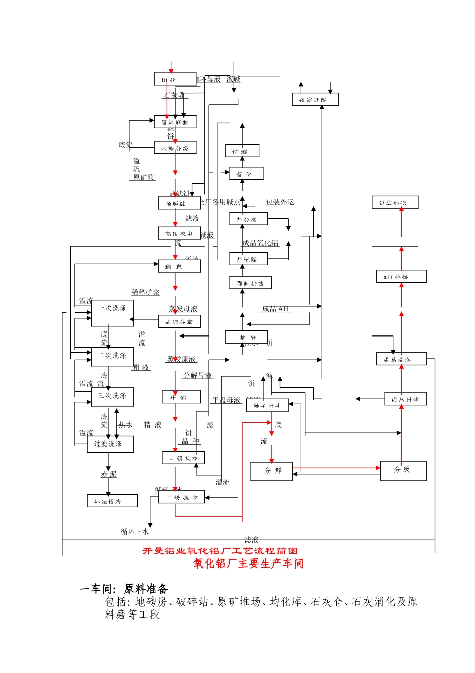
拜耳法氧化铝生产工艺流程框图石灰高铝矿循环碱液一次洗液热水底流细渣赤泥去堆场母液热水AH洗液去赤泥洗涤成品氧化铝图一焙烧AL(OH)3AL2O3铝酸钠分解碱处理分离溶液分离蒸发铝矿石铝酸钠母液循环母液浆液赤泥图二碱法生产氧化铝基本过程铝土矿石灰原矿浆磨预脱硅及高压溶出矿浆稀释沉降分离叶滤碱液配置蒸发赤泥洗涤板式换热器立盘过滤种分槽漩流器分级平盘过滤、洗涤AH焙烧破碎消化循环母液液碱石灰乳苛化渣滤饼底流溢流原矿浆盐滤饼热水全厂各用碱点包装外运滤液底强碱液流成品氧化铝溢流稀释矿浆溢流底流蒸发母液成品AH底溢滤流流热水饼蒸发原液粗液底分解母液滤溢流流饼平盘母液滤液底流热水精液滤底溢流饼晶种流赤泥溢流循环上水循环下水滤液开曼铝业氧化铝厂工艺流程简图氧化铝厂主要生产车间一车间:原料准备包括:地磅房、破碎站、原矿堆场、均化库、石灰仓、石灰消化及原料磨等工段均化原料磨制母液调配水旋分级过滤预脱硅高压溶出稀释赤泥分离叶滤一级热交二级热交一次洗涤二次洗涤三次洗涤过滤洗涤外运堆存苛化盐分离盐沉降强制排盐蒸发种子过滤分解成品过滤分级成品洗涤AH焙烧包装外运a.石灰消化:3台ф1200x10500m化灰机,2用1备b.石灰仓:3台ф14x18mc.拜尔原料磨(棒球两段磨加水力漩流器):4组,每组配一级棒磨ф3.2x4.5m及二级球磨ф3.6x8.5m,产能100t/h,用3备1。二车间:高压溶出包括:常压脱硅、高压泵房、管道化预热、溶出及稀释a.常压脱硅:3台带加热管束搅拌的ф10x16m预脱硅加热槽及11台机械搅拌的ф10x16m脱硅槽,1台ф6x6m赤泥洗液槽。其中预脱硅加热槽2用1备,脱硅槽10用1备。b.高压泵房:3台高压引进的高压隔膜泵,泵压力6~6.8MPa,流量400-500m3/h,2用1备。c.溶出装置:2组。采用法铝技术,6级套管预热,4级压煮器预热,新蒸汽间接加热,保温压煮器停留30分钟,10级闪蒸降温。每组配套预热管预热器长度2880m,19台ф2.8x16.8m压煮器,12台ф3.0-5.0x9.7m闪蒸器。2台ф12.5x13.5m溶出后槽,稀释料浆停留4.2小时,产能400-500kt/a.三车间:赤泥沉降包括:赤泥分离及洗涤、絮凝剂制备、控制过滤、赤泥贮槽及赤泥泵站、赤泥堆场、热水站a.赤泥分离及洗涤:2组。采用高效深锥沉降槽技术及设备。每组配6台ф14x16-18m高效沉降槽,其中分离槽1台,洗涤槽4台,备用槽1台。b.控制过滤:7台226m2立式叶滤机,其中用6台备1台。c.赤泥泵站:3台引进的高压隔膜泵,2用1备。d.絮凝剂制备、热水站。四车间:分解分级包括:精液热交换、分解分级、中间降温、种子过滤a.精液热交换(板式换热器):4组。每组为两级换热,第一级精液与母液换热,配3台450m3换热器,第二级精液与水换热,配1台230m3换热器。每两组换热器对应1组分解槽,用1组备1组。b.种子过滤:8台120m2立式过滤机,用5台备3台。c.分解分级:2组。每组14台ф14x29.5-34.5m,4600m3/台平底机械搅拌分解槽,用13台备1台。每组分解槽配340m2中间降温换热器6台及两组水力漩流器分级机。五车间:蒸发包括:蒸发原液槽及水洗、蒸发站、排盐苛化、循环母液、酸洗站a.蒸发原液及水洗:3台ф13m原液槽b.蒸发母液:3台ф13m母液槽c.液体碱储槽:3台ф10m液体碱补碱槽d.蒸发站:2组。每组采用蒸水量22t/h六效管式降膜蒸发器组,带强制循环结晶排盐器。六车间:焙烧包括:成品过滤及洗涤、氢氧化铝仓、焙烧、氧化铝输送、氧化铝仓、氧化铝包装及堆栈a.成品过滤:2台引进的62平盘过滤机b.焙烧:2台丹麦smith技术的1350t/d气体悬浮焙烧炉,燃料为城市煤气。c.氢氧化铝仓:2400t容量。d.氧化铝仓:4台7000t氧化铝仓。e.氧化铝包装及储运:按1t大袋包装,包装堆栈厂房60x162m。辅助车间:检修车间、清理车间、循环水车间、电器车间、计控车间原料铝土矿、石灰、产品氧化铝成分组成铝土矿组成石灰组成产品氧化铝1Al2O367.00%1Al2O31.22%1Al2O3≥98.6%2SiO27.40%2SiO2:2.25%2SiO2≤0.02%3CaO0.83%3CaO:88.30%4Fe2O35.00%3Fe2O3≤0.02%5TiO23.10%6MgO0.15%7Na2O0.35%4Na2O≤0.02%8K2O9CO20.54%4CO25.72%10结晶水13.50%11其它2.16%5其他:2.51%5其它≤0.02%工艺过程描述一、原料车间:由汽车运来的铝土矿经地磅站称重后,倒...

1、当您付费下载文档后,您只拥有了使用权限,并不意味着购买了版权,文档只能用于自身使用,不得用于其他商业用途(如 [转卖]进行直接盈利或[编辑后售卖]进行间接盈利)。
2、本站所有内容均由合作方或网友上传,本站不对文档的完整性、权威性及其观点立场正确性做任何保证或承诺!文档内容仅供研究参考,付费前请自行鉴别。
3、如文档内容存在违规,或者侵犯商业秘密、侵犯著作权等,请点击“违规举报”。

碎片内容

拜耳法氧化铝生产工艺流程框图

您可能关注的文档

确认删除?
VIP
微信客服
  • 扫码咨询
会员Q群
  • 会员专属群点击这里加入QQ群
客服邮箱
回到顶部